电脑桌面
添加小米粒文库到电脑桌面
安装后可以在桌面快捷访问

座浆法垫铁安装

座浆法垫铁安装_第1页
1/10
座浆法垫铁安装_第2页
2/10
座浆法垫铁安装_第3页
3/10
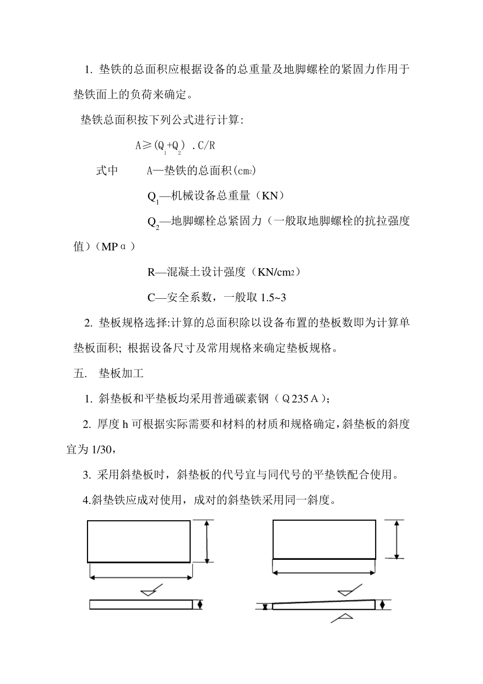
宣 钢 高 线 工 程 设 备 垫 板 施 工 方 案 编制: 审核: 批准: 二十冶宣钢高线工程项目部 二 O O 六年六月 一.概况及编制依据 河北宣钢高速线材工程,由河北新烨工程技术有限公司设计,机械设备由我单位负责安装。 整条高速线材工程机械设备约 1200 吨,设备安装要求精度高,根据现场实际情况,采用座浆法或压浆法垫板施工,而编制此方案 编制依据: 河北新烨工程技术有限公司提供的设计图纸及资料 《机械设备安装工程施工及验收通用规范》GB50231-98 《冶金机械安装工程手册》 二.基础验收 根据土建提供的中间交接资料按设计图纸认真复查,检查设备基础尺寸偏差,复测预埋地脚螺栓或预留洞等应符合规范要求,满足设备安装。 三.垫板布置 垫板布置应符合以下要求: 1.每个地脚螺栓的近旁至少应有一垫板组,底座刚度较小或动负荷较大的设备,地脚螺栓的两侧近旁均应放置垫板组; 2. 无地脚螺栓处的设备主要受力部位亦应放置垫板组。垫板组在放置平稳和不影响二次灌浆的情况下,应尽量靠近地脚螺栓和主要受力部位。 3. 相邻垫板组之间的距离宜为 500~800mm.。 四.垫铁规格的选择 1. 垫铁的总面积应根据设备的总重量及地脚螺栓的紧固力作用于垫铁面上的负荷来确定。 垫铁总面积按下列公式进行计算: A≥(Q1+Q2) .C/R 式中 A—垫铁的总面积(cm2) Q1—机械设备总重量(KN) Q2—地脚螺栓总紧固力(一般取地脚螺栓的抗拉强度值)(MPα) R—混凝土设计强度(KN/cm2) C—安全系数,一般取1.5~3 2. 垫板规格选择:计算的总面积除以设备布置的垫板数即为计算单垫板面积; 根据设备尺寸及常用规格来确定垫板规格。 五. 垫板加工 1. 斜垫板和平垫板均采用普通碳素钢(Q235A); 2. 厚度h 可根据实际需要和材料的材质和规格确定,斜垫板的斜度宜为 1/30, 3. 采用斜垫板时,斜垫板的代号宜与同代号的平垫铁配合使用。 4.斜垫铁应成对使用,成对的斜垫铁采用同一斜度。 六.座浆法垫板施工 座浆法垫板施工具体步骤如下: 1、轧线设备安装使用座浆垫板,座浆材料选用 42.5 普通水泥、中砂、石子(粒度为 5-15mm)及洁净水。 水灰比根据材料的干湿程度和当时天气情况适当掌握,砼搅拌均匀后用手捏成团,掉地后能散开,可认为水灰比恰当。 2) 水泥、砂子及石子采用集中称料、干料运输、分散搅拌。将称量好的材料倒在搅拌板上,干拌均匀后,再加水剂搅拌。搅拌好的在 15 分钟内...

1、当您付费下载文档后,您只拥有了使用权限,并不意味着购买了版权,文档只能用于自身使用,不得用于其他商业用途(如 [转卖]进行直接盈利或[编辑后售卖]进行间接盈利)。
2、本站所有内容均由合作方或网友上传,本站不对文档的完整性、权威性及其观点立场正确性做任何保证或承诺!文档内容仅供研究参考,付费前请自行鉴别。
3、如文档内容存在违规,或者侵犯商业秘密、侵犯著作权等,请点击“违规举报”。

碎片内容

座浆法垫铁安装

您可能关注的文档

确认删除?
VIP
微信客服
  • 扫码咨询
会员Q群
  • 会员专属群点击这里加入QQ群
客服邮箱
回到顶部