电脑桌面
添加小米粒文库到电脑桌面
安装后可以在桌面快捷访问

再生水水质标准VIP免费

再生水水质标准_第1页
1/5
再生水水质标准_第2页
2/5
再生水水质标准_第3页
3/5
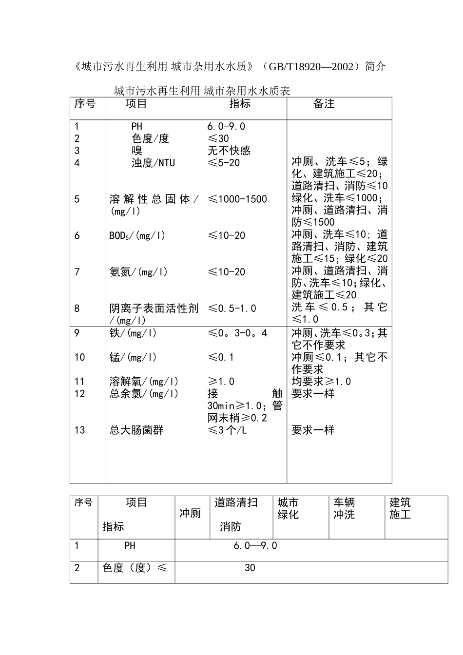
《城市污水再生利用城市杂用水水质》(GB/T18920—2002)简介城市污水再生利用城市杂用水水质表序号项目指标备注12345678PH色度/度嗅浊度/NTU溶解性总固体/(mg/l)BOD5/(mg/l)氨氮/(mg/l)阴离子表面活性剂/(mg/l)6.0-9.0≤30无不快感≤5-20≤1000-1500≤10-20≤10-20≤0.5-1.0冲厕、洗车≤5;绿化、建筑施工≤20;道路清扫、消防≤10绿化、洗车≤1000;冲厕、道路清扫、消防≤1500冲厕、洗车≤10;道路清扫、消防、建筑施工≤15;绿化≤20冲厕、道路清扫、消防、洗车≤10;绿化、建筑施工≤20洗车≤0.5;其它≤1.0910111213铁/(mg/l)锰/(mg/l)溶解氧/(mg/l)总余氯/(mg/l)总大肠菌群≤0。3-0。4≤0.1≥1.0接触30min≥1.0;管网末梢≥0.2≤3个/L冲厕、洗车≤0。3;其它不作要求冲厕≤0.1;其它不作要求均要求≥1.0要求一样要求一样序号项目指标冲厕道路清扫消防城市绿化车辆冲洗建筑施工1PH6.0—9.02色度(度)≤303嗅无不快感浊度/NTU≤510105204溶解性总固体/(mg/l)≤1500150010001000—5BOD5/(mg/l)≤10152010156氨氮/mg/l≤10102010207阴离子表面活性剂/mg/l≤1.01.01.00.51.08铁/(mg/l)≤0.3——0.3—9锰/(mg/l)≤0.1——0.1—10溶解氧/(mg/l)≥1.011总余氯/mg/l接触30min后≥1.0;管网末梢≥0.212总大肠菌群(个/L)≤3注:混凝土拌合用水还应符合JGJ63的有关规定。5.2.3《城市污水再生利用景观环境用水水质》(GB/T18921—2002)简介(1)基本指标*作为景观环境用水的再生水应没有明显可见漂浮物,没有令人不愉快的嗅和味;*PH值过高过低,将使水中许多化合物的毒性增大,从而对人体和植物造成不良影响。故PH=6-9(2)常规指标(包括BOD、SS、浊度、DO)*BOD、SS与色度、嗅和味直接相关,可用于控制景观环境水的有机污染,防止黑臭的发生。·观赏性景观环境用水要求:BOD≤10mg/l、SS≤20mg/l(河道类);BOD≤6mg/lmg、SS≤10mg/l(湖泊类、水景类)·娱乐性景观环境用水要求:BOD≤6mg/lmg*浊度与SS相近,更直接地标志着景观水的澄清程度。·观赏性景观环境用水要求:DO≥1.5mg/l·娱乐性景观环境用水要求:DO≥2.0mg/l(3)营养盐指标(包括TN、TP、NH3-N三项)营养盐的存在是造成水体富营养化的直接原因,必须加以有效控制。“八五”国家科技攻关课题研究的污水回用试验表明,一般条件下,TP为水体富营养化的主要控制因素,限制TP≤0.5mg/l以下,可有效地控制富营养化的程度。“七五”、“八五”试验研究还表明,在采用化学除磷时,TP可控制在0.5mg/l以下,采用脱氮工艺的条件下,TN可控制在10mg/l以下;不采用脱氮工艺时,TN可控制在30mg/l以下。景观环境用水水质标准规定:·湖泊类、水景类景观环境用水:TP≤0.5mg/l,TN≤15mg/l,NH3-N≤5mg/l·河道类景观环境用水:TP≤1.0mg/l,TN≤15mg/l,NH3-N≤5mg/l(4)卫生学指标(包括粪大肠菌群、余氯二项)·观赏性景观环境用水要求:河道类、湖泊类粪大肠菌群≤10000个/L;水景类粪大肠菌群≤2000个/L·娱乐性景观环境用水要求:河道类、湖泊类粪大肠菌群≤500个/L;水景类粪大肠菌群不得检出。·接触30min后的余氯:余氯≥0.5mg/l最近的研究表明,在对人体致病的微生物病原体中,肠道病毒和原生动物类寄生虫,如贾第虫和隐孢子虫比肠道细菌更为重要,一般加氯量杀不死它们。但由于检测手段上的困难,目前还没有列入。(5)感官性指标(色度、石油类、阴离子表面活性剂三项)感官性指标过高会对感官产生不良影响,降低景观水的美学价值。·景观环境用水要求:色度≤15度;石油类≤1.0mg/l;阴离子表面活性剂≤0.5mg/l(6)毒理学指标毒理学指标共50项,其取值来源于《城镇污水处理厂污染物排放标准》GB/T18918—2002景观环境用水的再生水水质控制指标(mg/L)序号项目观赏性景观环境用水娱乐性景观环境用水河道类湖泊类水景类河道类湖泊类水景类1基本要求无漂浮物,无令人不愉快的嗅和味2PH6—93BOD5≤10664SS≤2010—5浊度(NTU)≤—5.06DO≥1.52.07TP(以P计)≤1.00.51.02.08TN≤159氨氮(以N计)≤510粪大肠菌群(个/L)≤1000020000500不得检出11余氯≥0.0512色度(度)≤3013石油类≤1.014阴离子表面活性剂≤0.5表1再生水...

1、当您付费下载文档后,您只拥有了使用权限,并不意味着购买了版权,文档只能用于自身使用,不得用于其他商业用途(如 [转卖]进行直接盈利或[编辑后售卖]进行间接盈利)。
2、本站所有内容均由合作方或网友上传,本站不对文档的完整性、权威性及其观点立场正确性做任何保证或承诺!文档内容仅供研究参考,付费前请自行鉴别。
3、如文档内容存在违规,或者侵犯商业秘密、侵犯著作权等,请点击“违规举报”。

碎片内容

再生水水质标准

确认删除?
VIP
微信客服
  • 扫码咨询
会员Q群
  • 会员专属群点击这里加入QQ群
客服邮箱
回到顶部