电脑桌面
添加小米粒文库到电脑桌面
安装后可以在桌面快捷访问

建筑照明通电、全负荷试运行记录

建筑照明通电、全负荷试运行记录_第1页
1/6
建筑照明通电、全负荷试运行记录_第2页
2/6
建筑照明通电、全负荷试运行记录_第3页
3/6
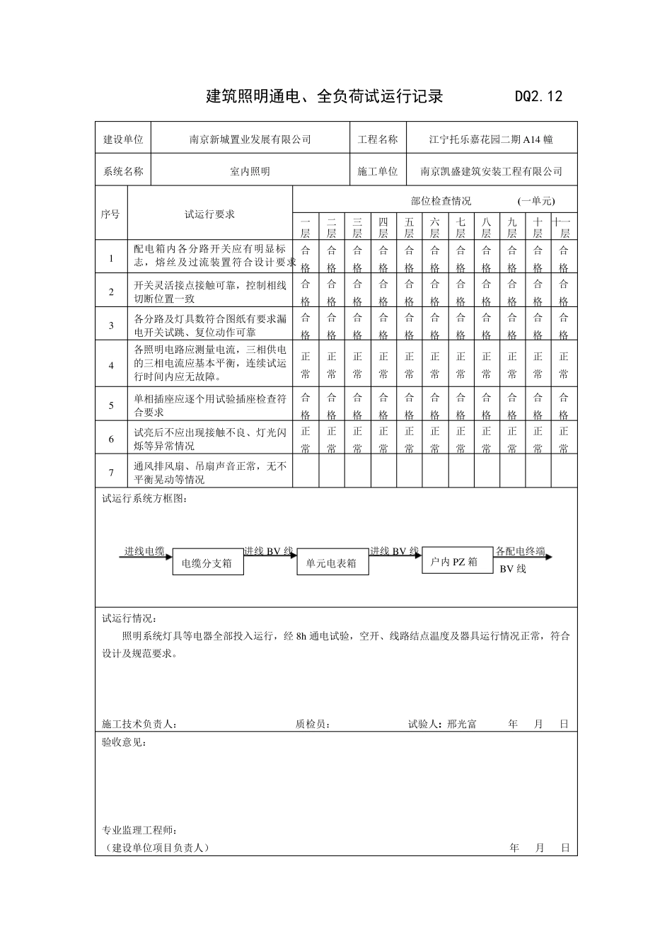
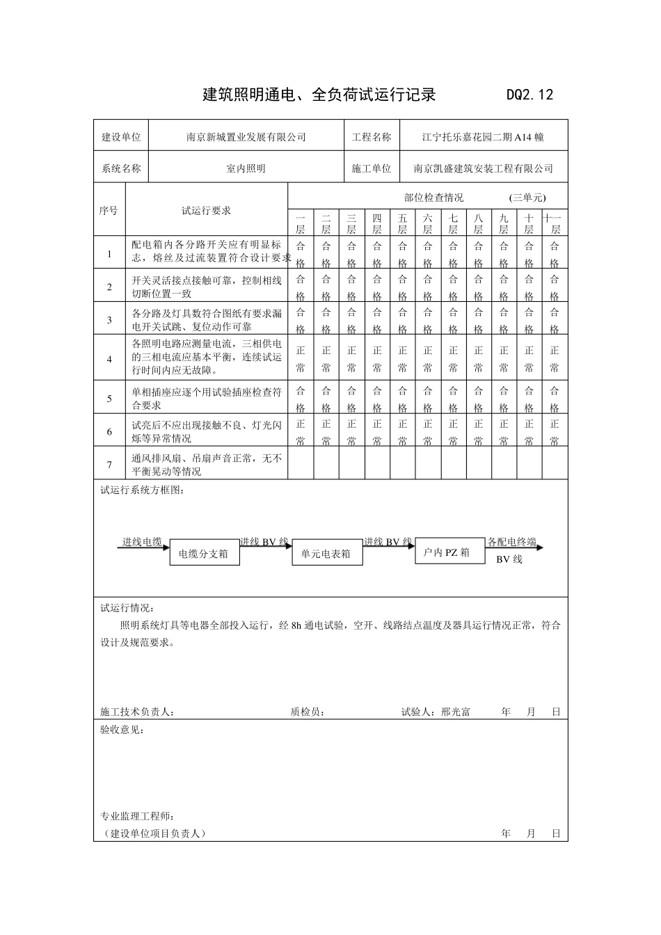
建筑照明通电、全负荷试运行记录 DQ2.12 建设单位 南京新城置业发展有限公司 工程名称 江宁托乐嘉花园二期A14 幢 系统名称 室内照明 施工单位 南京凯盛建筑安装工程有限公司 序号 试运行要求 部位检查情况 (一单元) 一层 二层 三层 四层 五层 六层 七层 八层 九层 十层 十一层 1 配电箱内各分路开关应有明显标志,熔丝及过流装置符合设计要求 合格 合格 合格 合格 合格 合格 合格 合格 合格 合格 合格 2 开关灵活接点接触可靠,控制相线切断位置一致 合格 合格 合格 合格 合格 合格 合格 合格 合格 合格 合格 3 各分路及灯具数符合图纸有要求漏电开关试跳、复位动作可靠 合格 合格 合格 合格 合格 合格 合格 合格 合格 合格 合格 4 各照明电路应测量电流,三相供电的三相电流应基本平衡,连续试运行时间内应无故障。 正常 正常 正常 正常 正常 正常 正常 正常 正常 正常 正常 5 单相插座应逐个用试验插座检查符合要求 合格 合格 合格 合格 合格 合格 合格 合格 合格 合格 合格 6 试亮后不应出现接触不良、灯光闪烁等异常情况 正常 正常 正常 正常 正常 正常 正常 正常 正常 正常 正常 7 通风排风扇、吊扇声音正常,无不平衡晃动等情况 试运行系统方框图: 进线电缆 进线BV 线 进线BV 线 各配电终端 BV 线 试运行情况: 照明系统灯具等电器全部投入运行,经 8h通电试验,空开、线路结点温度及器具运行情况正常,符合设计及规范要求。 施工技术负责人: 质检员: 试验人: 邢光富 年 月 日 验收意见: 专业监理工程师: (建设单位项目负责人) 年 月 日 电缆分支箱 单元电表箱 户内PZ 箱 建筑照明通电、全负荷试运行记录 DQ2.12 建设单位 南京新城置业发展有限公司 工程名称 江宁托乐嘉花园二期A14 幢 系统名称 室内照明 施工单位 南京凯盛建筑安装工程有限公司 序号 试运行要求 部位检查情况 (二单元) 一层 二层 三层 四层 五层 六层 七层 八层 九层 十层 十一层 1 配电箱内各分路开关应有明显标志,熔丝及过流装置符合设计要求 合格 合格 合格 合格 合格 合格 合格 合格 合格 合格 合格 2 开关灵活接点接触可靠,控制相线切断位置一致 合格 合格 合格 合格 合格 合格 合格 合格 合格 合格 合格 3 各分路及灯具数符合图纸有要求漏电开关试跳、复位...

1、当您付费下载文档后,您只拥有了使用权限,并不意味着购买了版权,文档只能用于自身使用,不得用于其他商业用途(如 [转卖]进行直接盈利或[编辑后售卖]进行间接盈利)。
2、本站所有内容均由合作方或网友上传,本站不对文档的完整性、权威性及其观点立场正确性做任何保证或承诺!文档内容仅供研究参考,付费前请自行鉴别。
3、如文档内容存在违规,或者侵犯商业秘密、侵犯著作权等,请点击“违规举报”。

碎片内容

建筑照明通电、全负荷试运行记录

您可能关注的文档

确认删除?
VIP
微信客服
  • 扫码咨询
会员Q群
  • 会员专属群点击这里加入QQ群
客服邮箱
回到顶部