电脑桌面
添加小米粒文库到电脑桌面
安装后可以在桌面快捷访问

建筑玻璃系列的国家标准

建筑玻璃系列的国家标准_第1页
1/15
建筑玻璃系列的国家标准_第2页
2/15
建筑玻璃系列的国家标准_第3页
3/15
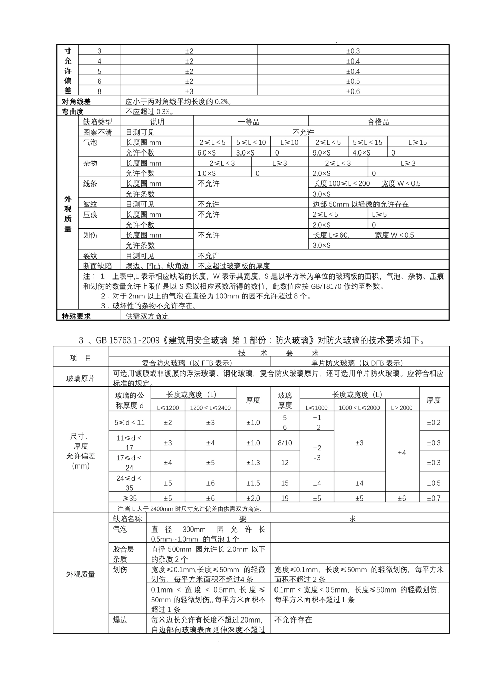
. . 一 、 建 筑 玻 璃 的 标 准 体 系 1、 建 筑 玻 璃 平 板 玻 璃 是 指 板 状 的 硅 酸 盐 玻 璃 。 它 主 要 有 用 垂 直 引 上 法 和 平 拉 法 生 产 的 普 通 平 板 玻 璃 ; 用 浮 法 工 艺生 产 的 浮 法 平 板 玻 璃 ; 采 用 浮 法 工 艺 生 产 的 , 成 份 中 三 氧 化 二 铁 含 量 不 大 于 0.015%, 具 有 高 可 见 光 透 射 率比 的 平 板 玻 璃 ; 用 压 延 法 生 产 的 表 面 带 有 花 纹 图 案 、 透 光 但 不 透 明 的 压 花 平 板 玻 璃 ; 用 压 延 法 生 产 的 部 夹有 金 属 丝 或 网 的 夹 丝 平 板 玻 璃 ; 并 在 上 述 玻 璃 成 份 中 加 入 着 色 剂 使 玻 璃 显 现 一 定 颜 色 的 着 色 平 板 玻 璃 。 曲 面 玻 璃 是 在 平 板 玻 璃 经 二 次 热 加 工 而 形 成 的 曲 面 玻 璃 也 可 称 为 热 弯 玻 璃 。 为 提 高 玻 璃 的 强 度 、 保 证 玻 璃 的 安 全 性 和 增 加 玻 璃 的 使 用 功 能 , 经 二 次 加 工 制 成 防 火 玻 璃 ; 钢 化 玻 璃( 钢 化 玻 璃 又 分 为 物 理 钢 化 玻 璃 和 化 学 钢 化 玻 璃 ; 物 理 钢 化 玻 璃 又 分 为 半 钢 化 玻 璃 、 钢 化 玻 璃 和 均 值 钢 化玻 璃 ); 镀 膜 玻 璃 ( 可 分 为 离 线 镀 膜 玻 璃 和 再线 镀 膜 玻 璃 ); 釉面 玻 璃 等。 为 了满足建筑的 需要 直 接采 用 上 述 玻 璃 的 单片和 采 用 上 述 玻 璃 经 合成 而 形 成 的 中 空玻 璃 和 真空玻 璃 。 为 了满足建筑的 特殊需要 而 制 成 的 镶嵌玻 璃 、 建筑用 U 型玻 璃 、 光 栅玻 璃 、 防 弹玻 璃 、 空心玻 璃 砖贴膜 玻 璃 、 和 建筑玻 璃 制 品等。 2、 现 行 的 建 筑 玻 璃 标 准 序号 标 准 号 标 准 名 称 代 替 标 准 号 1 GB/T 15764--2008 《 平 板 玻 璃 术 语 》 GB/T 15764--1995 2 GB 11614-2009 《 平 板 玻 璃 》 GB 11614— 1999 GB/T 4871-1995 GB/T 18701-2002 3 JC/T...

1、当您付费下载文档后,您只拥有了使用权限,并不意味着购买了版权,文档只能用于自身使用,不得用于其他商业用途(如 [转卖]进行直接盈利或[编辑后售卖]进行间接盈利)。
2、本站所有内容均由合作方或网友上传,本站不对文档的完整性、权威性及其观点立场正确性做任何保证或承诺!文档内容仅供研究参考,付费前请自行鉴别。
3、如文档内容存在违规,或者侵犯商业秘密、侵犯著作权等,请点击“违规举报”。

碎片内容

建筑玻璃系列的国家标准

您可能关注的文档

确认删除?
VIP
微信客服
  • 扫码咨询
会员Q群
  • 会员专属群点击这里加入QQ群
客服邮箱
回到顶部