电脑桌面
添加小米粒文库到电脑桌面
安装后可以在桌面快捷访问

建筑结构图例与符号

建筑结构图例与符号_第1页
1/28
建筑结构图例与符号_第2页
2/28
建筑结构图例与符号_第3页
3/28
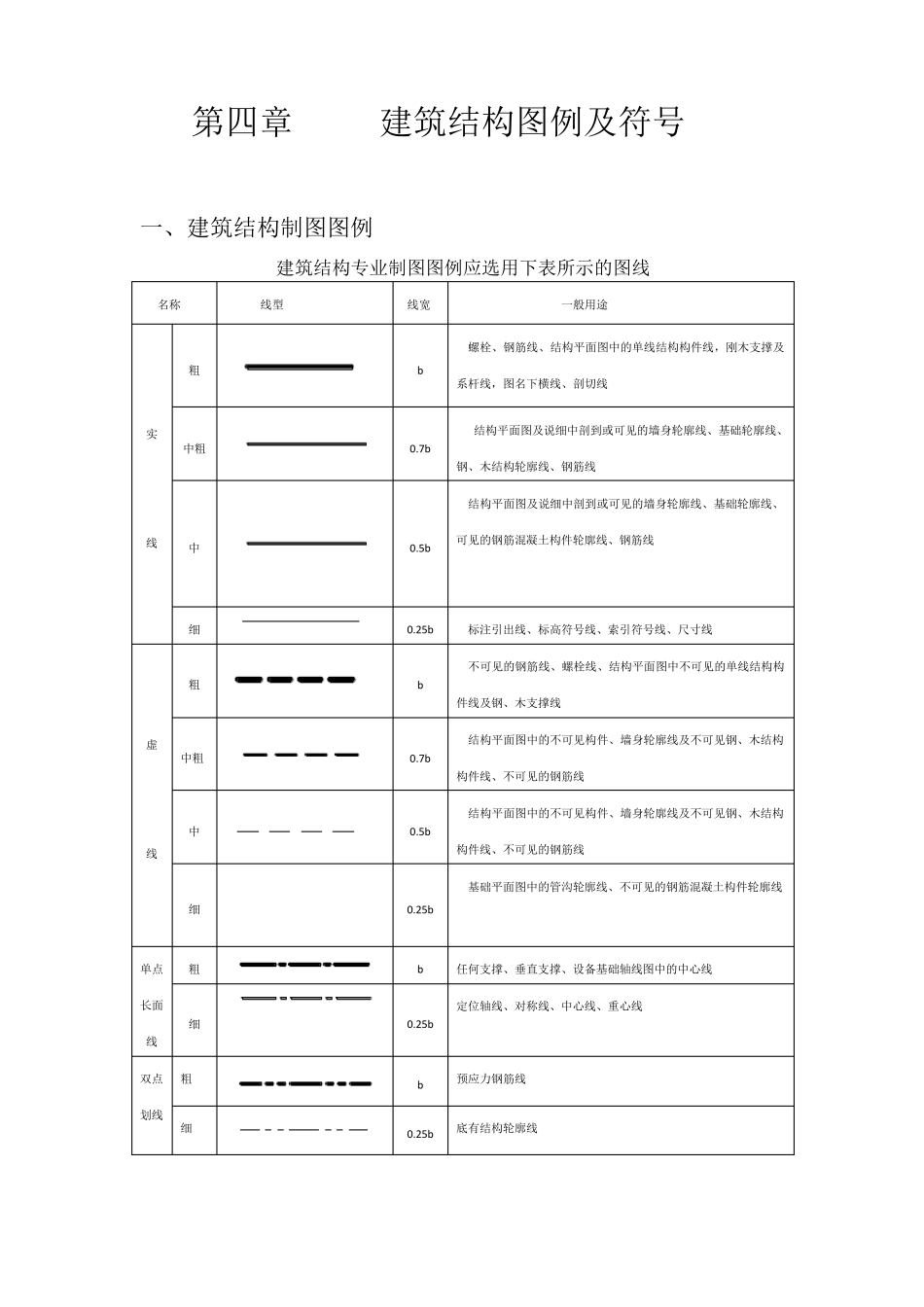
第四章 建筑结构图例及符号 一、建筑结构制图图例 建筑结构专业制图图例应选用下表所示的图线 名称 线型 线宽 一般用途 实 线 粗 b 螺栓、钢筋线、结构平面图中的单线结构构件线,刚木支撑及系杆线,图名下横线、剖切线 中粗 0.7b 结构平面图及说细中剖到或可见的墙身轮廓线、基础轮廓线、钢、木结构轮廓线、钢筋线 中 0.5b 结构平面图及说细中剖到或可见的墙身轮廓线、基础轮廓线、可见的钢筋混凝土构件轮廓线、钢筋线 细 0.25b 标注引出线、标高符号线、索引符号线、尺寸线 虚 线 粗 b 不可见的钢筋线、螺栓线、结构平面图中不可见的单线结构构件线及钢、木支撑线 中粗 0.7b 结构平面图中的不可见构件、墙身轮廓线及不可见钢、木结构构件线、不可见的钢筋线 中 0.5b 结构平面图中的不可见构件、墙身轮廓线及不可见钢、木结构构件线、不可见的钢筋线 细 0.25b 基础平面图中的管沟轮廓线、不可见的钢筋混凝土构件轮廓线 单点长面线 粗 b 任何支撑、垂直支撑、设备基础轴线图中的中心线 细 0.25b 定位轴线、对称线、中心线、重心线 双点 划线 粗 b 预应力钢筋线 细 0.25b 底有结构轮廓线 折断线 0.25b 断开界线 波浪线 0.25b 断开界线 二、结构平面图应按下图的规定采用正投影法绘制,特殊情况下也可采用仰视投影绘制 用正投影法绘制预制楼板结构平面图 节点详图 三、桁架式结构的几何图可用单线图表示,杆件的轴线长度尺寸应标注在构件的上方 对称杆件几何尺寸标注方法 四、结构平面图中索引剖视详图、断面详图编号顺序表示方法 结构平面图中索引剖视详图、断面详图编号顺序表示方法 五、制图比例 在同一张图纸中,相同比例的各图样,应选用相同的线宽组。 绘图时根据图样的用途被绘物体的复杂程度,应选用表中的常用比例,特殊情况下也可选用可用比例。 图名 常用比例 可用比例 结构平面图 1 :5 0 ;1 :1 0 0 ;1 :1 5 0 1 :6 0 ;1 :2 0 0 基础平面图 圈梁平面图,总图中管沟、地下设施等 1 :2 0 0 ;1 :5 0 0 1 :3 0 0 详图 1 :1 0 ;1 :2 0 ;1 :5 0 1 :5 ;1 :3 0 ;1 :2 5 六、钢筋的一般表示方法 1、一般钢筋表示方法 序号 名称 图例 说明 1 钢筋横断面 2 无弯钩的钢筋端部 下图表示长、短钢筋投影重叠时,短钢筋的端部用 45°斜画线表示 3 带半圆形弯钩的钢筋端部 4 带直钩的钢...

1、当您付费下载文档后,您只拥有了使用权限,并不意味着购买了版权,文档只能用于自身使用,不得用于其他商业用途(如 [转卖]进行直接盈利或[编辑后售卖]进行间接盈利)。
2、本站所有内容均由合作方或网友上传,本站不对文档的完整性、权威性及其观点立场正确性做任何保证或承诺!文档内容仅供研究参考,付费前请自行鉴别。
3、如文档内容存在违规,或者侵犯商业秘密、侵犯著作权等,请点击“违规举报”。

碎片内容

建筑结构图例与符号

小辰6+ 关注
实名认证
内容提供者

出售各种资料和文档

确认删除?
VIP
微信客服
  • 扫码咨询
会员Q群
  • 会员专属群点击这里加入QQ群
客服邮箱
回到顶部