电脑桌面
添加小米粒文库到电脑桌面
安装后可以在桌面快捷访问

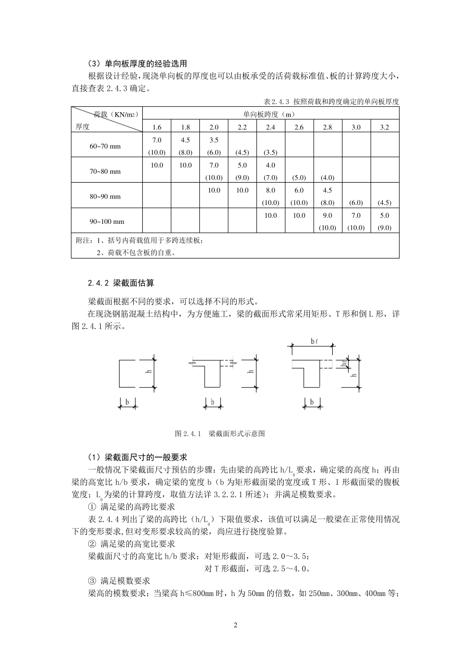
建筑结构截面估算

建筑结构截面估算_第1页
1/7
建筑结构截面估算_第2页
2/7
建筑结构截面估算_第3页
3/7
1 2.4 构件截面估算 构 件 截 面 尺 寸 的 预 估 建 立 在 大 量 实 践 经 验 基 础 之 上 , 属 于 概 念 设 计 的 部 分 内 容 , 侧 重 于对 构 造 的 要 求 。 2.4.1 板厚估算 前 述 : 由 于 建 筑 使 用 功 能 的 不 同 , 结 构 平 面 布 置 总 呈 现 出 一 定 的 不 规 则 性 , 实 际 工 程中 的 楼 面 板 ( 屋 面 板 ) 布 置 常 常 是 若 干 块 单 向 板 和 若 干 块 双 向 板 的 有 机 组 合 。 楼 面 板 ( 屋 面 板 ) 厚 度 的 选 用 应 根 据 使 用 环 境 、 受 力 情 况 、 荷 载 与 跨 度 等 条 件 综 合 考 虑 ,满 足 承 载 力 、 挠 度 和 裂 缝 控 制 等 各 方 面 要 求 ; 满 足 使 用 要 求 ( 包 括 防 火 要 求 )、 施 工 要 求 及经 济 要 求 。 现 浇 板 的 厚 度 一 般 为10mm 的 倍数,常 用 板 厚 为80~160mm,特殊情 况 下(如结 构 转换层)可达800~1000mm、 或者更厚 。 由 于 楼 面 板 ( 屋 面 板 ) 混凝土用 量 占整个楼 盖( 屋 盖) 混凝土用 量 的 50%以上 , 因此在满 足 设 计 要 求 的 前 提下, 板 厚 尽可能 薄些。 ( 1) 满 足 板 的 最小厚 度 要 求 钢筋混凝土现 浇 板 的 最小厚 度 由 其耐久性 要 求 和 施 工 要 求 决定 , 按照《混凝土规 范》10.1.1 确定 , 设 计 时可参考 表2.4.1。 表2.4.1 现 浇 钢筋混凝土板 的 最小厚 度 板 的 类型 最小厚 度 ( mm) 单 向 板 屋 面 板 60 民用 建 筑 楼 板 60 工 业建 筑 楼 板 70 行车道下楼 板 80 双 向 板 80 密肋板 肋间距≤700m m 时 40 肋间距>700m m 时 50 悬臂板 板 悬臂长度 L≤500m m 时 悬臂板 根 部 70, 端部 60 板 悬臂长度 L>500m m 时 悬臂板 根 部 取 80 及 L/10 两者中 大 值, 端部 60 无梁楼 盖 150 附注: 1、 实 际 工 程 中 由 于 双 层配置 楼 板 钢筋, 现 浇 板 的 最小厚 度 常 常 取 80mm; 2、 当板 的 跨 度 >4000mm 时, 板 的 厚 度 应 适当增加。 (2)满足板的最小...

1、当您付费下载文档后,您只拥有了使用权限,并不意味着购买了版权,文档只能用于自身使用,不得用于其他商业用途(如 [转卖]进行直接盈利或[编辑后售卖]进行间接盈利)。
2、本站所有内容均由合作方或网友上传,本站不对文档的完整性、权威性及其观点立场正确性做任何保证或承诺!文档内容仅供研究参考,付费前请自行鉴别。
3、如文档内容存在违规,或者侵犯商业秘密、侵犯著作权等,请点击“违规举报”。

碎片内容

建筑结构截面估算

确认删除?
VIP
微信客服
  • 扫码咨询
会员Q群
  • 会员专属群点击这里加入QQ群
客服邮箱
回到顶部