电脑桌面
添加小米粒文库到电脑桌面
安装后可以在桌面快捷访问

建筑给水排水图例与符号

建筑给水排水图例与符号_第1页
1/20
建筑给水排水图例与符号_第2页
2/20
建筑给水排水图例与符号_第3页
3/20
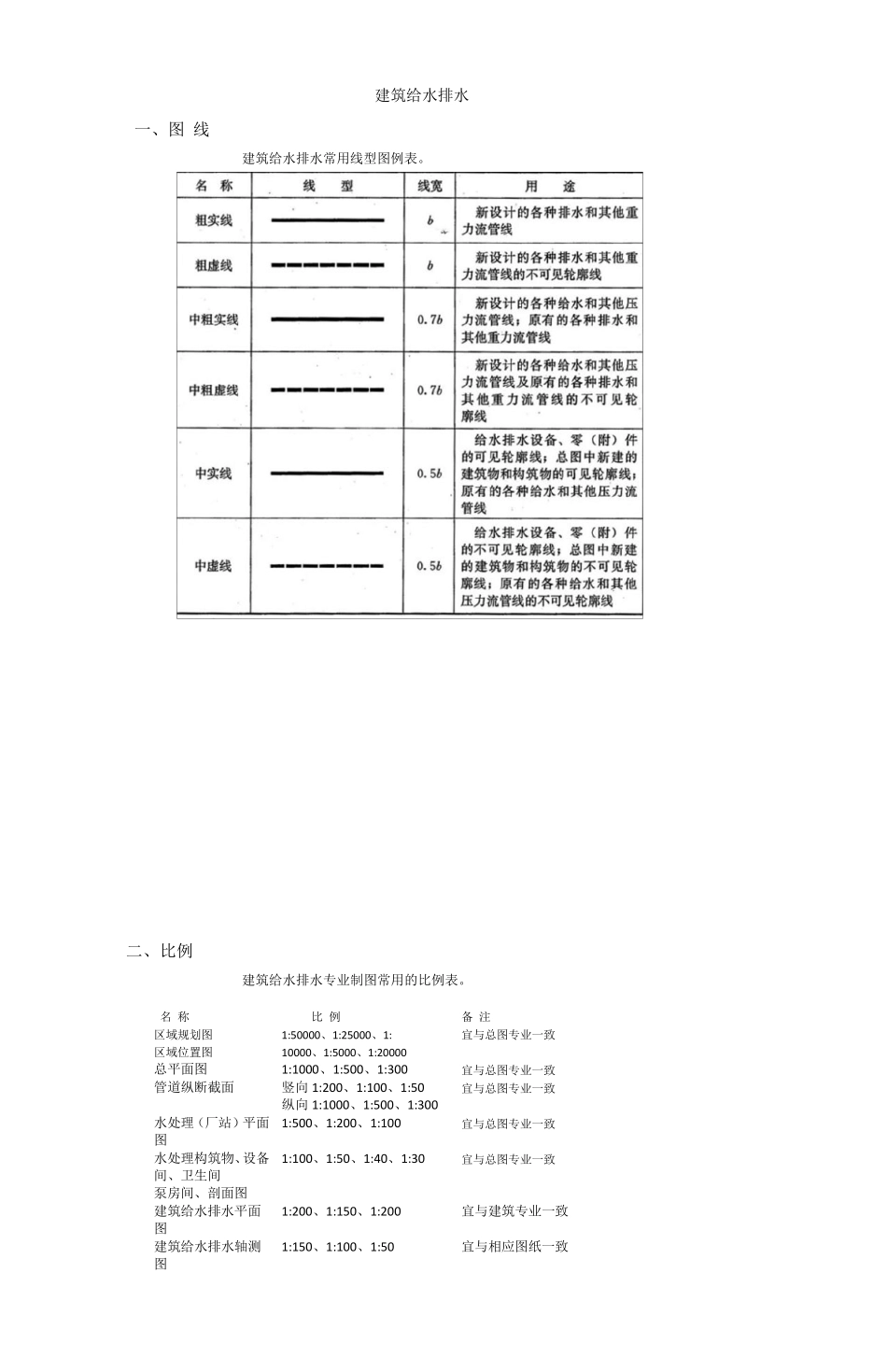
建筑给水排水 一、图 线 建筑给水排水常用线型图例表。 二、比例 建筑给水排水专业制图常用的比例表。 名 称 比 例 备 注 区域规划图 区域位置图 1:50000、1:25000、1: 10000、1:5000、1:20000 宜与总图专业一致 总平面图 1:1000、1:500、1:300 宜与总图专业一致 管道纵断截面 竖向 1:200、1:100、1:50 纵向 1:1000、1:500、1:300 宜与总图专业一致 水处理(厂站)平面图 1:500、1:200、1:100 宜与总图专业一致 水处理构筑物、设备间、卫生间 泵房间、剖面图 1:100、1:50、1:40、1:30 宜与总图专业一致 建筑给水排水平面图 1:200、1:150、1:200 宜与建筑专业一致 建筑给水排水轴测图 1:150、1:100、1:50 宜与相应图纸一致 详图 1:50、1:30、1:20、1:10、1:5、1:2、1:1、2:1 。 三、标高的标注 1、室内工程应标注相对标高;室外工程宜标注绝对标高,当无绝对标高资料时,可标注相对标高,但应总图专业一致。 2、压力管道应标注中心标高;重力流管道和沟渠宜标注管(沟)内底标高。标高单位以m 计时,可注写到小数点后第二位。 3、标高的标注方法应符合下列规定: (1)平面图中,管道标高应按下图中的方式标注; 平面图中管道标高标注法 (2)平面图中,沟渠标高应按下图的方式标注 平面图中沟渠标高标注法 ((3)剖面图中,管道及水位标高应按下图的方式标注 剖面图中管道及水位标高标注法 (4)、轴测图中,管道标高应按图2.3.5-4 的方式标注。 轴测图中管道标高标注法 (5)建筑物内的管道也可以按本层建筑地面的标高加管道安装高度的方式标注管道标高,标注方法应为 H+X,XX,H 表示本层建筑地面标高。 四、管径 1 、管径的单位应为 mm。 2、管径的表达方式应符合下列规定: (1) 水煤气输送钢管(镀锌或非镀锌)、铸铁管等管材,管径宜以工程直径 DX 壁厚表示; (2) 无缝钢管、焊接钢管(直缝或螺旋缝)等管材,管径宜以外径 DX 壁厚表示; (3) 钢管、薄壁不锈钢管等管材,管径宜以公称 Dw 表示; (4)建筑给水排水塑料管材,管径宜以外径 dn 表示; (5)钢筋混凝土(或混凝土)管,管径宜以内径 d 表示; (6)复合管、结构壁塑料管等管材,管径应按产品标准的方法表示; (7)当设计中均采用公称直径 DN 表示管径时,应有公称直径 DN 与相应产品规格对照表。 3、管径的标注方法应符合下列规定: (1) 单根管道时,管径应按下图的方式...

1、当您付费下载文档后,您只拥有了使用权限,并不意味着购买了版权,文档只能用于自身使用,不得用于其他商业用途(如 [转卖]进行直接盈利或[编辑后售卖]进行间接盈利)。
2、本站所有内容均由合作方或网友上传,本站不对文档的完整性、权威性及其观点立场正确性做任何保证或承诺!文档内容仅供研究参考,付费前请自行鉴别。
3、如文档内容存在违规,或者侵犯商业秘密、侵犯著作权等,请点击“违规举报”。

碎片内容

建筑给水排水图例与符号

小辰4+ 关注
实名认证
内容提供者

出售各种资料和文档

确认删除?
VIP
微信客服
  • 扫码咨询
会员Q群
  • 会员专属群点击这里加入QQ群
客服邮箱
回到顶部