电脑桌面
添加小米粒文库到电脑桌面
安装后可以在桌面快捷访问

建筑钢结构施工详图

建筑钢结构施工详图_第1页
1/9
建筑钢结构施工详图_第2页
2/9
建筑钢结构施工详图_第3页
3/9
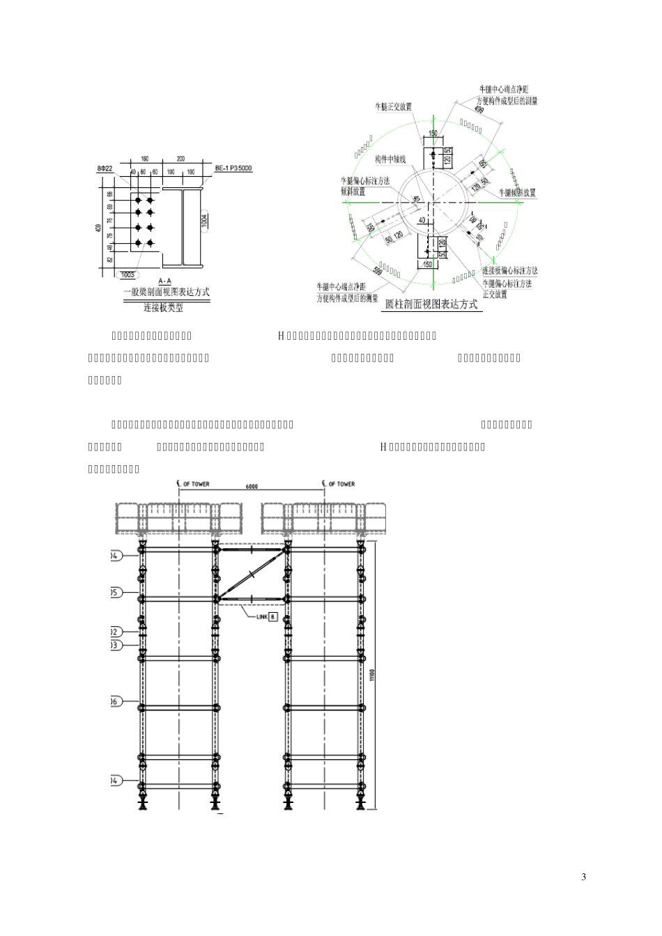
1 建筑钢结构的施工详图 ---技术交流会发言提纲 1. 工艺 含义: 简言之,就是加工的艺术,是落实在书面上的加工技术。 1.1 工艺详图 设计院设计的钢结构的施工图和土建施工图有所不同,土建结施图可直接用于施工,但钢结构的结施图,特别是大型的和复朵的钢结构的结施图从本质上讲只给工厂生产和现场安装的技术和管理人员使用。通常需要深化设计。深化设计后的图在GB50755-2012《钢结构工程施工规范》规范中叫施工详图。我们现在详图设计中心出的详图,也应是施工详图,但“施工”通常指现场的安装,对于在钢结构车间制作,由于制作加工必须考虑加工车间的设备等生产条件,它的加工工艺性要求更显得突出,所以其施工详图我们更宜叫它工艺详图。 在中小型钢结构工厂,产品多为门式刚架类的轻钢结构,由于用材较薄,结构简单,所需加工用设备种类少,且为通用设备。所以它的详图中的工艺性要素少。有时甚至直接拿原设计图到车间,详图数量也很少的,其详图也不用考虑工艺性,制作工人在加工时自己会考虑定位基准等工艺性要求。所以许多钢构厂的详图多为几何图形和理论尺寸的体现。 鸿路公司今后要向承接重大型工程项目发展,详图中加强工艺性要求便突出呈现在我们面前。现在公司经深化设计后的详图直接用于生产还很些欠缺,主要是缺少具体的加工工艺要 素,还有设计院直接提供的详图,和总部设计中心的详图,由于它是通用性的详图,它的加工 工艺性更为粗略,也就是缺少直接提供工人加工用的要素,他们的图必须再经制作分厂的技术 人员进行工艺审查才能有用。 工艺详图中一般包括工厂制作和现场安装两类,但工厂制作的成品部件(指发货时的单体 构件)的详图通常也是要用于现场的,所以安装的一些工艺要素也要有。所以制作用的工艺详 图有成品构件的装配详图,由成品部件分离开的小部件装配详图,下料图,展开料图,含加工要素的零件图,必要的工序图等。工艺详图中的尺寸应是加工和检验用的尺寸,图中有加工和装配的基准、偏差值、切割焊接缩放量 、焊接的坡口、焊缝要求等工艺要素都溶入到图纸中。 对于重大工程,工艺详图原则上还应考虑按照工程项目在技术标书和施工组织设计中所确定的工艺方案来设计。 工艺详图的设计由于要包含工艺要素,所以在设计时要以设计图和合同为依据(即要考虑 项目的进度、质量要求及合同中的其它要求),且应根据确定的制作厂、车间的设备布置和成 品构件的装卸运输特点,成品构件详图还要根据...

1、当您付费下载文档后,您只拥有了使用权限,并不意味着购买了版权,文档只能用于自身使用,不得用于其他商业用途(如 [转卖]进行直接盈利或[编辑后售卖]进行间接盈利)。
2、本站所有内容均由合作方或网友上传,本站不对文档的完整性、权威性及其观点立场正确性做任何保证或承诺!文档内容仅供研究参考,付费前请自行鉴别。
3、如文档内容存在违规,或者侵犯商业秘密、侵犯著作权等,请点击“违规举报”。

碎片内容

建筑钢结构施工详图

确认删除?
VIP
微信客服
  • 扫码咨询
会员Q群
  • 会员专属群点击这里加入QQ群
客服邮箱
回到顶部