电脑桌面
添加小米粒文库到电脑桌面
安装后可以在桌面快捷访问

养路工动作标准VIP免费

养路工动作标准_第1页
1/6
养路工动作标准_第2页
2/6
养路工动作标准_第3页
3/6
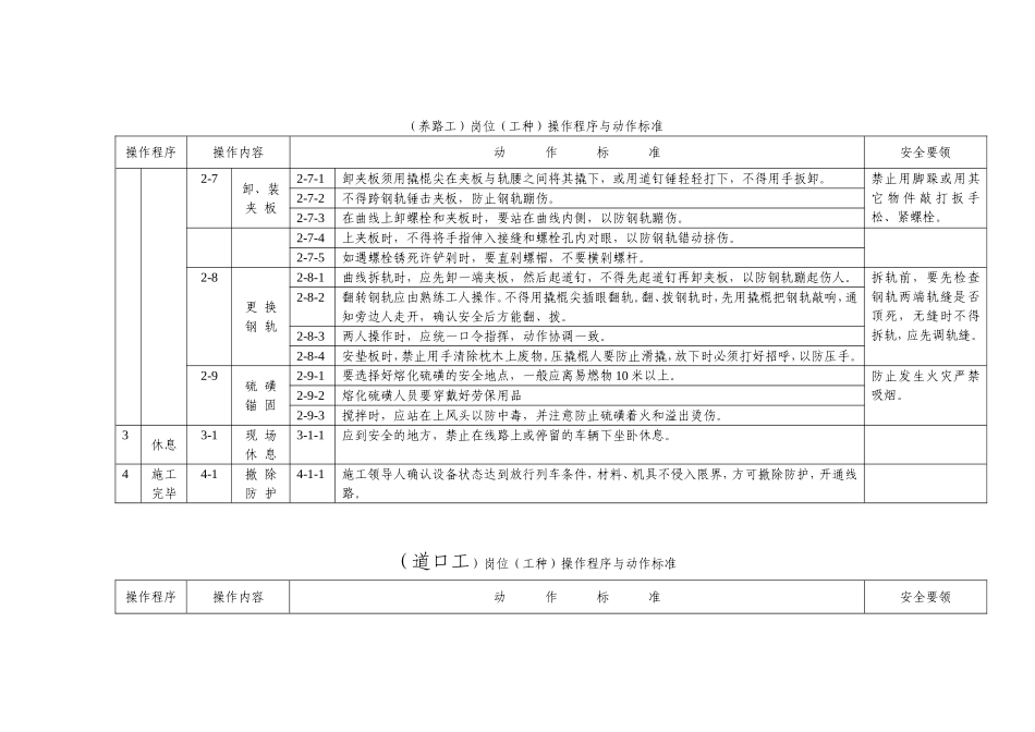
(养路工)岗位(工种)操作程序与动作标准操作程序操作内容动作标准安全要领1作业准备1-1工作前1-1-1施工领导人必须根据工作情况讲解有关安全注意事项,落实安全措施,并派班组安全员负责安全检查,确保工作安全。上班前不得饮酒,严禁穿凉鞋、拖鞋。1-1-2按规定穿戴好劳保用品。1-1-3应对使用工、机具进行检查,不合要求禁止使用。1-2施工前1-1必须落实施工安全措施,备齐防护信号,按规定办理好封锁或慢行施工手续,施工领导人确认好防护后,方可开工。2线路作业2-1起道2-1-1起道机应由熟练工人操作。起道铁棍长度不宜超过1.5米,禁止两人一起压。在视线不良地段使用起道机起道,一贯派防护员在适当地点进行防护,并加强了望。2-1-2起道机要安放平稳,对面不准站人,起道时铁棍要插牢起够高度后,起道铁棍要抽出,禁止压着起道机打塞,防止反弹伤人。2-1-3抬起钢轨后,不得将手脚伸入轨底、枕底。2-1-4松时不得过猛,除特殊情况外,禁止放炮。不得摔、砸起道机。2-2捣固2-2-1前后捣固人员的间隔不少于三根轨枕(道岔四根)的安全距离。2-2-2捣固时,应先用镐尖将枕底道碴串实,如有不适宜的大石块应先扒开,再行捣固,以防石渣飞起伤人。2-2-3转镐时,保持正直,镐要高举过头才能转镐,并注意相邻人员。2-2-4排镐捣固时,要统一口令指挥,行动一致。2-2-5清除轨枕吊板尘土时,禁止把手伸入轨底。2-3拨道2-3-1插撬棍时,前后人员要互相注意,以免碰伤。2-3-2撬棍要尖端向下插入轨底,与地面成45°~60°左右角度,先轻拨,确认查牢后才能使劲拨,防止撬棍滑出伤人。拨道撬棍长度不应短于1.5米,拿撬棍时手要封头。(养路工)岗位(工种)操作程序与动作标准操作程序操作内容动作标准安全要领2-3-3不准骑撬棍拨道。拨道时要注意指挥人员手势和呼号,行动一致2-3-4转移时,要统一行动,不要将撬棍扛在肩上和横拿,应顺钢轨斜拿,前后人员要互相注意,以防碰伤。2-4起道钉2-4-1起道钉须用起钉撬棍或起钉器。2-4-2用撬棍起钉时,拿撬棍的手应错开钢轨面,以防压手,在外测起钉时,应注意两测障碍物,不要用力过猛,以防碰手。2-4-3起钉时,禁止用脚踩、腹压或用其他物件打撬的方法起钉,以防伤人2-4-4两股钢轨同时起里股道钉时,至少要相隔两根轨枕的安全距离,以免互相碰伤。2-4-5起不出的无头,用道钉、冲钉时许用钳子或撬棍爪夹住,不得直接用手拿道钉去冲钉。2-4-6用起钉器起钉时,头部应偏向两侧。2-5钉道钉2-5-1禁止道钉锤在头上旋转和左右不断交替的“打花锤。”举锤前,应先看清工作范围是否有人或障碍影响,确认工作安全后方能举锤打钉2-5-2道钉必须垂直栽入,先轻锤栽入约30毫米以稳钉,再垂直打入,防止飞钉伤人,不要横打归钉。2-5-3压撬棍人必须要将撬棍垫牢,不准坐,脚踩或跨压撬棍,头不要和打钉人出锤方向在一条直线上。2-5-4弯曲道钉应用直钉整齐,不要在钢轨上直钉。2-5-5钉道时,组与组之间的间隔应有不少于五根轨枕的安全距离。2-6更换枕木2-6-1在抽出和拉入枕木时,均应使用枕木夹该钳,不用用力过猛,以防闪倒。2-6-2禁止用道镐耙等拖、挖枕木或直接用手去扳。(养路工)岗位(工种)操作程序与动作标准操作程序操作内容动作标准安全要领2-7卸、装夹板2-7-1卸夹板须用撬棍尖在夹板与轨腰之间将其撬下,或用道钉锤轻轻打下,不得用手扳卸。禁止用脚跺或用其它物件敲打扳手松、紧螺栓。2-7-2不得跨钢轨锤击夹板,防止钢轨蹦伤。2-7-3在曲线上卸螺栓和夹板时,要站在曲线内侧,以防钢轨蹦伤。2-7-4上夹板时,不得将手指伸入接缝和螺栓孔内对眼,以防钢轨错动挤伤。2-7-5如遇螺栓锈死许铲剁时,要直剁螺帽,不要横剁螺杆。2-8更换钢轨2-8-1曲线拆轨时,应先卸一端夹板,然后起道钉,不得先起道钉再卸夹板,以防钢轨蹦起伤人。拆轨前,要先检查钢轨两端轨缝是否顶死,无缝时不得拆轨,应先调轨缝。2-8-2翻转钢轨应由熟练工人操作。不得用撬棍尖插眼翻轨。翻、拨钢轨时,先用撬棍把钢轨敲响,通知旁边人走开,确认安全后方能翻、拨。2-8-3两人操作时,应统一口令指挥,动作协调一致。2-8-4安垫板时,禁止用手清除枕木上废物。压撬棍人要防止滑撬,放下时必须打好招...

1、当您付费下载文档后,您只拥有了使用权限,并不意味着购买了版权,文档只能用于自身使用,不得用于其他商业用途(如 [转卖]进行直接盈利或[编辑后售卖]进行间接盈利)。
2、本站所有内容均由合作方或网友上传,本站不对文档的完整性、权威性及其观点立场正确性做任何保证或承诺!文档内容仅供研究参考,付费前请自行鉴别。
3、如文档内容存在违规,或者侵犯商业秘密、侵犯著作权等,请点击“违规举报”。

碎片内容

养路工动作标准

确认删除?
VIP
微信客服
  • 扫码咨询
会员Q群
  • 会员专属群点击这里加入QQ群
客服邮箱
回到顶部