电脑桌面
添加小米粒文库到电脑桌面
安装后可以在桌面快捷访问

自动扶梯与自动人行道安全评价报告

自动扶梯与自动人行道安全评价报告_第1页
1/6
自动扶梯与自动人行道安全评价报告_第2页
2/6
自动扶梯与自动人行道安全评价报告_第3页
3/6
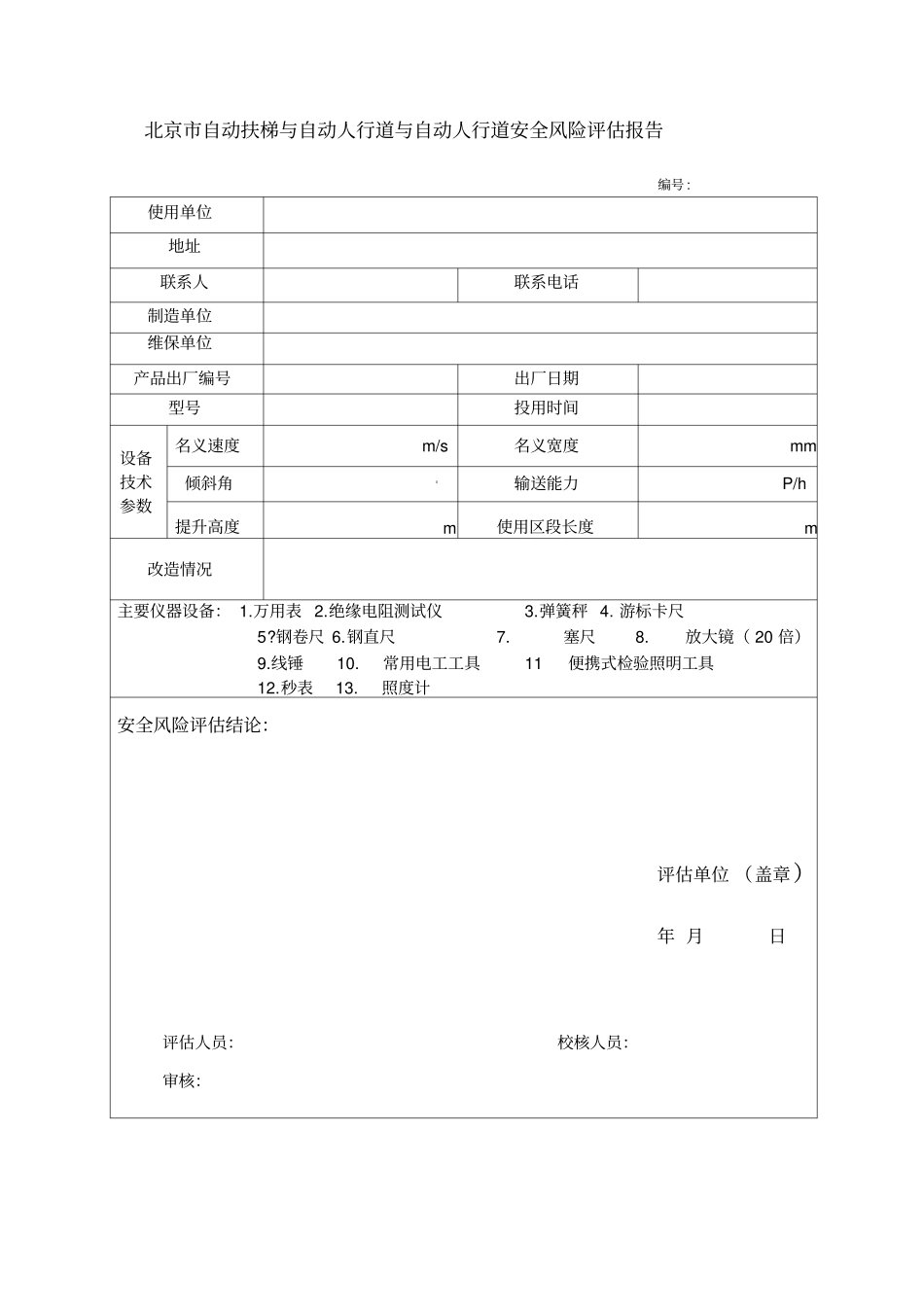
附件: 2报告编号: ZX- PGFT2015 〉xxx-xxxx 北京市自动扶梯与自动人行道与自动人行道安全风险评估报告使用单位: ____________________________________ 单位内编号: __________________________________ 注册代码: ___________________________________ 评估日期: ____________________________________ 评估单位: ___________________________________ 注意事项1. 本报告仅供北京市自动扶梯与自动人行道与自动人行道安全评估用。2. 报告应当由计算机打印输出,或者用钢笔、 签字笔填写, 字迹 要工整,涂改无效。3. 本报告无评估小组人员签字和评估单位检验专用章无效。4. 本报告书一式三份,由使用单位、区县质量技术监督局和评估机构分别保存。5. 自动扶梯与自动人行道使用单位对本报告结论如有异议,请在 收到报告书之日起 15 日内,向北京市质量技术监督局提出书面意见。北京市自动扶梯与自动人行道与自动人行道安全风险评估报告编号 : 使用单位地址联系人联系电话制造单位维保单位产品出厂编号出厂日期型号投用时间设备技术参数名义速度m/s名义宽度mm倾斜角0输送能力P/h提升高度m使用区段长度m改造情况主要仪器设备: 1.万用表 2.绝缘电阻测试仪3.弹簧秤 4. 游标卡尺5?钢卷尺 6.钢直尺7. 塞尺8. 放大镜( 20 倍)9.线锤10. 常用电工工具11 便携式检验照明工具12.秒表13. 照度计安全风险评估结论:评估单位 (盖章)年 月日评估人员:校核人员:审核:编号 : 序号项目和内容结论1使用 环境 与资料1.1 使用场所与设备型号设备资料1.2 使用管理状况1.3 维护保养记录1.4 故障、事故记录1.5 大修、改造、更换记录1.6 零配件供应情况1.7 其他随机技术文件1.8 各类警示标志、防碰挡板、防护装置及警示标识2支撑 结构 和围板2.1 支撑结构2.2 外装饰板强度2.3 护壁板之间的空隙2.4 围裙板接缝2.5 防夹装置3驱动 与转 向站3.1 检修盖板保护3.2 专用设备与停止开关3.3 转动部件防护3.4 梯级踏板或胶带的驱动元件保护3.5 驱动装置与转向装置之间的距离缩短保护3.6 导轨4驱动装置4.1 主机固定4.2 电动机4.3 制动器4.4 制动器安全装置4.5 附加制动器4.6 超速保护4.7 非操纵逆转保护5电气 系统5.1 电气兀件、接线5.2 中断驱动主机电源的控制5.3 电气绝缘5.4 接地5.5 短路保护与过载保护6扶手 装置6.1 扶手带6.2 扶手带开口处距离6.3 扶手带入口保护6.4 扶手...

1、当您付费下载文档后,您只拥有了使用权限,并不意味着购买了版权,文档只能用于自身使用,不得用于其他商业用途(如 [转卖]进行直接盈利或[编辑后售卖]进行间接盈利)。
2、本站所有内容均由合作方或网友上传,本站不对文档的完整性、权威性及其观点立场正确性做任何保证或承诺!文档内容仅供研究参考,付费前请自行鉴别。
3、如文档内容存在违规,或者侵犯商业秘密、侵犯著作权等,请点击“违规举报”。

碎片内容

自动扶梯与自动人行道安全评价报告

确认删除?
VIP
微信客服
  • 扫码咨询
会员Q群
  • 会员专属群点击这里加入QQ群
客服邮箱
回到顶部