电脑桌面
添加小米粒文库到电脑桌面
安装后可以在桌面快捷访问

苏州供电公司工程完工增资流程

苏州供电公司工程完工增资流程_第1页
1/4
苏州供电公司工程完工增资流程_第2页
2/4
苏州供电公司工程完工增资流程_第3页
3/4
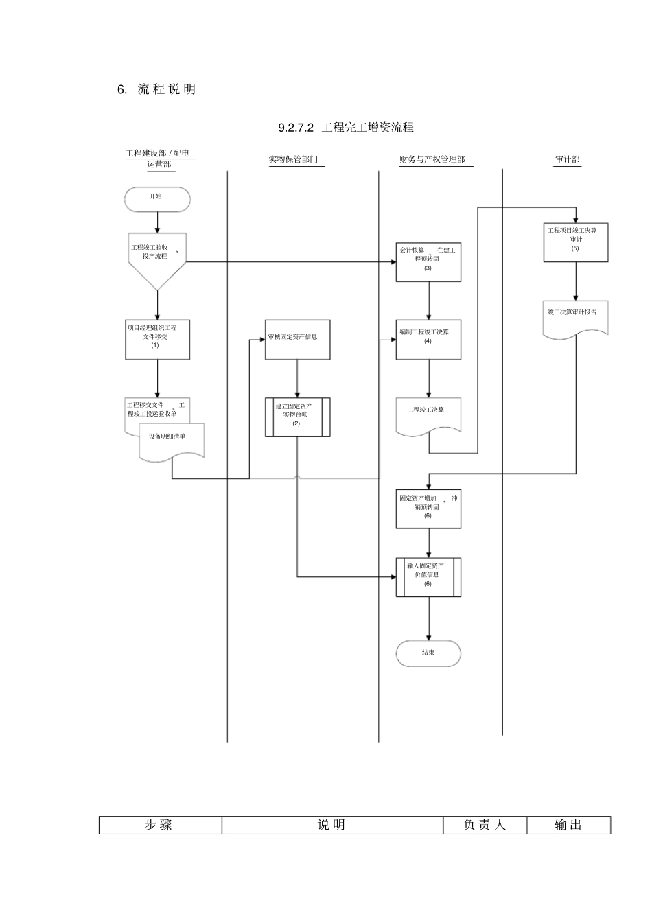
苏 州 供 电 公 司 工 程 完 工 增 资 流 程1. 范 围本 流 程 适 用 于 苏 州 供 电 公 司 新 建 项 目 完 工 增 加 资 产 的 管 理 及 核算 , 具 体 项 目 包 括 : 基 建 、 技 改 、 用 户 投 资 及 非 生 产 性 建 设 项目 。2. 控 制 目 标规 范 工 程 完 工 增 加 资 产 流 程 , 加 快 完 工 增 资 速 度 ; 通 过 对 项 目概 预 算 的 控 制 实 现 项 目 成 本 的 总 体 控 制 。3. 主 要 涉 及 部 门财 务 与 产 权 管 理 部工 程 建 设 部配 电 运 营 部审 计 部4. 主 要 前 提 和 假 设35kV 及 以 上 的 固 定 资 产 由 生 产 技 术 部 负 责 管 理 ;35kV 以 下固 定 资 产 由 配 电 运 营 部 负 责 使 用 管 理 ; 非 生 产 性 固 定 资 产由 总 经 理 工 作 部 或 信 息 中 心 负 责 管 理工 程 项 目 必 须 通 过 竣 工 验 收 , 方 可 进 入 价 值 预 估 和 竣 工 决算 、 转 增 固 定 资 产 等 步 骤项 目 核 算 由 财 务 与 产 权 管 理 部 统 一 负 责5. 主 要 控 制 点固 定 资 产 使 用 部 门 在 投 运 前 负 责 对 工 程 建 设 部 门 提 出 待 竣工 项 目 的 资 料 需 求 , 并 对 资 料 进 行 确 认资 产 使 用 和 管 理 部 门 对 新 增 的 固 定 资 产 信 息 进 行 审 核 , 在手 续 齐 全 和 信 息 完 备 的 前 提 下 , 批 准 转 为 固 定 资 产 , 进 入固 定 资 产 的 管 理 过 程项 目 经 理 必 须 配 合 财 务 部 参 与 工 程 竣 工 决 算 , 提 供 所 有 的结 算 信 息 ; 工 程 项 目 投 运 后 , 财 务 部 根 据 项 目 经 理 提 供 的工 程 投 运 报 告 及 时 进 行 固 定 资 产 的 价 值 预 估 ; 对 110kV 及以 下 投 运 的 工 程 项 目 , 项 目 经 理 应 在 投 运 后 2 个 月 办 理 完成 所 有 工 程 相 关 费 用 结 算 手 续 , 确 保 竣 工 决 算 在 竣 工 投 运后 3 个 月 内 完 成 ; ...

1、当您付费下载文档后,您只拥有了使用权限,并不意味着购买了版权,文档只能用于自身使用,不得用于其他商业用途(如 [转卖]进行直接盈利或[编辑后售卖]进行间接盈利)。
2、本站所有内容均由合作方或网友上传,本站不对文档的完整性、权威性及其观点立场正确性做任何保证或承诺!文档内容仅供研究参考,付费前请自行鉴别。
3、如文档内容存在违规,或者侵犯商业秘密、侵犯著作权等,请点击“违规举报”。

碎片内容

苏州供电公司工程完工增资流程

确认删除?
VIP
微信客服
  • 扫码咨询
会员Q群
  • 会员专属群点击这里加入QQ群
客服邮箱
回到顶部