电脑桌面
添加小米粒文库到电脑桌面
安装后可以在桌面快捷访问

门窗三性试验检测报告模

门窗三性试验检测报告模_第1页
1/9
门窗三性试验检测报告模_第2页
2/9
门窗三性试验检测报告模_第3页
3/9
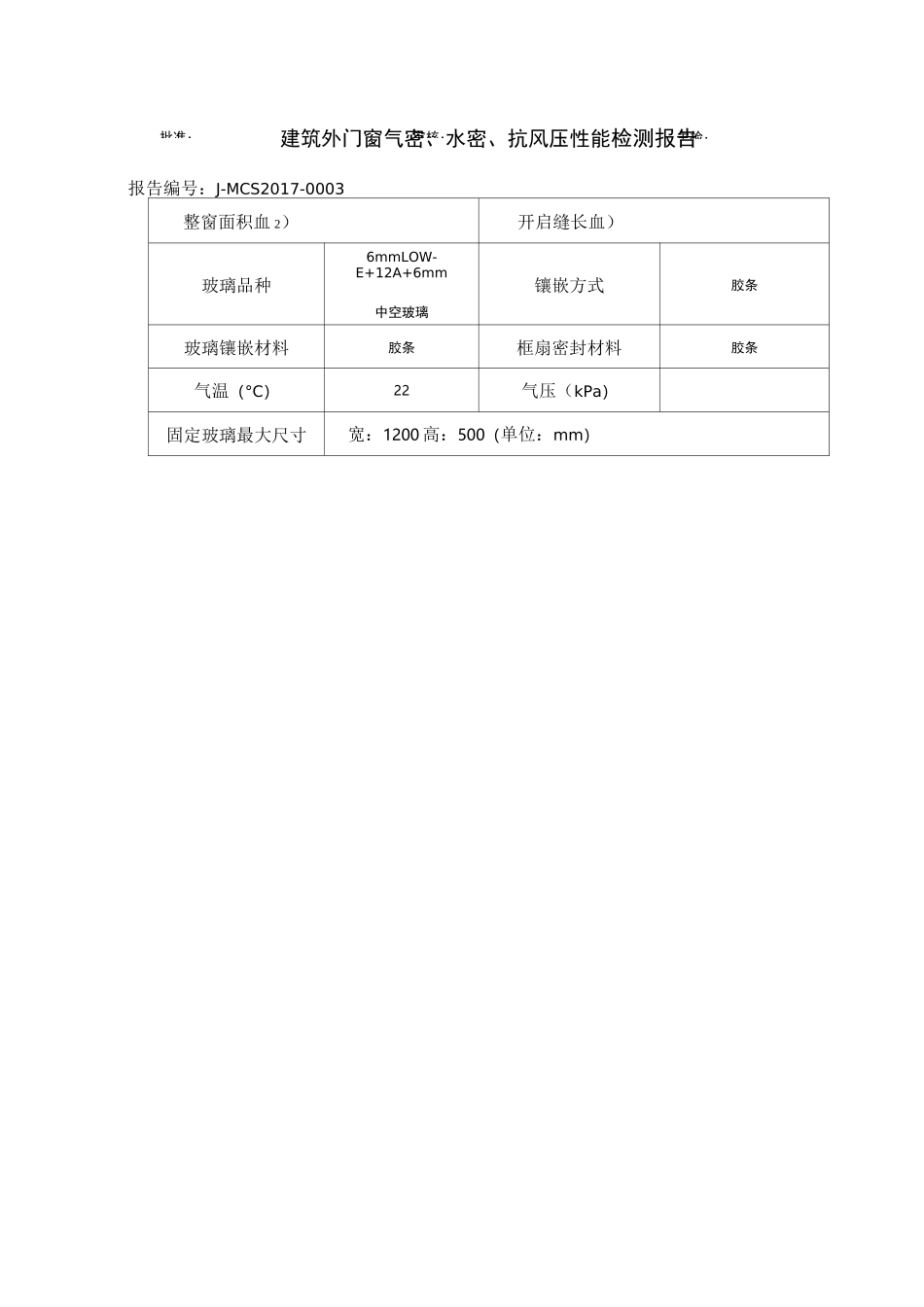
建筑外门窗气密、水密、抗风压性能检测报告报告编号:J-MCS2017-0003样品名称:90 系列推拉铝合金窗 委托单位:XXXXXXXXXXXXXXXXXXXX工程名称:XXXXXXXXXXXXXXXXX检测类别:XXXXXXXXXXXX单位地址:投诉电话:建筑外门窗气密、水密、抗风压性能检测报告报告编号:J-MCS2017-0003见证人单位见证人委托单位委托日期工程名称检测日期制作单位检测依据GB/T7106-2008样品名称90 系列平开铝合金窗试件尺寸(mm)1200*1500*900检测项目抗风压性能、气密性能、水密性能检测数量3 樘仪器设备(1)MW-W-B 型门窗物理性能检测设备(2)钢卷尺(3)空盒气压表(4)温度计工程设计值(级)气密性能6水密性能3抗风压性能5检测值(级)气密性能缝长:正 6 负 6.水密性能3抗风压性能5面积:正 7 负 7.检测结论所检试件满足工程设计要求。说明本试验结果仅与所收到的样品有关;未经本公司批准,不得复制报告(完整复制除外)批准:审核:主检:建筑外门窗气密、水密、抗风压性能检测报告报告编号:J-MCS2017-0003整窗面积血 2)开启缝长血)玻璃品种6mmLOW-E+12A+6mm中空玻璃镶嵌方式胶条玻璃镶嵌材料胶条框扇密封材料胶条气温(°C)22气压(kPa)固定玻璃最大尺寸宽:1200 高:500(单位:mm)检测结果气密性能:1.样品 J-171128-JN01-1:lOPa 下,单位缝长,每小时渗透量为 m s /(h ・ m ) 单位面积,每小时渗透量为 m s / (h ・ m 2 ) — lOPa 下,单位缝长,每小时渗透量为 m s /(h ・ m ) 单位面积,每小时渗透量为 m s / (h ・ m 2 ) 2•样品 J-171128-JN01-2:lOPa 下,单位缝长,每小时渗透量为 m s /(h ・ m ) 单位面积,每小时渗透量为 m s / (h ・ m 2 ) —lOPa 下,单位缝长,每小时渗透量为 m s /(h ・ m ) 单位面积,每小时渗透量为 m s / (h ・ m 2 ) 3•样品 J-171128-JN01-3:lOPa 下,单位缝长,每小时渗透量为 m s /(h ・ m ) 单位面积,每小时渗透量为 m s / (h ・ m 2 ) — lOPa 下,单位缝长,每小时渗透量为 m s /(h ・ m ) 单位面积,每小时渗透量为 m s / (h ・ m 2 ) 该组窗试件的气密性能为:正压国标 6 级,负压国标 6 级。水密性能:抗风压性能:波动加压保持未发生严重渗漏的最高压力为:1•样品 JT71128-JN01-1:300Pa2•样品 J-171128-JN01-2:250Pa3•样品 J-171128-JN01-3:300Pa该组窗试件水密...

1、当您付费下载文档后,您只拥有了使用权限,并不意味着购买了版权,文档只能用于自身使用,不得用于其他商业用途(如 [转卖]进行直接盈利或[编辑后售卖]进行间接盈利)。
2、本站所有内容均由合作方或网友上传,本站不对文档的完整性、权威性及其观点立场正确性做任何保证或承诺!文档内容仅供研究参考,付费前请自行鉴别。
3、如文档内容存在违规,或者侵犯商业秘密、侵犯著作权等,请点击“违规举报”。

碎片内容

门窗三性试验检测报告模

您可能关注的文档

wxg+ 关注
实名认证
内容提供者

该用户很懒,什么也没介绍

确认删除?
VIP
微信客服
  • 扫码咨询
会员Q群
  • 会员专属群点击这里加入QQ群
客服邮箱
回到顶部