电脑桌面
添加小米粒文库到电脑桌面
安装后可以在桌面快捷访问

开关电源各功能电路详解

开关电源各功能电路详解_第1页
1/8
开关电源各功能电路详解_第2页
2/8
开关电源各功能电路详解_第3页
3/8
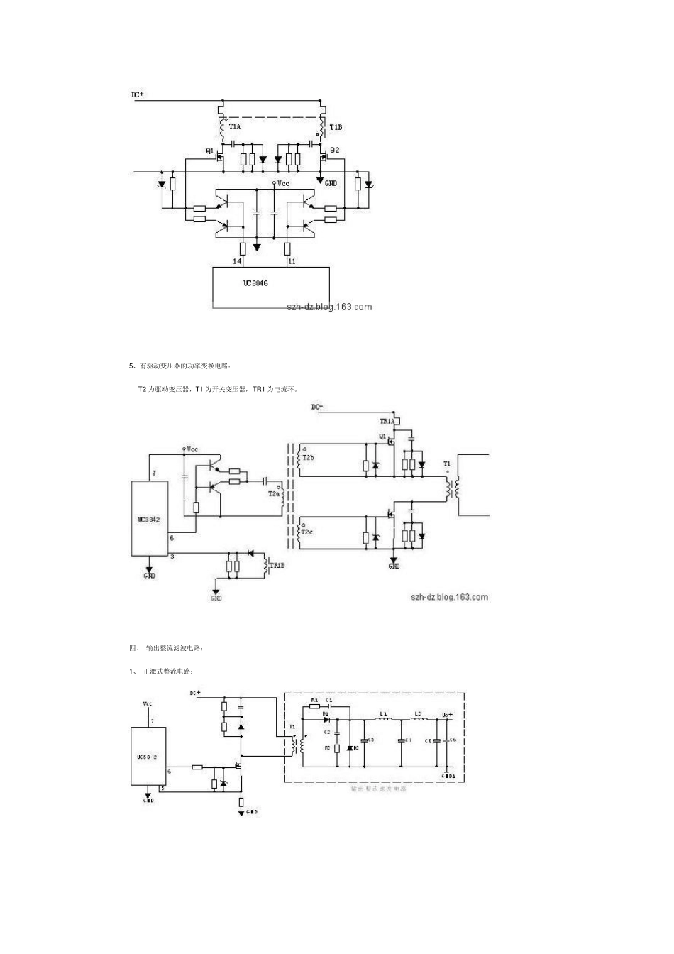
一、 开关电源的电路组成 开关电源的主要电路是由输入电磁干扰滤波器(EMI)、整流滤波电路、功率变换电路、PW M 控制器电路、输出整流滤波电路组成。辅助电路有输入过欠压保护电路、输出过欠压保护电路、输出过流保护电路、输出短路保护电路等。 开关电源的电路组成方框图如下: 二、 输入电路的原理及常见电路 1、AC 输入整流滤波电路原理: ① 防雷电路:当有雷击,产生高压经电网导入电源时,由MOV1、MOV2、MOV3:F1、F2、F3、FDG1 组成的电路进行保护。当加在压敏电阻两端的电压超过其工作电压时,其阻值降低,使高压能量消耗在压敏电阻上,若电流过大,F1、F2、F3 会烧毁保护后级电路。 ② 输入滤波电路:C1、L1、C2、C3 组成的双 π 型滤波网络主要是对输入电源的电磁噪声及杂波信号进行抑制,防止对电源干扰,同时也防止电源本身产生的高频杂波对电网干扰。当电源开启瞬间,要对 C5 充电,由于瞬间电流大,加 RT1(热敏电阻)就能有效的防止浪涌电流。因瞬时能量全消耗在 RT1 电阻上,一定时间后温度升高后 RT1 阻值减小(RT1 是负温系数元件),这时它消耗的能量非常小,后级电路可正常工作。 ③ 整流滤波电路:交流电压经 BRG1 整流后,经 C5 滤波后得到较为纯净的直流电压。若 C5 容量变小,输出的交流纹波将增大。 2、 DC 输入滤波电路原理: ① 输入滤波电路:C1、L1、C2 组成的双 π 型滤波网络主要是对输入电源的电磁噪声及杂波信号进行抑制,防止对电源干扰,同时也防止电源本身产生的高频杂波对电网干扰。C3、C4 为安规电容,L2、L3 为差模电感。 ② R1、R2、R3、Z1、C6、Q1、Z2、R4、R5、Q2、RT1、C7 组成抗浪涌电路。在起机的瞬间,由于 C6 的存在 Q2 不导通,电流经 RT1 构成回路。当 C6 上的电压充至 Z1 的稳压值时 Q2 导通。如果 C8 漏电或后级电路短路现象,在起机的瞬间电流在 RT1 上产生的压降增大,Q1 导通使 Q2 没有栅极电压不导通,RT1 将会在很短的时间烧毁,以保护后级电路。 三、 功率变换电路 1、 MOS 管的工作原理:目前应用最广泛的绝缘栅场效应管是 MOSFET(MOS 管),是利用半导体表面的电声效应进行工作的。也称为表面场效应器件。由于它的栅极处于不导电状态,所以输入电阻可以大大提高,最高可达 105 欧姆,MOS 管是利用栅源电压的大小,来改变半导体表面感生电荷的多少,从而控制漏极电流的大小。 2、 常见的原理图: 3...

1、当您付费下载文档后,您只拥有了使用权限,并不意味着购买了版权,文档只能用于自身使用,不得用于其他商业用途(如 [转卖]进行直接盈利或[编辑后售卖]进行间接盈利)。
2、本站所有内容均由合作方或网友上传,本站不对文档的完整性、权威性及其观点立场正确性做任何保证或承诺!文档内容仅供研究参考,付费前请自行鉴别。
3、如文档内容存在违规,或者侵犯商业秘密、侵犯著作权等,请点击“违规举报”。

碎片内容

开关电源各功能电路详解

小辰7+ 关注
实名认证
内容提供者

出售各种资料和文档

确认删除?
VIP
微信客服
  • 扫码咨询
会员Q群
  • 会员专属群点击这里加入QQ群
客服邮箱
回到顶部