电脑桌面
添加小米粒文库到电脑桌面
安装后可以在桌面快捷访问

开度荷重仪使用说明书

开度荷重仪使用说明书_第1页
1/6
开度荷重仪使用说明书_第2页
2/6
开度荷重仪使用说明书_第3页
3/6
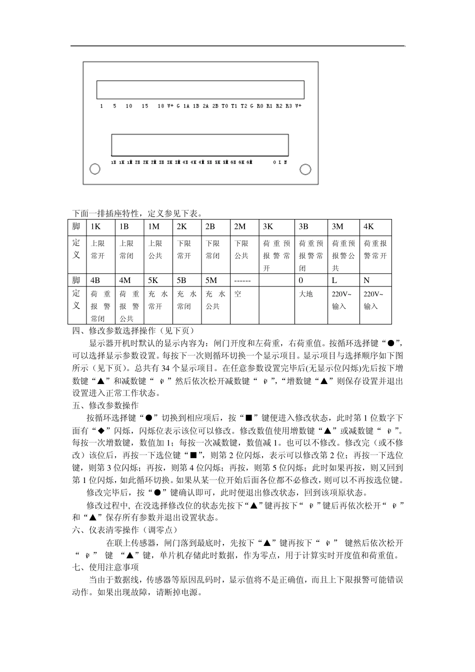
ZKH 型 开度荷重仪 (张掖西流水清圬) 使 用 说 明 书 徐州电子技术研究所 一、 概述 ZKH 开度荷重仪是针对水利,水电,水文行业的实际需要而研制的,它是相对独立同时又有模拟量信号输出以便组网的智能型闸门开度的测控装置。该仪器采用嵌入式微电脑控制技术,功能强大,性能稳定可靠,精度高,抗干扰能力强。是各种闸门、桥机、门机、起重机等设备的开度荷重测控装置。适用于传感器和实际闸门开度为线性关系的场合,例如平板闸,也适用于非线性关系的场合,例如弧形闸以及多层钢缆卷筒等。非线性测量采用分段逼近法,即将整个量程分成若干分段(本显示器分9段) , 按各分段的变换系数计算出实际测量值。 用户只要再显示器上预置好各段段末的实际值和相应的传感器值即可。对于线性测量只要预置第一段段末的实际值和相应的传感器值即可。 二、 技术参数 1. 闸门开度量程:与传感器相同50m。 2. 分辨力:开度1cm。 3. 测量精度:±2cm 。 4. 显示范围:开度0—59999m。 5. 显示方式:4*8 位 LCD 显示。 6. 传感器与显示器之间连接方式:开度-4 芯 RVVP 电缆;荷重各2 芯 RVVP 电缆。 7. 输入信号(传感器输出信号):开度RS-485;荷重电流信号。 8. 传感器与显示器之间有线距离:大于1.2km(与电缆直径有关)。 9. 输出数据远传方式: 开度、两路荷重三路4-20mA 电流输出,对应量程可设置。 10. 报警、控制功能 1)报警控制信号:继电器触点。触点容量:3A24VDC, 3A250VAC。 2)上限:当开度大于等于上限值时, 上限继电器触点吸合; 3)下限:当开度小于等于下限值时,下限继电器触点吸合; 4) 荷重预报警:左右两荷重和值大于等于该数值时,继电器吸合; 5) 荷重超载报警:左右两荷重和值大于等于该数值时,继电器吸合; 6)充水:开度值在充水位置和充水复位的区间内,继电器吸合。 11. 显示器内单片微机加有Watchdog,以防止运行变乱。 12. 工作环境温度:-20℃ ~ +70℃,相对湿度:85%( +25℃) 。 13. 电源:200VAC~ 260VAC, 50Hz。功耗:<5W。 14. 显示仪尺寸:160× 160× 90 固定孔孔尺寸:106× 178∮ 6.5 三、后面板接线特性(显示器后盖图如下图所示) 上面一排插座特性,定义参见下表。 脚 1-14 15-18 V+ G 1A 1B 2A 2B T0 T1 定义 空 空 +12V -12V 485 输入 A 485 输入 B 开度4-20mA输出+ 左 荷 重4-20mA输出+ 脚 T2 ...

1、当您付费下载文档后,您只拥有了使用权限,并不意味着购买了版权,文档只能用于自身使用,不得用于其他商业用途(如 [转卖]进行直接盈利或[编辑后售卖]进行间接盈利)。
2、本站所有内容均由合作方或网友上传,本站不对文档的完整性、权威性及其观点立场正确性做任何保证或承诺!文档内容仅供研究参考,付费前请自行鉴别。
3、如文档内容存在违规,或者侵犯商业秘密、侵犯著作权等,请点击“违规举报”。

碎片内容

开度荷重仪使用说明书

确认删除?
VIP
微信客服
  • 扫码咨询
会员Q群
  • 会员专属群点击这里加入QQ群
客服邮箱
回到顶部