电脑桌面
添加小米粒文库到电脑桌面
安装后可以在桌面快捷访问

弱电竣工资料

弱电竣工资料_第1页
1/13
弱电竣工资料_第2页
2/13
弱电竣工资料_第3页
3/13
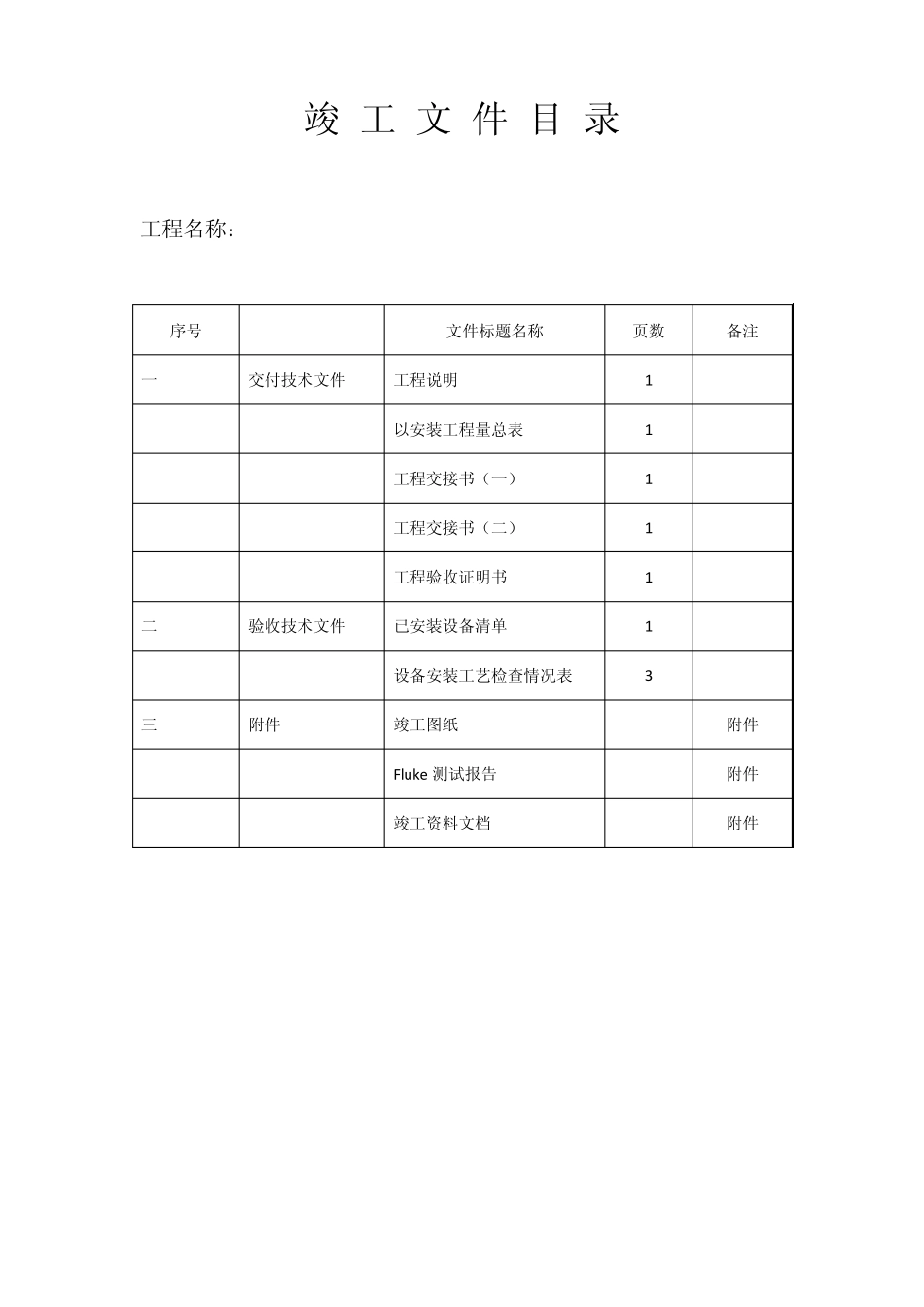
竣 工 文 件 目 录 工程名称: 序号 文件标题名称 页数 备注 一 交付技术文件 工程说明 1 以安装工程量总表 1 工程交接书(一) 1 工程交接书(二) 1 工程验收证明书 1 二 验收技术文件 已安装设备清单 1 设备安装工艺检查情况表 3 三 附件 竣工图纸 附件 Flu ke 测试报告 附件 竣工资料文档 附件 ********弱电基础建设项目交付技术文件 建设项目名称 :******弱电基础建设项目 项目部分名称 :综合布线、门禁系统、、U PS 配电系统、网络设备系统、公共广播系统 电话总机系统 建 设 单 位 : 施 工 单 位 : ***** ***年****月***日 交 付 技 术 文 件 目 录 序号 文件名称 制作单位 制作日期 页数 1 工程说明 1 2 已安装工程量总表 1 3 工程交接书(一) 1 4 工程交接书(二) 1 5 工程竣工终验报告 1 1. 工程说明 本工程主要是*****弱电基础建设项目,根据*****有关负责人指导及要求进行项目设计、施工和调试、维护等,是双方于 2012年 7月 12日签订《****弱电基础建设项目合同》的附件。 2. 项目范围 Project Scope 办公室位于****,设置有办公室区和经理区、会议室,主机房面积约为 4 平方米;新建设综合布线系统、弱电管槽系统、UPS 配电系统、电话总机系统、多媒体系统等。 已安装工程量总表 序号 项目 单位 数量 备注 1 布放办公室信息点及端接测试 个 43 已完成 2 布放网络主干 条 1 已完成 3 喇叭主干 条 1 已完成 4 门禁系统安装调试 个 2 已完成 5 安装会议室投影机及幕布并调试 台 1 已完成 6 网络线缆测试及报告 条 24 已完成 7 公共广播喇叭安装 个 2 已完成 8 喇叭调音器 个 1 已完成 9 服务器机柜及配件 套 1 已完成 10 电话交换机 套 1 已完成 11 机柜网络设备 套 1 已完成 12 U PS 电源 套 1 已完成 工程交接书(一) 序号 项目 单位 数量 备注 1 布放办公室信息点及端接测试 个 43 已完成 2 布放网络主干 条 1 已完成 3 喇叭主干 条 1 已完成 4 门禁系统安装调试 个 2 已完成 5 安装会议室投影机及幕布并调试 台 1 已完成 6 网络线缆测试及报告 条 24 已完成 7 公共广播喇叭安装 个 2 已完成 8 喇叭调音器 个 1 已完成 9 服务器机柜及配件 套 1 已完成 10 电话交换机 套 1 已完成 11...

1、当您付费下载文档后,您只拥有了使用权限,并不意味着购买了版权,文档只能用于自身使用,不得用于其他商业用途(如 [转卖]进行直接盈利或[编辑后售卖]进行间接盈利)。
2、本站所有内容均由合作方或网友上传,本站不对文档的完整性、权威性及其观点立场正确性做任何保证或承诺!文档内容仅供研究参考,付费前请自行鉴别。
3、如文档内容存在违规,或者侵犯商业秘密、侵犯著作权等,请点击“违规举报”。

碎片内容

弱电竣工资料

确认删除?
VIP
微信客服
  • 扫码咨询
会员Q群
  • 会员专属群点击这里加入QQ群
客服邮箱
回到顶部