电脑桌面
添加小米粒文库到电脑桌面
安装后可以在桌面快捷访问

弱电系统工程竣工资料目录

弱电系统工程竣工资料目录_第1页
1/11
弱电系统工程竣工资料目录_第2页
2/11
弱电系统工程竣工资料目录_第3页
3/11
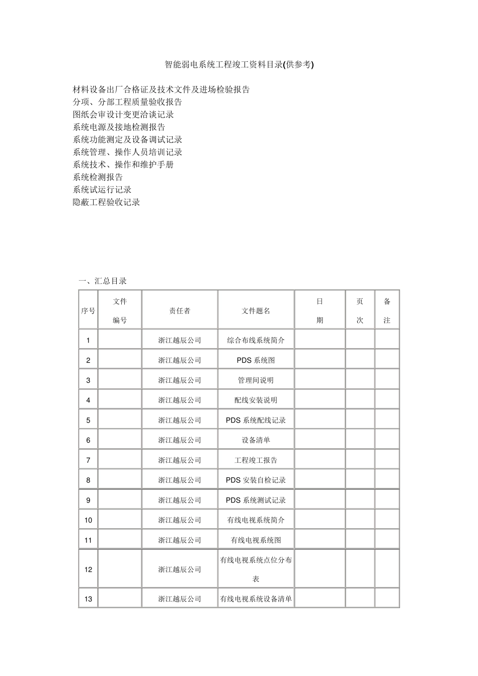
智能弱电系统工程竣工资料目录(供参考) 材料设备出厂合格证及技术文件及进场检验报告 分项、分部工程质量验收报告 图纸会审设计变更洽谈记录 系统电源及接地检测报告 系统功能测定及设备调试记录 系统管理、操作人员培训记录 系统技术、操作和维护手册 系统检测报告 系统试运行记录 隐蔽工程验收记录 一、汇总目录 序号 文件 编号 责任者 文件题名 日 期 页 次 备 注 1 浙江越辰公司 综合布线系统简介 2 浙江越辰公司 PDS 系统图 3 浙江越辰公司 管理间说明 4 浙江越辰公司 配线安装说明 5 浙江越辰公司 PDS 系统配线记录 6 浙江越辰公司 设备清单 7 浙江越辰公司 工程竣工报告 8 浙江越辰公司 PDS 安装自检记录 9 浙江越辰公司 PDS 系统测试记录 10 浙江越辰公司 有线电视系统简介 11 浙江越辰公司 有线电视系统图 12 浙江越辰公司 有线电视系统点位分布表 13 浙江越辰公司 有线电视系统设备清单 1 4 浙江越辰公司 有线电视系统工程竣工报告 1 5 浙江越辰公司 有线电视施工质量检查项目和内容 1 6 浙江越辰公司 有线电视系统质量主观评定表 1 7 浙江越辰公司 有线电视系统的质量主观评价 1 8 浙江越辰公司 有线电视系统主观评定表 1 9 浙江越辰公司 有线电视电平测试记录 2 0 浙江越辰公司 放大器输出(入)电平测试记录 2 1 浙江越辰公司 公共广播系统简介 2 2 浙江越辰公司 公共广播系统图 2 3 浙江越辰公司 公共广播系统扬声器对照表 2 4 浙江越辰公司 公共广播系统设备清单 2 5 浙江越辰公司 公共广播系统工程竣工报告 2 6 浙江越辰公司 系统安装自检记录 2 7 浙江越辰公司 多功能厅多媒体操作系统简介 2 8 浙江越辰公司 多功能厅多媒体操作系统图 2 9 浙江越辰公司 多功能厅多媒体操作系统设备清单 3 0 浙江越辰公司 工程竣工报告 31 浙江越辰公司 设备安装自检记录 32 浙江越辰公司 摄像机安装自检记录 33 浙江越辰公司 多功能厅多媒体操作系统操作流程 34 浙江越辰公司 不间断电源(UPS)系统简介 35 浙江越辰公司 不间断电源(UPS)系统图 36 浙江越辰公司 不间断电源(UPS)系统开通交付报告 37 浙江越辰公司 不间断电源(UPS)系统验收报告 38 浙江越辰公司 网络中心电器部份工程竣工报告 39 浙江越辰公司 工程自检记录 40 浙江越辰公司 不间断电源(UPS)系统...

1、当您付费下载文档后,您只拥有了使用权限,并不意味着购买了版权,文档只能用于自身使用,不得用于其他商业用途(如 [转卖]进行直接盈利或[编辑后售卖]进行间接盈利)。
2、本站所有内容均由合作方或网友上传,本站不对文档的完整性、权威性及其观点立场正确性做任何保证或承诺!文档内容仅供研究参考,付费前请自行鉴别。
3、如文档内容存在违规,或者侵犯商业秘密、侵犯著作权等,请点击“违规举报”。

碎片内容

弱电系统工程竣工资料目录

您可能关注的文档

确认删除?
VIP
微信客服
  • 扫码咨询
会员Q群
  • 会员专属群点击这里加入QQ群
客服邮箱
回到顶部