电脑桌面
添加小米粒文库到电脑桌面
安装后可以在桌面快捷访问

数字锁相环实验

数字锁相环实验_第1页
1/12
数字锁相环实验_第2页
2/12
数字锁相环实验_第3页
3/12
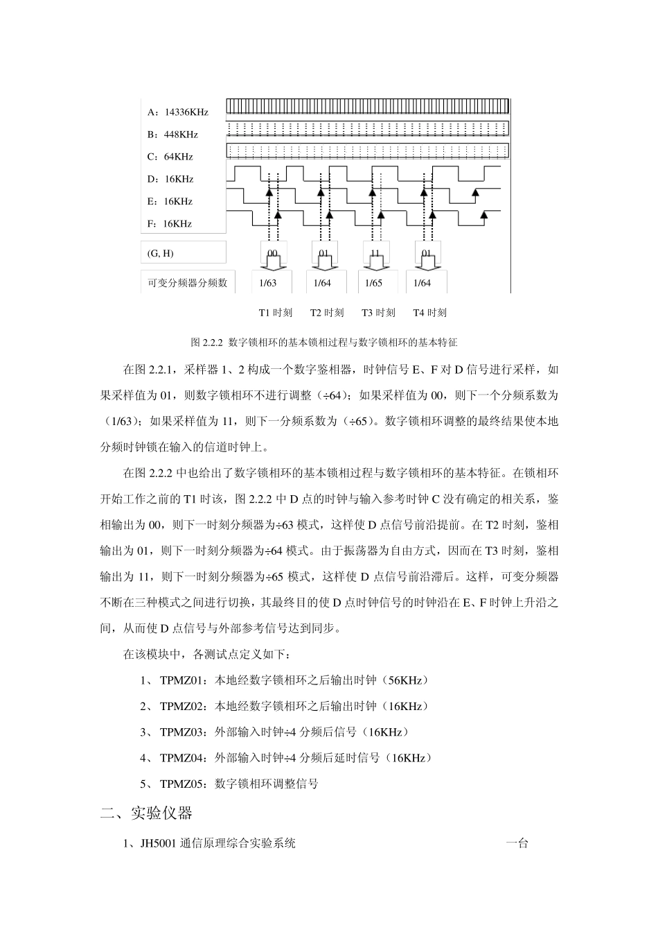
通信原理实验报告 数字锁相环实验 姓名: 学号: 实验2 数字锁相环实验 一、实验原理和电路说明 在电信网中,同步是一个十分重要的概念。同步的种类很多,有时钟同步、比特同步等等,其最终目的使本地终端时钟源锁定在另一个参考时钟源上,如果所有的终端均采用这种方式,则所有终端将以统一步调进行工作。 同步的技术基础是锁相,因而锁相技术是通信中最重要的技术之一。锁相环分为模拟锁相环与数字锁相环,本实验将对数字锁相环进行实验。 BCAHGFED本地时钟14336KHz外部测试64KHz倍频÷63÷64÷65÷28÷4延时 10ns采样 1采样 2UM01:FPGATPMZ03TPMZ05图 2.2.1 数字锁相环的结构TPMZ04TPMZ02÷16TPMZ01 数字锁相环的结构如图 2.2.1 所示,其主要由四大部分组成:参考时钟、多模分频器(一般为三种模式:超前分频、正常分频、滞后分频)、相位比较(双路相位比较)、高倍时钟振荡器(一般为参考时钟的整数倍,此倍数大于 20)等。数字锁相环均在 FPGA 内部实现,其工作过程如图 2.2.2 所示。 A:14336KHzB:448KHzC:64KHzE:16KHzF:16KHz000111011/631/641/651/64D:16KHz(G, H)可变分频器分频数T1 时刻T2 时刻T3 时刻T4 时刻图2.2.2 数字锁相环的基本锁相过程与数字锁相环的基本特征 在图2.2.1,采样器1、2 构成一个数字鉴相器,时钟信号 E、F 对 D 信号进行采样,如果采样值为 01,则数字锁相环不进行调整(÷64);如果采样值为 00,则下一个分频系数为(1/63);如果采样值为 11,则下一分频系数为(÷65)。数字锁相环调整的最终结果使本地分频时钟锁在输入的信道时钟上。 在图2.2.2 中也给出了数字锁相环的基本锁相过程与数字锁相环的基本特征。在锁相环开始工作之前的T1 时该,图2.2.2 中 D 点的时钟与输入参考时钟 C 没有确定的相关系,鉴相输出为 00,则下一时刻分频器为÷63 模式,这样使 D 点信号前沿提前。在T2 时刻,鉴相输出为 01,则下一时刻分频器为÷64 模式。由于振荡器为自由方式,因而在T3 时刻,鉴相输出为 11,则下一时刻分频器为÷65 模式,这样使 D 点信号前沿滞后。这样,可变分频器不断在三种模式之间进行切换,其最终目的使 D 点时钟信号的时钟沿在E、F 时钟上升沿之间,从而使 D 点信号与外部参考信号达到同步。 在该模块中,各测试点定义如下: 1、 TPMZ01:本地经数字锁相环之后输出时钟(56KHz) 2、 TPMZ02:本地经数字锁相环之后输出时钟...

1、当您付费下载文档后,您只拥有了使用权限,并不意味着购买了版权,文档只能用于自身使用,不得用于其他商业用途(如 [转卖]进行直接盈利或[编辑后售卖]进行间接盈利)。
2、本站所有内容均由合作方或网友上传,本站不对文档的完整性、权威性及其观点立场正确性做任何保证或承诺!文档内容仅供研究参考,付费前请自行鉴别。
3、如文档内容存在违规,或者侵犯商业秘密、侵犯著作权等,请点击“违规举报”。

碎片内容

数字锁相环实验

小辰5+ 关注
实名认证
内容提供者

出售各种资料和文档

确认删除?
VIP
微信客服
  • 扫码咨询
会员Q群
  • 会员专属群点击这里加入QQ群
客服邮箱
回到顶部