电脑桌面
添加小米粒文库到电脑桌面
安装后可以在桌面快捷访问

人体测量实验报告

人体测量实验报告_第1页
1/6
人体测量实验报告_第2页
2/6
人体测量实验报告_第3页
3/6
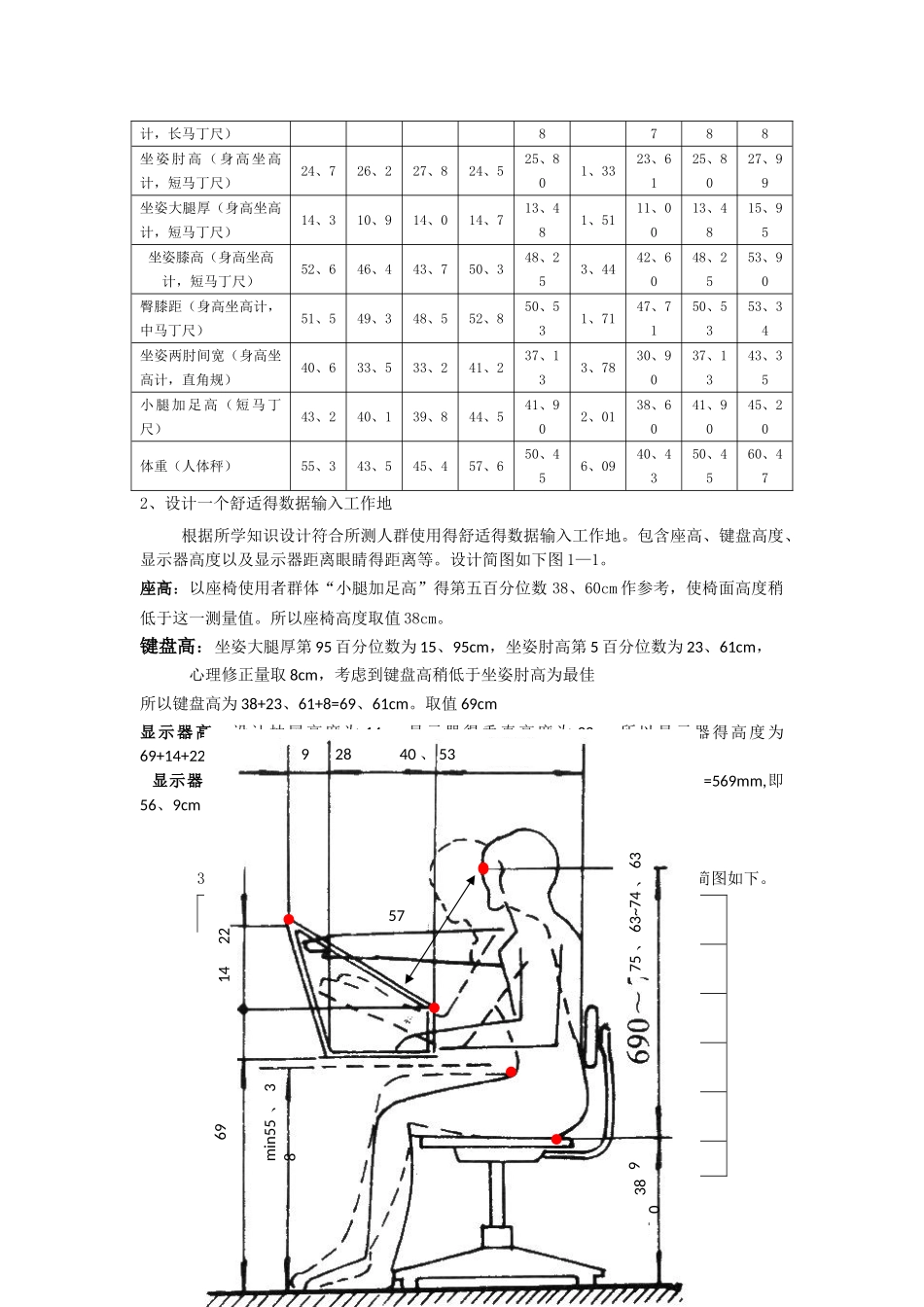
实验一 人体测量一、试验小组成员及分工班级: 地址: 天气:姓名学号分工时间测量读数记录数据更换测量工具测量读数并监督二、实验目得 1、掌握如何猎取人体计量尺寸得方法 2、掌握如何应用人体尺寸进行作业空间设计三 、实验内容1、测量人体得12个主要指标2、设计一个舒适得数据输入工作地四 、实验仪器身高坐高计、人体形体测量尺(长马丁尺、中马丁尺、短马丁尺、直角规)、人体秤等五 、实验步骤及方法1、测量小组全体成员得 13 个人体主要指标,填入表 1-1。测量时应在呼气与吸气得中间进行。其次序为从头向下到脚;从身体得前面,经过侧面,再到后面。测量时只许轻触测点,不可紧压皮肤,以免影响测量得准确性。某些长度得测量,即可用直接测量法,也可用间接测量法——两种尺寸相加减。测量者要求脱掉外套。表 1-1 身体测量数据及使用仪器 单位:cm学号107419107421107426107429平均值标准差第 5百分位第 50百分位第 95百分位身高(身高坐高计)165、1163、2161、5168、6164、60 2、64 160、26 164、60 168、94 眼高(身高坐高计)154、5151、8150、5159、2154、00 3、33 148、52 154、00 159、48 最大肩宽(直角规)40、337、538、242、739、68 2、03 36、34 39、68 43、01 坐高(身高坐高计)87、288、285、290、587、78 1、91 84、64 87、78 90、91 坐姿眼高(身高坐高计,长马丁尺)76、574、574、377、275、63 1、25 73、57 75、63 77、68 坐姿肩高(身高坐高61、560、359、161、460、50、97 58、960、562、1计,长马丁尺)8 7 8 8 坐姿肘高(身高坐高计,短马丁尺)24、726、227、824、525、80 1、33 23、61 25、80 27、99 坐姿大腿厚(身高坐高计,短马丁尺)14、310、914、014、713、48 1、51 11、00 13、48 15、95 坐姿膝高(身高坐高计,短马丁尺)52、646、443、750、348、25 3、44 42、60 48、25 53、90 臀膝距(身高坐高计,中马丁尺)51、549、348、552、850、53 1、71 47、71 50、53 53、34 坐姿两肘间宽(身高坐高计,直角规)40、633、533、241、237、13 3、78 30、90 37、13 43、35 小腿加足高(短马丁尺)43、240、139、844、541、90 2、01 38、60 41、90 45、20 体重(人体秤)55、343、545、457、650、45 6、09 40、43 50、45 60、47 2、设计一个舒适得数据输入工作地 根据所学知识设计符合所测人群使用得舒适得数据输入工作...

1、当您付费下载文档后,您只拥有了使用权限,并不意味着购买了版权,文档只能用于自身使用,不得用于其他商业用途(如 [转卖]进行直接盈利或[编辑后售卖]进行间接盈利)。
2、本站所有内容均由合作方或网友上传,本站不对文档的完整性、权威性及其观点立场正确性做任何保证或承诺!文档内容仅供研究参考,付费前请自行鉴别。
3、如文档内容存在违规,或者侵犯商业秘密、侵犯著作权等,请点击“违规举报”。

碎片内容

人体测量实验报告

您可能关注的文档

元素商铺+ 关注
实名认证
内容提供者

欢迎挑选合适的文档

确认删除?
VIP
微信客服
  • 扫码咨询
会员Q群
  • 会员专属群点击这里加入QQ群
客服邮箱
回到顶部