电脑桌面
添加小米粒文库到电脑桌面
安装后可以在桌面快捷访问

施工安全风险评估

施工安全风险评估_第1页
1/30
施工安全风险评估_第2页
2/30
施工安全风险评估_第3页
3/30
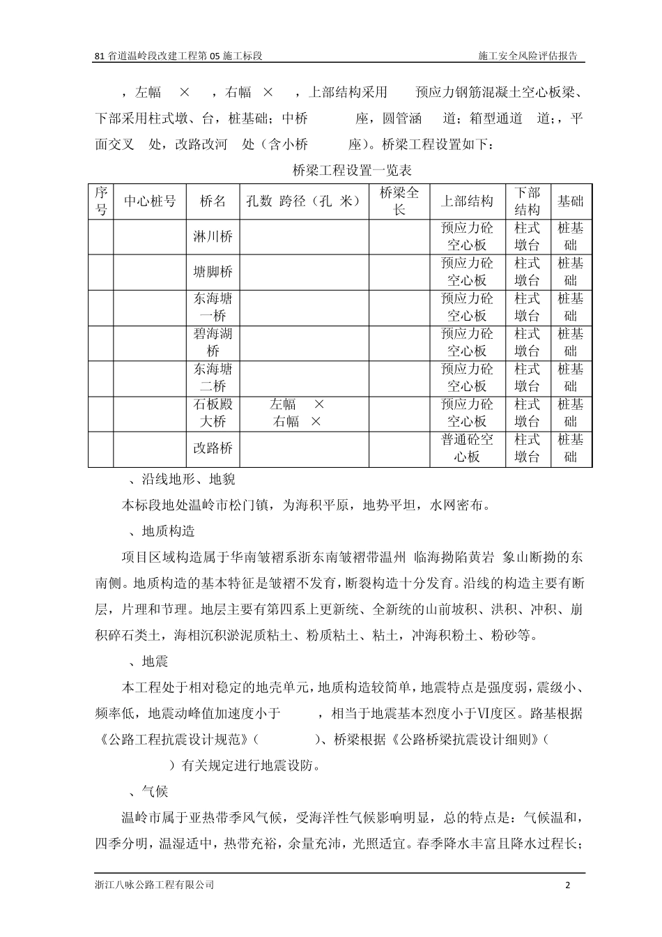
81 省道温岭段改建工程第05 施工标段 施工安全风险评估报告 浙江八咏公路工程有限公司 1 安全风险评估报告 一、评估目的 工程安全风险评估是以降低施工风险、避免安全事故为原则,实现安全施工为目的。通过安全风险评估达到以下效果: 1、工程开工前对施工中可能存在的危险源进行全面普查,对施工安全风险作定性或定量的估测,研究事故发生的可能性(概率)及其产生后果的严重程度,确定项目总体和各施工专项的风险级别,增强施工安全风险意识,有针对性地采取防范措施,确保工程安全。 2、通过施工风险估测的结论和建议,作为工程施工过程的安全技术和安全管理工作的重要参考依据,以起到尽早辨识潜在施工风险,优化工程施工方案,完善施工风险控制措施,规范预案预警预控管理,以及对重点部位加强安全管理的作用。 二、编制依据 1、《关于开展公路桥梁和隧道工程施工安全风险评估试行工作的通知》(交质监发 2011-217号); 2、《公路桥梁和隧道工程施工安全风险评估指南(试行)》交通运输部 2011年 5月,在本评估报告文本中简称《指南》; 3、《公路桥梁和隧道工程施工安全风险评估制度及指南解析》交通运输部质量监督局编著,2011年 11月,在本评估报告文本中简称《指南解析》; 4、《浙江省公路水运危险性较大分部分项工程安全专项施工方案管理办法》(浙交 2010-236号); 5、《公路桥涵施工技术规范》JTG/T F50-2011交通运输部; 6、《公路工程施工安全技术规程》JTJ 076-95交通部; 7、81省道温岭段改建工程第04施工标段设计文件; 8、评估小组对施工现场的勘查成果,以及结合本公司专家的经验判断。 三、工程概况 1、项目简介 第05施工标段:桩号 K19+650~K26+371,全长 6.721km。主要工程内容有路基(含防护、排水工程)、桥涵等的施工及缺陷责任期缺陷修复,其中石板殿大桥全长81 省道温岭段改建工程第05 施工标段 施工安全风险评估报告 浙江八咏公路工程有限公司 2 197m,左幅12×16m,右幅9×16m,上部结构采用 16m预应力钢筋混凝土空心板梁、下部采用柱式墩、台,桩基础;中桥 384m/5座,圆管涵 12道;箱型通道2道;,平面交叉 3处,改路改河 3处(含小桥 24m/1座)。桥梁工程设置如下: 桥梁工程设置一览表 序号 中心桩号 桥名 孔数-跨径(孔-米) 桥梁全长 上部结构 下部结构 基础 1 K19+931 淋川桥 3-13 44 预应力砼空心板 柱式墩台 桩基础 2 K20+713 塘脚桥 ...

1、当您付费下载文档后,您只拥有了使用权限,并不意味着购买了版权,文档只能用于自身使用,不得用于其他商业用途(如 [转卖]进行直接盈利或[编辑后售卖]进行间接盈利)。
2、本站所有内容均由合作方或网友上传,本站不对文档的完整性、权威性及其观点立场正确性做任何保证或承诺!文档内容仅供研究参考,付费前请自行鉴别。
3、如文档内容存在违规,或者侵犯商业秘密、侵犯著作权等,请点击“违规举报”。

碎片内容

施工安全风险评估

小辰+ 关注
实名认证
内容提供者

出售各种文档和资料

确认删除?
VIP
微信客服
  • 扫码咨询
会员Q群
  • 会员专属群点击这里加入QQ群
客服邮箱
回到顶部