电脑桌面
添加小米粒文库到电脑桌面
安装后可以在桌面快捷访问

无尘车间的装修过程入门必学

无尘车间的装修过程入门必学_第1页
1/6
无尘车间的装修过程入门必学_第2页
2/6
无尘车间的装修过程入门必学_第3页
3/6
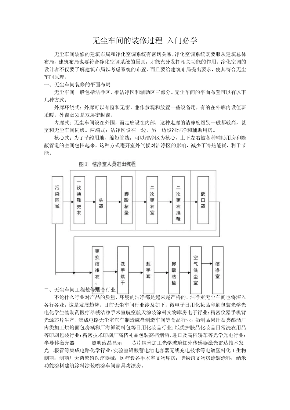
无尘车间的装修过程入门必学无尘车间装修的建筑布局和净化空调系统有密切关系,净化空调系统既要服从建筑总体布局,建筑布局也要符合净化空调系统的原则,才能充分发挥相关功能的作用。净化空调的设计者不仅要了解建筑布局以考虑系统的布置,而且要给建筑布局提出要求,使其符合无尘车间原理。一、无尘车间装修的平面布局无尘车间一般包括洁净区、准洁净区和辅助区三部分。无尘车间的平面布置可以有以下几种方式:外廊环绕式:外廊可以有窗和无窗,兼作参观和放置一些设备用,有的在外廊内设值班采暖。外窗必须是双层密封窗。内廊式:无尘车间设在外围,而走廊设在内部,这种走廊的洁净度级别一般都较高,甚至和无尘车间同级。两端式:洁净区设在一边,另一边设准洁净和辅助用房。核心式:为了节约用地、缩短管线,可以洁净区为核心,上下左右被各种辅助用房和隐蔽管道的空间包围起来,这种方式避开室外气候对洁净区的影响,减少了冷热能耗,利于节能。二、无尘车间工程装修适合行业不论什么行业对产品的质量,环境的洁净都是越来越严格的,洁净室无尘车间也将深入各行各业,这是发展趋势。目前无尘车间行业涉及如下:微电子日用化妆品印刷包装光学光电化学生物制药医疗器械洁净手术室航空航天涂装涂料文物库房电子行业:精密仪器手机背光源芯片生产、集成电路无尘室汽车制造磁盘制造车间等食品行业:奶制品果汁盐类酿酒厂肉类加工烘焙面包房槟榔厂海鲜调料包等日用化妆品行业:纸类护肤品化妆品日常洗衣用品等印刷包装行业:精密技术印刷厂高档礼品包装高档烟酒、进口及高档轿车等光学光电行业:半导体激光器 led/lcd照明液晶显示 led芯片纳米加工光学玻璃红外传感器激光雷达技术发光二极管等集成电路化学行业:实验室铅酸蓄电池电容器无线充电技术等电镀塑料化工生物制药:制药厂无菌繁殖医疗器械:医疗设备手术室文物库房:博物馆文物房涂装涂料:纳米功能涂料建筑涂料涂装喷涂车间家具烤漆房。三、无尘车间工程装修材料的选择无尘净化车间在室内装修中,装修材料主要有以下几点:1、无尘车间使用的木材的含水率不应大于 16%,并且不得外露使用。由于无尘车间换气次数大,相对湿度低,如大量使用木材,易干裂、变形、松动、产生灰尘等,即使用也要局部使用,并且一定要做好防腐防潮处理。2、一般无尘车间需用石膏板时必须用防水石膏板,而对于生物无尘车间由于经常用水擦洗和用消毒液冲洗,即使防水石膏板也要受潮变形,不耐冲洗,所以规定生...

1、当您付费下载文档后,您只拥有了使用权限,并不意味着购买了版权,文档只能用于自身使用,不得用于其他商业用途(如 [转卖]进行直接盈利或[编辑后售卖]进行间接盈利)。
2、本站所有内容均由合作方或网友上传,本站不对文档的完整性、权威性及其观点立场正确性做任何保证或承诺!文档内容仅供研究参考,付费前请自行鉴别。
3、如文档内容存在违规,或者侵犯商业秘密、侵犯著作权等,请点击“违规举报”。

碎片内容

无尘车间的装修过程入门必学

确认删除?
VIP
微信客服
  • 扫码咨询
会员Q群
  • 会员专属群点击这里加入QQ群
客服邮箱
回到顶部