电脑桌面
添加小米粒文库到电脑桌面
安装后可以在桌面快捷访问

无损检测质量记录表格

无损检测质量记录表格_第1页
1/9
无损检测质量记录表格_第2页
2/9
无损检测质量记录表格_第3页
3/9
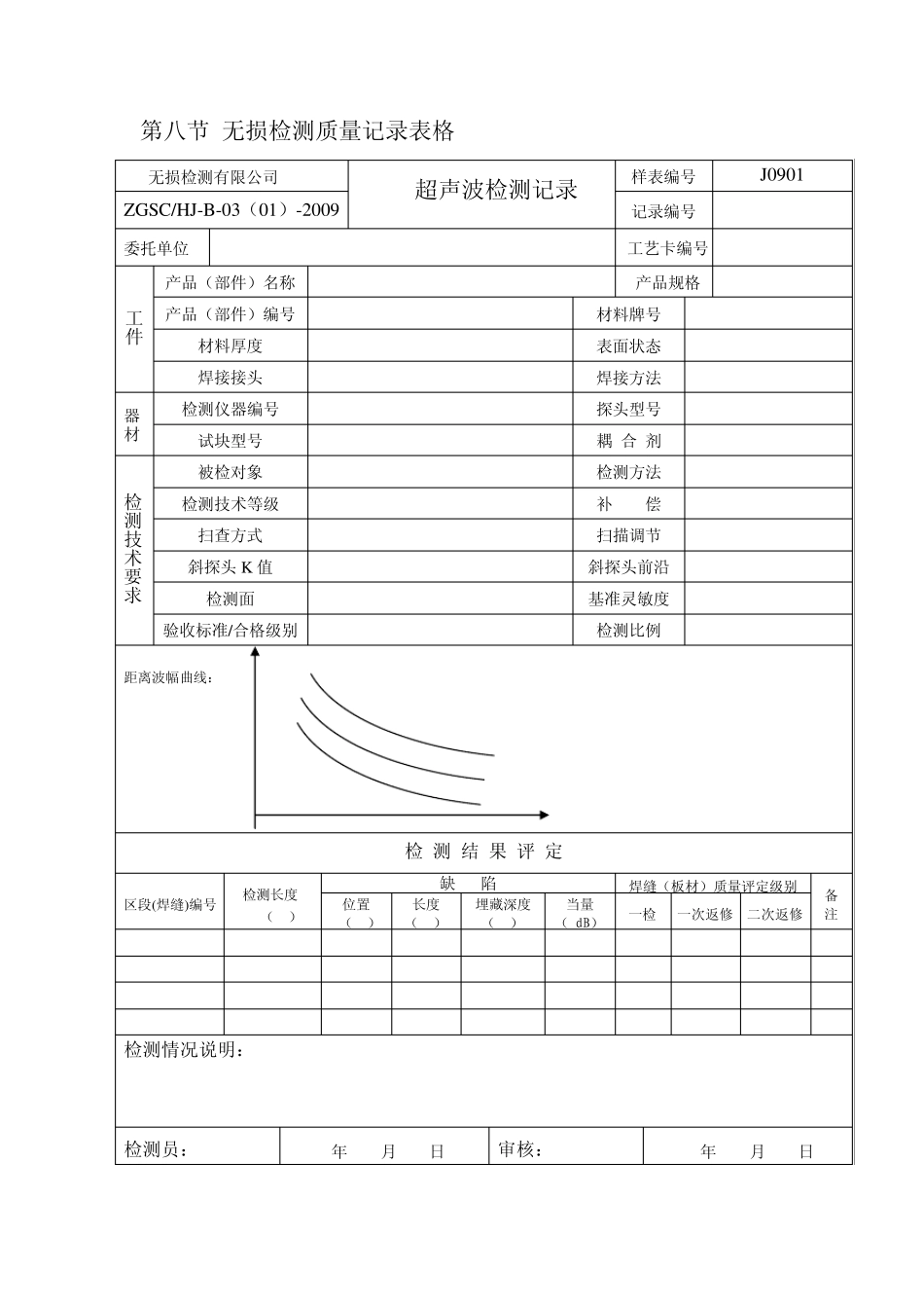
第八节 无损检测质量记录表格 无损检测有限公司 超声波检测记录 样表编号 J0901 ZGSC/HJ-B-03(01)-2009 记录编号 委托单位 工艺卡编号 工件 产品(部件)名称 产品规格 产品(部件)编号 材料牌号 材料厚度 表面状态 焊接接头 焊接方法 器材 检测仪器编号 探头型号 试块型号 耦 合 剂 检测技术要求 被检对象 检测方法 检测技术等级 补 偿 扫查方式 扫描调节 斜探头K 值 斜探头前沿 检测面 基准灵敏度 验收标准/合格级别 检测比例 距离波幅曲线: 检 测 结 果 评 定 区段(焊缝)编号 检测长度 (mm) 缺 陷 焊缝(板材)质量评定级别 备注 位置 (mm) 长度 (mm) 埋藏深度 (mm) 当量 ( dB) 一检 一次返修 二次返修 检测情况说明: 检测员: 年 月 日 审核: 年 月 日 超声波检测记录(续表) 委托单位 检测地点 产品(部件)名称 产品(部件)编号 检 测 结 果 评 定 区段(焊缝)编号 检测长度 (mm) 缺 陷 焊缝(板材)质量评定级别 备注 位置 (mm) 长度 (mm) 埋藏深度 (mm) 当量 ( dB) 一检 一次返修 二次返修 无损检测有限公司 超声波测厚记录 样表编号 J0902 ZGSC/HJ-B-03(02)-2009 记录编号 工 件 工程名称 工件名称 部件编号 材料牌号 检测部位 表面状态 技术要求 仪器型号 精度等级 耦合剂 检测标准 断面代号 设计厚度 (m m ) 实测厚度(m m ) ① ② ③ ④ ⑤ ⑥ 共计测厚点数 备注 检测人 日期 审核人 日期 无损检测有限公司 射线底片评定记录 样表编号 J0903 ZGSC/HJ-B-03(03)-2009 记录编号 委托单位 工程名称 产品编号 产品规格 像质计型号 板厚 m m 序 号 焊缝 编号 底片 编号 象质计 丝号 缺陷性质 缺陷数量 (m m ) 评定 级别 序 号 焊缝 编号 底片 编号 象质计 丝号 缺陷性质 缺陷数量 (m m ) 评定 级别 注:A—表示裂纹 B—表示未熔合 C--未焊透 D—圆形缺陷 评片人 证书编号: 复评人 证书编号: 级别: 级别: 评片日期 复评日期 无损检测有限公司 射线检测记录 样表编号 J0904 ZGSC/HJ-B-03(05)-2009 记录编号 委托单位 工艺卡编号 工件 产品(部件)名称 产品规格 产品(部件)编号 材料牌号 材质厚度 表面状态 焊接接头 焊接方法 器 材 胶片类型/规格 设备型号 ...

1、当您付费下载文档后,您只拥有了使用权限,并不意味着购买了版权,文档只能用于自身使用,不得用于其他商业用途(如 [转卖]进行直接盈利或[编辑后售卖]进行间接盈利)。
2、本站所有内容均由合作方或网友上传,本站不对文档的完整性、权威性及其观点立场正确性做任何保证或承诺!文档内容仅供研究参考,付费前请自行鉴别。
3、如文档内容存在违规,或者侵犯商业秘密、侵犯著作权等,请点击“违规举报”。

碎片内容

无损检测质量记录表格

小辰3+ 关注
实名认证
内容提供者

出售各种资料和文档

相关文档

确认删除?
VIP
微信客服
  • 扫码咨询
会员Q群
  • 会员专属群点击这里加入QQ群
客服邮箱
回到顶部