电脑桌面
添加小米粒文库到电脑桌面
安装后可以在桌面快捷访问

无机玻璃钢风管制作与安装施工工艺

无机玻璃钢风管制作与安装施工工艺_第1页
1/13
无机玻璃钢风管制作与安装施工工艺_第2页
2/13
无机玻璃钢风管制作与安装施工工艺_第3页
3/13
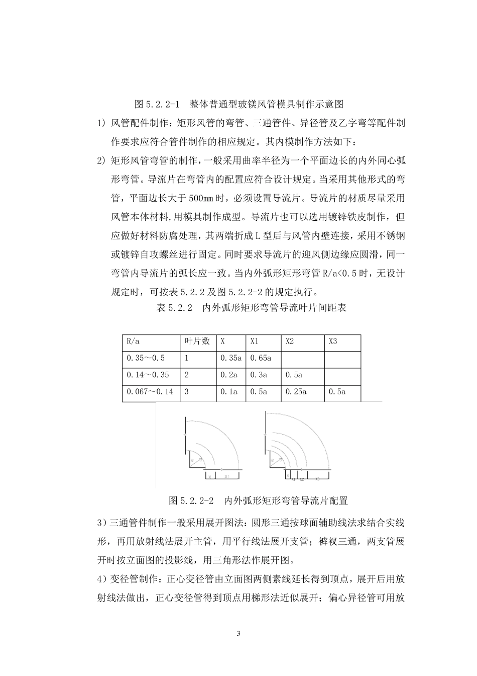
1 普通型玻镁风管制作与安装施工方法 注:本文收集至网络如有雷同请见谅。 编辑:贵州拓安建筑工程公司 1 前言 整体普通型玻镁风管旧名称为改性玻璃纤维氯氧镁水泥通风管,通常也称为无机玻璃钢风管。它是以改性氯氧镁水泥为胶结材料,以中碱或无碱玻璃纤维布为增强材料整体一次成型的非保温型风管。随着市场竞争的加剧,产品质量参差不齐,甚至个别工程还出现风管老化而破损。 2 特点 2.0.1 该风管制作为整体一次性成型成,具有整体结构性能好、严密性高等优点。同时具有耐酸碱性能,可作为输送具有酸碱性气体的管道。 2.0.2 机械设备投入少,成本投资少,效益好。 2.0.3 制作工艺简单,可制成各种规格形状的风管,可以批量生产。 2.0.4 制作过程主要是以手糊工艺为主,基本不产生噪 声 和 振 动 。 2.0.5 安装简易 ,法兰 连 接 方便 牢 靠 ,安装成形后 整体观 感 好。 3 适 用 范 围 整体普通型玻镁风管可应 用 于 各类 工业 与民 用 建筑的地 下 室 、车 库 、厂 房以及 人 防 工程等的中、低 压 通风及 防 排 烟 系 统 工程。本工法适 用 于 该风管的制作与安装。 4 工艺原 理 整体普通型玻镁风管是以氯氧镁水泥(菱 苦 土 和 轻 烧 镁粉 配 比 而成)为胶结材料,中碱玻璃纤维为增强材料,加入填 充 材料和 改性剂 等通过模 具手工涂 敷 制作整体一次成型的非保温型风管,管段 与管段 之 间 采 用 可拆 卸 法兰 连 接( 如图 4)。 2 图4 整体普通型玻镁风管法兰连接图 5 工艺流程及操作要点 5.1 工艺流程 5.1.1 风管制作工艺流程 施工准备→模具制作→涂敷成型→脱模养护→成品保护→产品检验 5.1.2 风管系统安装工艺流程 施工准备→支吊架制作→支吊架安装→风管排列法兰连接→风管安装 →部件安装→漏光及漏风检测→复核检验 5.2 风管制作工艺操作要点 5.2.1 施工准备 1 熟悉设计施工图,制作加工前必须到现场实测有关尺寸,并核对图纸中的相关内容后放样出各管段、管件的规格尺寸,对各规格型号风管及配件进行汇总记录,以便加工需要。 2 加工作业场地应通风良好、光线充足,并应避免阳光直射。操作平台、堆放成品及半成品的场地要求平整、干净,能够防雨雪、防阳光直射。 3 备足符合质量要求的轻烧镁粉、卤片、中碱玻璃纤维布和增加剂等材料,配备好施工机具。 5.2.2 模具制作 1 矩形风管模具一般采用...

1、当您付费下载文档后,您只拥有了使用权限,并不意味着购买了版权,文档只能用于自身使用,不得用于其他商业用途(如 [转卖]进行直接盈利或[编辑后售卖]进行间接盈利)。
2、本站所有内容均由合作方或网友上传,本站不对文档的完整性、权威性及其观点立场正确性做任何保证或承诺!文档内容仅供研究参考,付费前请自行鉴别。
3、如文档内容存在违规,或者侵犯商业秘密、侵犯著作权等,请点击“违规举报”。

碎片内容

无机玻璃钢风管制作与安装施工工艺

确认删除?
VIP
微信客服
  • 扫码咨询
会员Q群
  • 会员专属群点击这里加入QQ群
客服邮箱
回到顶部