电脑桌面
添加小米粒文库到电脑桌面
安装后可以在桌面快捷访问

日本OKI干簧管ORD全系列资料

日本OKI干簧管ORD全系列资料_第1页
1/31
日本OKI干簧管ORD全系列资料_第2页
2/31
日本OKI干簧管ORD全系列资料_第3页
3/31
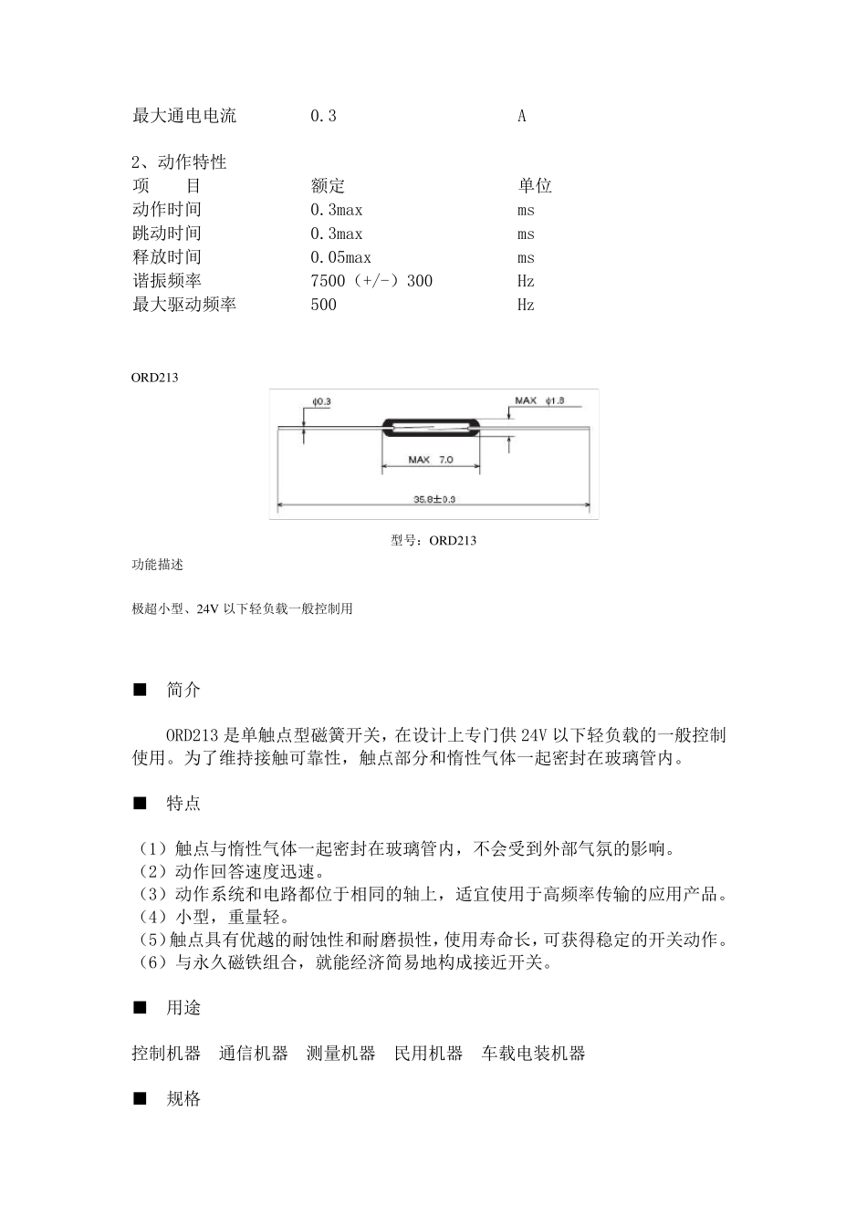
型号:ORD211 功能描述 超小型、24V 以下轻负载一般控制用 ■ 简介 ORD211 是单触点型磁簧开关,在设计上专门供 24V 以下轻负载的一般控制使用。为了维持接触可靠性,触点部分和惰性气体一起密封在玻璃管内。 ■ 特点 (1)触点与惰性气体一起密封在玻璃管内,不会受到外部气氛的影响。 (2)动作回答速度迅速。 (3)动作系统和电路都位于相同的轴上,适宜使用于高频率传输的应用产品。 (4)小型,重量轻。 (5)触点具有优越的耐蚀性和耐磨损性,使用寿命长,可获得稳定的开关动作。 (6)与永久磁铁组合,就能经济简易地构成接近开关。 ■ 用途 控制机器 通信机器 测量机器 民用机器 车载电装机器 ■ 规格 1、电器特性 项 目 额定 单位 吸合值(PI) 10~40 AT 断开值(DO) 5min AT 接触电阻值(CR) 100max mOhm 触点间耐电压 150min VDC 绝缘电阻 Ohm 触点间静电容量 0.2max pF 触点容量 1.0 VA 最大开关电压 24(dc/ac) V 最大开关电流 0.1 A 最大通电电流 0.3 A 2、动作特性 项 目 额定 单位 动作时间 0.3max ms 跳动时间 0.3max ms 释放时间 0.05max ms 谐振频率 7500(+/-)300 Hz 最大驱动频率 500 Hz ORD213 型号:ORD213 功能描述 极超小型、24V 以下轻负载一般控制用 ■ 简介 ORD213 是单触点型磁簧开关,在设计上专门供 24V 以下轻负载的一般控制使用。为了维持接触可靠性,触点部分和惰性气体一起密封在玻璃管内。 ■ 特点 (1)触点与惰性气体一起密封在玻璃管内,不会受到外部气氛的影响。 (2)动作回答速度迅速。 (3)动作系统和电路都位于相同的轴上,适宜使用于高频率传输的应用产品。 (4)小型,重量轻。 (5)触点具有优越的耐蚀性和耐磨损性,使用寿命长,可获得稳定的开关动作。 (6)与永久磁铁组合,就能经济简易地构成接近开关。 ■ 用途 控制机器 通信机器 测量机器 民用机器 车载电装机器 ■ 规格 1、电器特性 项 目 额定 单位 吸合值(PI) 10~40 AT 断开值(DO) 5min AT 接触电阻值(CR) 200max mOhm 触点间耐电压 150min VDC 绝缘电阻 Ohm 触点间静电容量 0.2max pF 触点容量 1.0 VA 最大开关电压 24(dc/ac) V 最大开关电流 0.1 A 最大通电电流 0.3 A 2、动作特性 项 目 额定 单位 动作时间 0.3max ms 跳动时间 0.3max ms 释放时间 0.05m...

1、当您付费下载文档后,您只拥有了使用权限,并不意味着购买了版权,文档只能用于自身使用,不得用于其他商业用途(如 [转卖]进行直接盈利或[编辑后售卖]进行间接盈利)。
2、本站所有内容均由合作方或网友上传,本站不对文档的完整性、权威性及其观点立场正确性做任何保证或承诺!文档内容仅供研究参考,付费前请自行鉴别。
3、如文档内容存在违规,或者侵犯商业秘密、侵犯著作权等,请点击“违规举报”。

碎片内容

日本OKI干簧管ORD全系列资料

确认删除?
VIP
微信客服
  • 扫码咨询
会员Q群
  • 会员专属群点击这里加入QQ群
客服邮箱
回到顶部