电脑桌面
添加小米粒文库到电脑桌面
安装后可以在桌面快捷访问

最常用的面积、体积计算公式

最常用的面积、体积计算公式_第1页
1/16
最常用的面积、体积计算公式_第2页
2/16
最常用的面积、体积计算公式_第3页
3/16
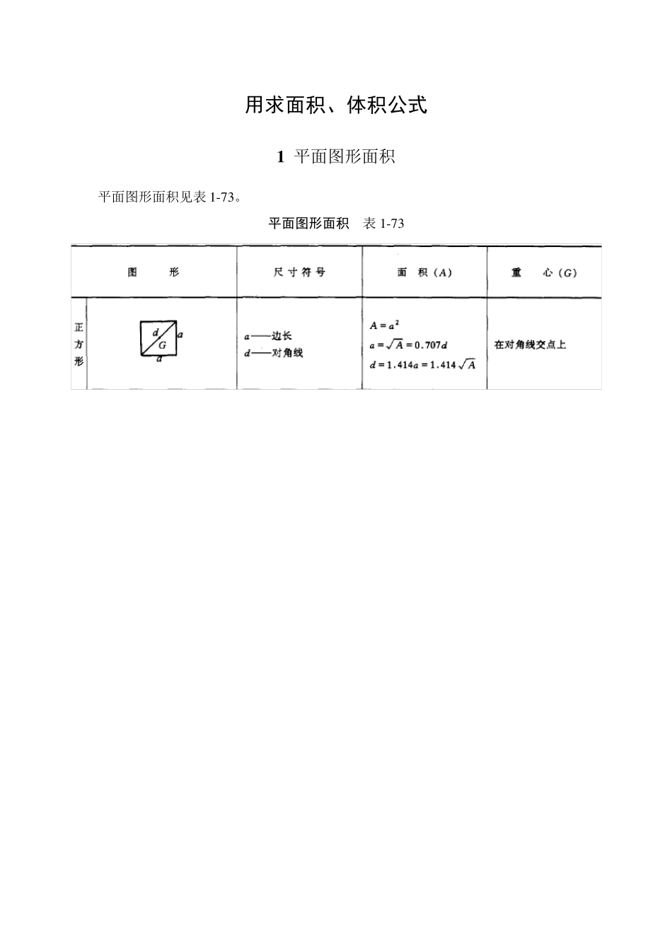
用求面积、体积公式 1 平面图形面积 平面图形面积见表1 -7 3 。 平面图形面积 表1 -7 3 2 多面体的体积和表面积 多面体的体积和表面积见表1 -7 4 。 多面体的体积和表面积 表1 -7 4 3 物料堆体积计算 物料堆体积计算见表1 -7 5 。 物料堆体积计算 表1 -7 5 4 壳体表面积、侧面积计算 1 -3 -4 -1 圆球形薄壳(图 1 -1 ) 图 1-1 圆球形薄壳计算图 4 -2 椭圆抛物面扁壳(图 1 -2 ) 图 1-2 椭圆抛物面扁壳计算图 1 -3 -4 -3 椭圆抛物面扁壳系数计算 见图1-2,壳表面积(A)计算公式: A=Sx·Sy=2a×系数 Ka×2b×系数 Kb 式中 Ka、Kb——椭圆抛物面扁壳系数,可按表1-76 查得。 椭圆抛物面扁壳系数表 表1-76 查表说明 [例]已知2a=24.0m,2b=16.0m,hx=3.0m,hy=2.8m,试求椭圆抛物面扁壳表面积A。 先求出hx/2a=3.0/24.0=0.125 hy/2b=2.8/16.0=0.175 分别查表得系数Ka为1.0402 和系数Kb为1.0765,则扁壳表面积A=24.0×1.0402×16.0×1.0765=429.99m2 1 -3 -4 -4 圆抛物面扁壳(图 1 -3 ) 图 1-3 圆抛物面扁壳计算图 1 -3 -4 -5 单、双曲拱展开面积 1.单曲拱展开面积=单曲拱系数×水平投影面积。 2.双曲拱展开面积=双曲拱系数(大曲拱系数×小曲拱系数)×水平投影面积。 单、双曲拱展开面积系数见表 1-77。单双曲拱展开面积计算图见图 1-4。 图 1-4 单、双曲拱展开面积计算图 L-拱跨;F-拱高 单、双曲拱展开面积系数表 表 1-77

1、当您付费下载文档后,您只拥有了使用权限,并不意味着购买了版权,文档只能用于自身使用,不得用于其他商业用途(如 [转卖]进行直接盈利或[编辑后售卖]进行间接盈利)。
2、本站所有内容均由合作方或网友上传,本站不对文档的完整性、权威性及其观点立场正确性做任何保证或承诺!文档内容仅供研究参考,付费前请自行鉴别。
3、如文档内容存在违规,或者侵犯商业秘密、侵犯著作权等,请点击“违规举报”。

碎片内容

最常用的面积、体积计算公式

小辰+ 关注
实名认证
内容提供者

出售各种文档和资料

相关文档

确认删除?
VIP
微信客服
  • 扫码咨询
会员Q群
  • 会员专属群点击这里加入QQ群
客服邮箱
回到顶部