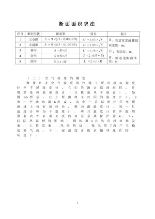
断 面 面 积 求 法(二)空气湿度的测定测量矿井空气湿度的仪器主要有风扇湿度计何手摇湿度计,它们的测定原理相同。常用的是风扇湿度...
(遵义专版)秋九年级数学上册 第24章 圆 24.4 弧长和扇形面积 第2课时 圆锥的侧面积和全面积习题课件 (新版)新人教版-(新版)新人教版初中九年级上册数学课件
(遵义专版)秋九年级数学上册 第24章 圆 24.4 弧长和扇形面积 第1课时 弧长和扇形面积习题课件 (新版)新人教版-(新版)新人教版初中九年级上册数学课件
(遵义专级数学上册 第24章 圆 24.4 弧长和扇形面积 第2课时 圆锥的侧面积和全面积习题课件 (新版)新人教版-(新版)新人教级上册数学课件
(遵义专级数学上册 第24章 圆 24.4 弧长和扇形面积 第1课时 弧长和扇形面积习题课件 (新版)新人教版-(新版)新人教级上册数学课件
(安徽级数学上册 第二十四章 圆 24.4 弧长及扇形的面积 第2课时 圆锥的侧面积和全面积习题课件 (新版)新人教版-(新版)新人教级上册数学课件
(安徽级数学上册 第二十四章 圆 24.4 弧长及扇形的面积 第1课时 弧长和扇形面积习题课件 (新版)新人教版-(新版)新人教级上册数学课件
(安徽级数学上册 第24章 圆 24.4 弧长及扇形的面积第2课时 圆锥的侧面积与全面积课件 (新版)新人教版-(新版)新人教级上册数学课件
(安徽级数学上册 第24章 圆 24.4 弧长及扇形的面积第1课时 弧长和扇形面积课件 (新版)新人教版-(新版)新人教级上册数学课件
(安徽专版)九年级数学上册 第二十四章 圆 24.4 弧长及扇形的面积 第2课时 圆锥的侧面积和全面积习题课件 (新版)新人教版-(新版)新人教版初中九年级上册数学课件
(安徽专版)九年级数学上册 第二十四章 圆 24.4 弧长及扇形的面积 第1课时 弧长和扇形面积习题课件 (新版)新人教版-(新版)新人教版初中九年级上册数学课件
(安徽专版)九年级数学上册 第24章 圆 24.4 弧长及扇形的面积第2课时 圆锥的侧面积与全面积课件 (新版)新人教版-(新版)新人教版初中九年级上册数学课件
(安徽专版)九年级数学上册 第24章 圆 24.4 弧长及扇形的面积第1课时 弧长和扇形面积课件 (新版)新人教版-(新版)新人教版初中九年级上册数学课件
面积单位间的进率教学设计教学目标: (一)使学生进一步熟悉面积单位的大小,掌握面积单位的进率. (二)使学生能够进行面积单位间的简单换...
“面积”精品课程模块规划一、教材内容: 《面积》是人教版小学数学教材三年级下册第六单元的教学内容。这部分教材的主要内容原来包括四部...
第五单元 面积单元教学内容:教材 P60-75单元教学目标 :1、结合实例使学生认识面积的含义,能用自选单位估计和测量图形的面积,体会引...
25% 30 层以上的住宅公摊面积通常都占购房面积的 25% 15%-17% 多数点式的楼盘公摊面积约占购房面积的 15%-17% 13%-15% 18...
专 题 二 阴 影 部 分 面 积 计 算例 如 图 , 在 扇 形 OAB中 , C 是 OA 的 中 点 ,CD⊥OA, CD 与 AB 交...
与圆有关的组合图形的面积计算1. 计算下面图形中阴影部分的面积。(单位:厘米)2. 求下面图形中阴影部分的面积。(单位:分米)3. 计算...
(D)二次函数中的面积计算问题 [典型例题] 例. 如图,二次函数图象与轴交于 A,B 两点(A 在 B 的左边),与轴交于点 C,顶点为 M ...

