电脑桌面
添加小米粒文库到电脑桌面
安装后可以在桌面快捷访问

断面面积求法

断面面积求法_第1页
1/12
断面面积求法_第2页
2/12
断面面积求法_第3页
3/12
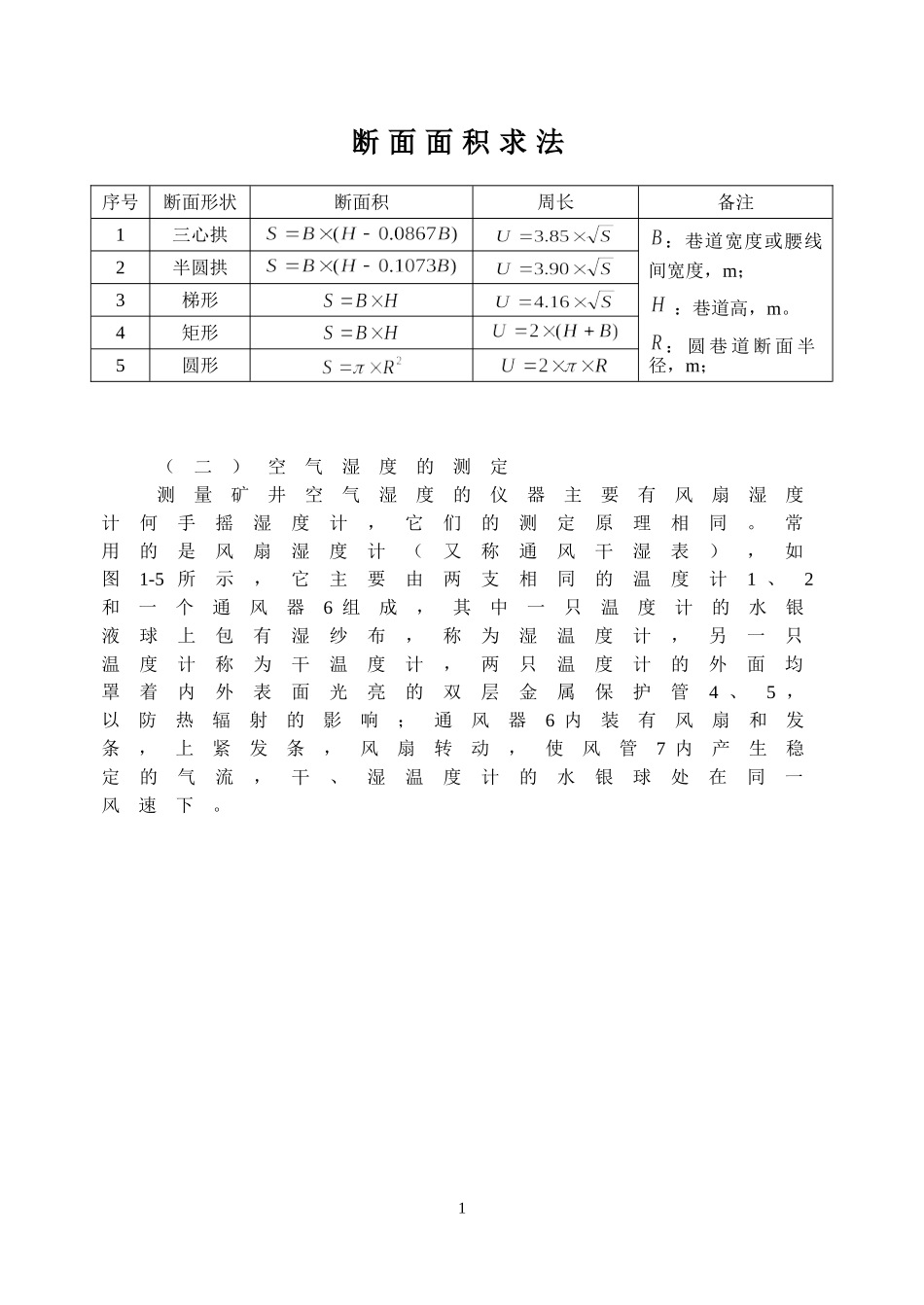
断 面 面 积 求 法(二)空气湿度的测定测量矿井空气湿度的仪器主要有风扇湿度计何手摇湿度计,它们的测定原理相同。常用的是风扇湿度计(又称通风干湿表),如图1-5 所示,它主要由两支相同的温度计1 、2和一个通风器6 组成,其中一只温度计的水银液球上包有湿纱布,称为湿温度计,另一只温度计称为干温度计,两只温度计的外面均罩着内外表面光亮的双层金属保护管4 、5 ,以防热辐射的影响;通风器6 内装有风扇和发条,上紧发条,风扇转动,使风管7 内产生稳定的气流,干、湿温度计的水银球处在同一风速下。序号断面形状断面积周长备注1三心拱:巷道宽度或腰线间宽度,m; :巷道高,m。: 圆 巷 道 断 面 半径,m;2半圆拱3梯形4矩形5圆形1图1-5 风扇湿度计1—干 球 温 度 计 ; 2—湿 球 温 度 计 ; 3—湿 棉 纱 布 ; 4 、 5—双 层 金 属 保 护 管 ; 6—通 风 器 ; 7—风 管测定相对湿度时,先用仪器附带的吸水管将湿温度计的棉纱布浸湿,然后上紧发条,小风扇转动吸风,空气从两个金属保护管4 、5 的入口进入,经中间风管7 由上部排出。由于湿球表面的水分蒸发需要热量,因而湿球温度计的温度值低于干球温度计的温度值,空气的相对湿度越小,蒸发吸热作用越显著,干湿温度差就越大。根据湿温度计的读数(′,℃)和干、湿度计的读数差值(△,℃),由表1-12即可查出空气的相对湿度()。表1-12 由风扇湿度计读数值查相对湿度湿球示度 /℃干 湿 温 度 计 示 度 度 差 /℃00.51.01.52.02.53.03.54.04.55.05.56.06.57.0相 对 湿 度/% 01009183756761544842373127221814211009183766962565044393430252117210092847770645852474237332824213100928578726560544944393531272341009386797367615651464237333026510093868074686357534844403632296100938781756964595450464238343171009387817670656056524844403733810094888276716662575349464239359100948882777268635955514744403710100948883787369646056524945423911100948984797469656157545047444112100948984797570666259555248454213100959085807671676360565350474414100959085817672686461575451484515100959085817773696562595552504716100959086827874706663605754514817100959186827874716764615855524918100959187837975716865625956535019109918837767696562595545130579272010096918783807673696663605...

1、当您付费下载文档后,您只拥有了使用权限,并不意味着购买了版权,文档只能用于自身使用,不得用于其他商业用途(如 [转卖]进行直接盈利或[编辑后售卖]进行间接盈利)。
2、本站所有内容均由合作方或网友上传,本站不对文档的完整性、权威性及其观点立场正确性做任何保证或承诺!文档内容仅供研究参考,付费前请自行鉴别。
3、如文档内容存在违规,或者侵犯商业秘密、侵犯著作权等,请点击“违规举报”。

碎片内容

断面面积求法

文章天下+ 关注
实名认证
内容提供者

各种文档应有尽有

相关文档

确认删除?
VIP
微信客服
  • 扫码咨询
会员Q群
  • 会员专属群点击这里加入QQ群
客服邮箱
回到顶部