电脑桌面
添加小米粒文库到电脑桌面
安装后可以在桌面快捷访问

衡水公元大道住宅楼建筑节能监理规划整理

衡水公元大道住宅楼建筑节能监理规划整理_第1页
1/16
衡水公元大道住宅楼建筑节能监理规划整理_第2页
2/16
衡水公元大道住宅楼建筑节能监理规划整理_第3页
3/16
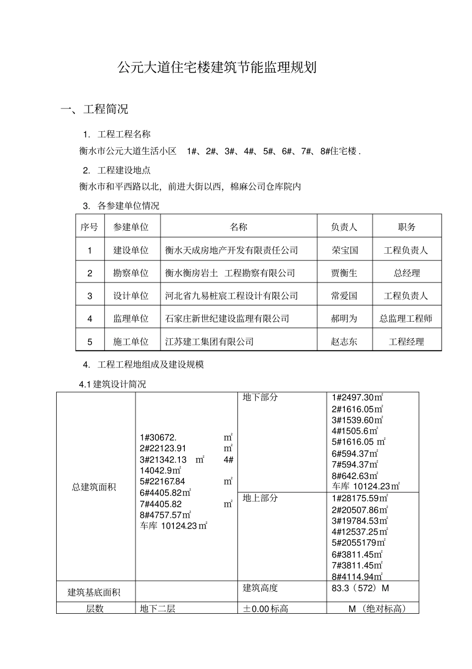
公元大道住宅楼建筑节能监理规划一、工程简况1. 工程工程名称衡水市公元大道生活小区1#、2#、3#、4#、5#、6#、7#、8#住宅楼 . 2. 工程建设地点衡水市和平西路以北,前进大街以西,棉麻公司仓库院内3. 各参建单位情况序号参建单位名称负责人职务1 建设单位衡水天成房地产开发有限责任公司荣宝国工程负责人2 勘察单位衡水衡房岩土 工程勘察有限公司贾衡生总经理3 设计单位河北省九易桩宸工程设计有限公司常爱国工程负责人4 监理单位石家庄新世纪建设监理有限公司郝明为总监理工程师5 施工单位江苏建工集团有限公司赵志东工程经理4. 工程工程地组成及建设规模4.1 建筑设计简况总建筑面积1#30672.㎡2#22123.91㎡3#21342.13㎡4# 14042.9㎡5#22167.84㎡6#4405.82㎡7#4405.82㎡8#4757.57㎡车库 10124.23 ㎡地下部分1#2497.30㎡2#1616.05㎡3#1539.60㎡4#1505.6㎡5#1616.05 ㎡6#594.37㎡7#594.37㎡8#642.63㎡车库 10124.23㎡地上部分1#28175.59㎡2#20507.86㎡3#19784.53㎡4#12537.25㎡5#2055179㎡6#3811.45㎡7#3811.45㎡8#4114.94㎡建筑基底面积建筑高度83.3(572)M 层数地下二层±0.00 标高M (绝对标高)二、 建筑节能工程监理编制依据1、《建筑节能工程施工质量验收规范》GB50411-2007;2、《建筑工程施工质量验收统一标准》GB50300;3、其他有关法律、法规及规范规定. 三、建筑节能工程监理措施:1、工程开工时,成立节能监理保证体系.以总监为代表,组成节能监督小组,做到职责分明;2、见证取样做到持证上岗,责任到人;3、对复检工作(应由具有法定资质地建筑节能检验单位承担检验工作)进地上二十六层(十八层)设计室外地坪-1.0 m 基础埋深5.7m(6.8m)建筑分类二类高层地下防水工程等级二级屋面防水等级Ⅱ级建筑防水设计地下室S6抗渗砼, SBS 改性沥青防水卷材 4mm 屋面SBS改性沥青防水卷材3mm 卫生间聚氨酯三遍涂膜防水层厚1.5~2 耐火等级二级耐久年限50年建筑抗震设防类别丙类抗震设防烈度7 度建筑工程等级一级门窗气密性等级Ⅱ级墙体外填充墙250厚加气混凝土墙内填充墙地下部分MU7.5 多孔砖地上部分200,100 厚加气混凝土墙外装修住宅:涂料屋面:上人地缸砖;不上人水泥找平层,SBS卷材外门窗为中空玻璃隔热铝合金门框内装修内墙:乳胶漆墙面顶棚:乳胶漆顶棚,石膏板吊顶楼面:防滑地砖,部分花岗岩楼面地面:细石砼垫层,水泥焦渣垫层行监督;4、无复检报告或复检不合格地产品不得用于工程建设中,对擅...

1、当您付费下载文档后,您只拥有了使用权限,并不意味着购买了版权,文档只能用于自身使用,不得用于其他商业用途(如 [转卖]进行直接盈利或[编辑后售卖]进行间接盈利)。
2、本站所有内容均由合作方或网友上传,本站不对文档的完整性、权威性及其观点立场正确性做任何保证或承诺!文档内容仅供研究参考,付费前请自行鉴别。
3、如文档内容存在违规,或者侵犯商业秘密、侵犯著作权等,请点击“违规举报”。

碎片内容

衡水公元大道住宅楼建筑节能监理规划整理

文库当当响+ 关注
实名认证
内容提供者

该用户很懒,什么也没介绍

确认删除?
VIP
微信客服
  • 扫码咨询
会员Q群
  • 会员专属群点击这里加入QQ群
客服邮箱
回到顶部