电脑桌面
添加小米粒文库到电脑桌面
安装后可以在桌面快捷访问

计算机组装与维修实训室建设方案VIP专享

计算机组装与维修实训室建设方案_第1页
1/7
计算机组装与维修实训室建设方案_第2页
2/7
计算机组装与维修实训室建设方案_第3页
3/7
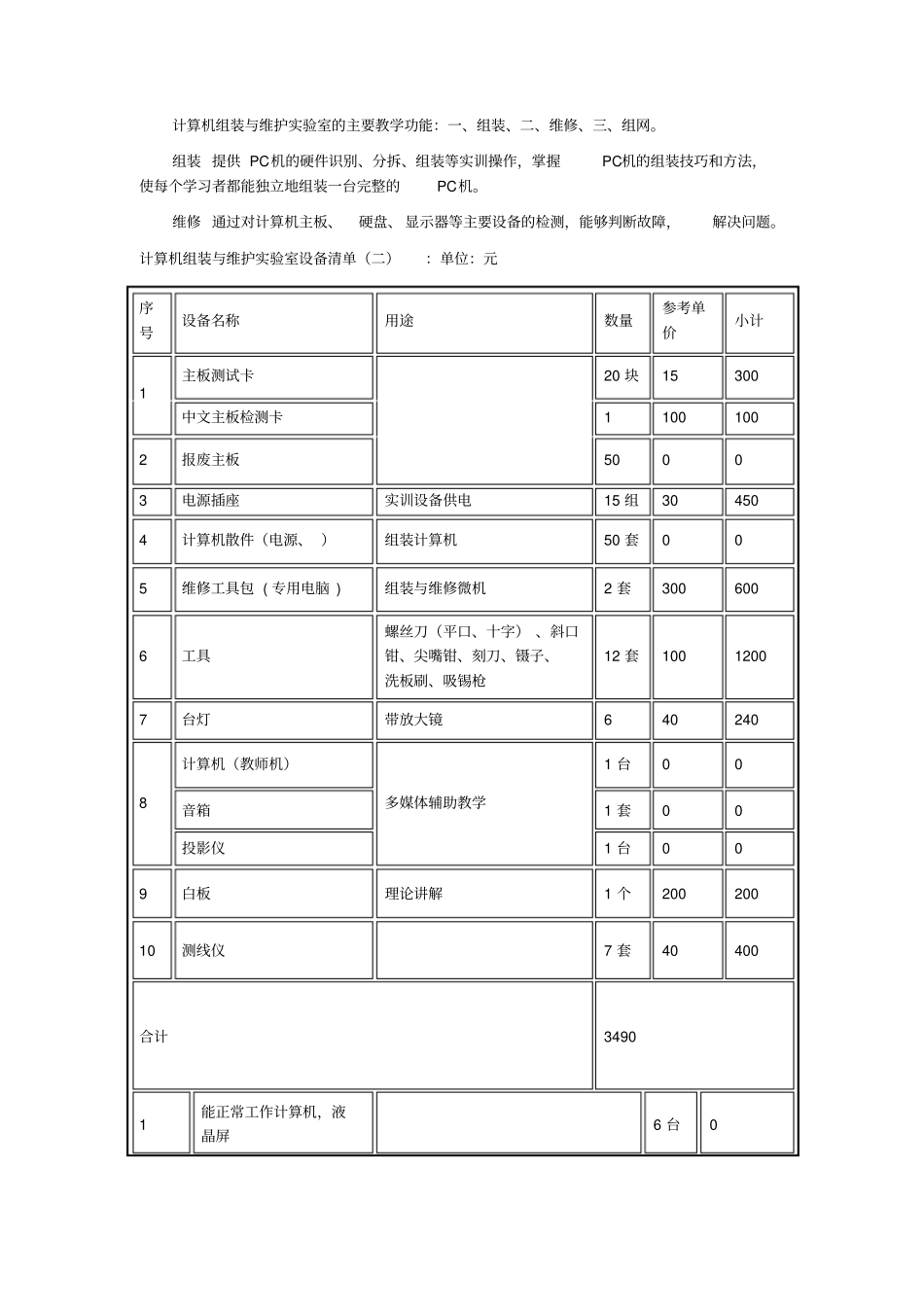
计算机组装与维修实验室建设方案计算机组装与维修室简介:计算机组装与维护实训室是专门为学生提供学习计算机硬件与常用应用软件学习与实践的场所,是一个集计算机的拆装作业、故障演示、板卡检修、软件系统调试与安装于一体的实训室。实训室对计算机专业开设《计算机组装与维护》的课程实验和技能训练,面向全校计算机类专业的学生开设《计算机组装与维护》独立实训课程。在本实训室,通过对计算机的拆装实验,有助于学生深入理解课程内容,培养动手能力和创新能力,激发学习兴趣,提高学生对软、硬件系统故障的综合分析能力和故障的实际解决能力。适用专业 : 计算机组装与维修、应用、网络、图形图像专业。实验项目:序号实验项目名称内容提要1 硬 件 功 能 及 主要 性 能 指 标 与整机兼容性对微机各部件的品牌、型号、主要参数及性能指标应予以掌握(各部件在其不同的历史时期中其主要性能指标的发展情况也应该了解并掌握)2 科目评估、调查及统计汇总1、. 当地电脑市场中各种产品及电脑部件不同型号的主要性能参数及价格进行统计和汇总;2、通过电子表格做出市面上各类品牌机的配置清单和价格表并分析其性价比;3、通过对资料的整理汇总拿出一款品牌机型自己按照其配置做一款兼容机型进行价格比较作出结论。 4、用配置表单配置一台服务器和一台经济型电脑(文字描述其兼容性) 。5、该科目对自己在所学专业中的重要性进行调查评估;3 微 机 的 组 装 及各部件的识别1. 了解并掌握微机的整体布局各插槽的类型以及各种接口、插座的连接方法; 2. 学会读主板说明书并能根据说明书进行主板设置,掌握设置主板的跳线方法;3. 掌握主板的固定方法和各种板卡插件连接的方法; 4. 掌握各部件的安装连接方法和技巧;8. 掌握面板各控制跳线及指示灯的连接方法。4 CMOS设置掌握 CMOS中基本设置方法;5 WINXP操作系统的安装1、了解硬盘的分区及格式化的方法(演示)2、学会多种不同的安装操作系统的方法。3、掌握安装和打补丁方法6 调试与测试掌握整机检测和调试。7 Ghost 工具的使用1、下载 GHOST;2、要求掌握利用Ghost 工具对操作系统进行备份和还原方法。8 应 用 软 件 的 安装掌握杀毒软件、办公软件等各种应用软件的安装方法。9 主板维修重点以学习主板维修,来学习芯片级别的维修。实验室建设 :确定计算机组装与维修实验室地址位于五楼组成装实训室,面积50 平方米,需配备维修实验台。人员和管理...

1、当您付费下载文档后,您只拥有了使用权限,并不意味着购买了版权,文档只能用于自身使用,不得用于其他商业用途(如 [转卖]进行直接盈利或[编辑后售卖]进行间接盈利)。
2、本站所有内容均由合作方或网友上传,本站不对文档的完整性、权威性及其观点立场正确性做任何保证或承诺!文档内容仅供研究参考,付费前请自行鉴别。
3、如文档内容存在违规,或者侵犯商业秘密、侵犯著作权等,请点击“违规举报”。

碎片内容

计算机组装与维修实训室建设方案

爱的疯狂+ 关注
实名认证
内容提供者

该用户很懒,什么也没介绍

确认删除?
VIP
微信客服
  • 扫码咨询
会员Q群
  • 会员专属群点击这里加入QQ群
客服邮箱
回到顶部