电脑桌面
添加小米粒文库到电脑桌面
安装后可以在桌面快捷访问

试验六日光灯电路及功率因数的提高

试验六日光灯电路及功率因数的提高_第1页
1/4
试验六日光灯电路及功率因数的提高_第2页
2/4
试验六日光灯电路及功率因数的提高_第3页
3/4
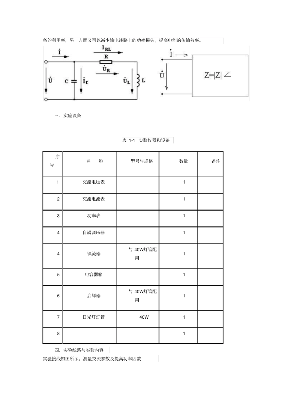
实验一日光灯电路及功率因数的提高一、实验目的1. 了解日光灯的工作原理;2. 了解提高功率因数的意义;3. 掌握提高感性负载功率因数的方法。二、实验原理说明图 1-1 日光灯电路1 、日光灯各元件的联接及其工作过程日光灯结构如图1-1所示, K 闭合时,日光灯管不导电,全部电压加在启辉器两触片之间,使启辉器中氖气击穿,产生气体放电, 此放电产生的一定热量使双金属片受热膨胀与固定片接通, 于是有电流通过日光灯管的灯丝和镇流器。短时间后双金属片冷却收缩与固定片断开,电路中的电流突然减小;根据电磁感应定律, 这时镇流器两端产生一定的感应电动势,使日光灯管两端电压产生400 至 500V高压,灯管气体电离, 产生放电, 日光灯点燃发亮。日光灯点燃后,灯管两端的电压降为100V左右,这时由于镇流器的限流作用,灯管中电流不会过大。 同时并联在灯管两端的启辉器,也因电压降低而不能放电,其触片保持断开状态。2 、功率因数提高的意义和方法对于一个无源一端口网络,如图 1-2所示,其所吸收的有功功率P=UIcosΦ 其中 cos Φ 称为功率因数。 要提高感性负载的功率因数,可以用并联电容器的办法,使流过电容器中的无功电流分量与感性负载中的无功电流分量互相补偿,以减小电压和电流之间的相位差,从而提高了功率因数。提高负载的功率因数有很大的经济意义,一方面它可以充分发挥电源设备的利用率,另一方面又可以减少输电线路上的功率损失,提高电能的传输效率。三、实验设备表 1-1 实验仪器和设备序号名称型号与规格数量备注 1 交流电压表1 2 交流电流表1 3 功率表1 4 自耦调压器1 4 镇流器与 40W灯管配用1 5 电容器箱1 6 启辉器与 40W灯管配用1 7 日光灯灯管40W 1 8 1 四、实验线路与实验内容实验接线如图所示。测量交流参数及提高功率因数按表 1-2 并联电容 C,令 U=220V不变,将测试结果填入表1-2 中表 1-2 测试结果电容值μ F测量值计算值U(V)I (A)I RL(A)I c(A)cosφ0 2.5 4.75 2.5+4.75 4.75+4.75 实验接线图五、注意事项1 、测电压、电流时,一定要注意表的档位选择,测量类型、量程都要对应。2 、功率表电流线圈的电流、电压线圈的电压都不可超过所选的额定值。3 、自耦调压器输入输出端不可接反。4 、各支路电流要接入电流插座。 5 、注意安全,线路接好后,须经指导教师检查无误后,再接通电源。六、报告要求1 、若直接测量镇流器功率,功率表应如何接线,作图说明。2 、说明功率因数提高的原因和意义。3 、收获体会及其他。

1、当您付费下载文档后,您只拥有了使用权限,并不意味着购买了版权,文档只能用于自身使用,不得用于其他商业用途(如 [转卖]进行直接盈利或[编辑后售卖]进行间接盈利)。
2、本站所有内容均由合作方或网友上传,本站不对文档的完整性、权威性及其观点立场正确性做任何保证或承诺!文档内容仅供研究参考,付费前请自行鉴别。
3、如文档内容存在违规,或者侵犯商业秘密、侵犯著作权等,请点击“违规举报”。

碎片内容

试验六日光灯电路及功率因数的提高

您可能关注的文档

文库当当响+ 关注
实名认证
内容提供者

该用户很懒,什么也没介绍

确认删除?
VIP
微信客服
  • 扫码咨询
会员Q群
  • 会员专属群点击这里加入QQ群
客服邮箱
回到顶部