电脑桌面
添加小米粒文库到电脑桌面
安装后可以在桌面快捷访问

试验报告-电子示波器的使用

试验报告-电子示波器的使用_第1页
1/4
试验报告-电子示波器的使用_第2页
2/4
试验报告-电子示波器的使用_第3页
3/4
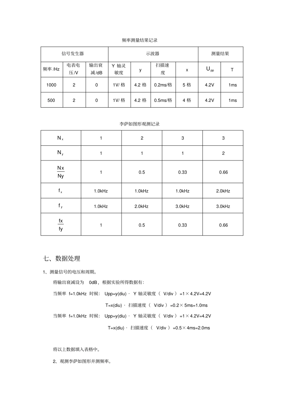
大学物理实验报告实验 3-8 电子示波器的使用一、实验任务1、学会用示波器测量各种波形的电压幅度和周期。2、能够调节出稳定的李萨如图形,并测出被测信号的频率。二、实验仪器、物品及设备OS-5020 型示波器、 EE1641B 型函数信号发生器、GFG-8015G 型函数信号发生器。三、重要仪器简介电子示波器基本构造:1、电子射线示波管;2、扫描发生器; 3、同步电路; 4、放大部分; 5、电源部分。①电子射线示波管:是示波器的核心,它由电子枪、 偏转系统和荧光屏组成,密封在一个真空玻璃壳内,作用原理是通过加压使电子射线偏转。②扫描发生器:在水平方向或者垂直方向上加电压,使得荧光屏上出现扫描线。③同步电路:为了观察到稳定的波形,要求Y 轴电压信号的周期是X 轴的整数倍。而为保证 X 轴和 Y 轴信号严格同步,同步电路中采用同步触发,即只有一个信号达到某一确定的状态才对另一信号开始扫描。④放大电路: 示波器内设有衰减器和放大器,对小信号进行放大, 对大信号进行衰减。⑤电源:为示波器各部件提供所需电压。四、实验原理①利用示波器所做的任何测量,归根结底都是对电压的测量。测量电压时, 一般测量其峰 -峰值。将被测波形移至示波屏幕中心位置,调节灵敏度开关使波形在屏幕有效工作面积内。利用刻度线读出峰-峰值对应的垂直距离y,则电压的峰-峰值ppU=y(cm) ·Y 轴灵敏度选择(V/div 或 mV /div) ②测量波形的周期时,调节扫描速度选择开关,使荧光屏上显示出2~3 个波形周期,读出一个波形周期所对应的水平距离x,则该波的周期为T=x(cm) ·X 轴扫描速度选择(s/div、ms/div 或s/div )③李萨如图形: 如果两个相互垂直的简谐振动的频率不相同,但它们之间有简单的整数比关系,则和振动的轨迹为有一定规则的稳定的闭合曲线,这样的图形称为李萨如图形。李萨如图形可以用来测量未知频率,令xf ,yf 分别代表 X 轴和 Y 轴偏转板上的电压频率,xN和yN 分别代表 X 和 Y 方向上的切线和图形相切的切点数,则有NyNxfxfy①如果已知xf ,则由李萨如图形和式①可求出yf 。五、实验步骤1、熟悉示波器和信号发生器面板各旋钮的作用,并将各开关置于指定位置,如扫描微调、电压灵敏度微调置校准档(顺时针旋至底)、扫描方式(置自动)、触发源选项(置CH1 或 CH2)、耦合方式 (置 AC) 。2、接通电源,并打开开关预热三分钟,输入幅度为2V,频率为 1kHz 的标准信号,分别调节辉度、聚焦、位...

1、当您付费下载文档后,您只拥有了使用权限,并不意味着购买了版权,文档只能用于自身使用,不得用于其他商业用途(如 [转卖]进行直接盈利或[编辑后售卖]进行间接盈利)。
2、本站所有内容均由合作方或网友上传,本站不对文档的完整性、权威性及其观点立场正确性做任何保证或承诺!文档内容仅供研究参考,付费前请自行鉴别。
3、如文档内容存在违规,或者侵犯商业秘密、侵犯著作权等,请点击“违规举报”。

碎片内容

试验报告-电子示波器的使用

确认删除?
VIP
微信客服
  • 扫码咨询
会员Q群
  • 会员专属群点击这里加入QQ群
客服邮箱
回到顶部