电脑桌面
添加小米粒文库到电脑桌面
安装后可以在桌面快捷访问

试验自由沉降试验

试验自由沉降试验_第1页
1/5
试验自由沉降试验_第2页
2/5
试验自由沉降试验_第3页
3/5
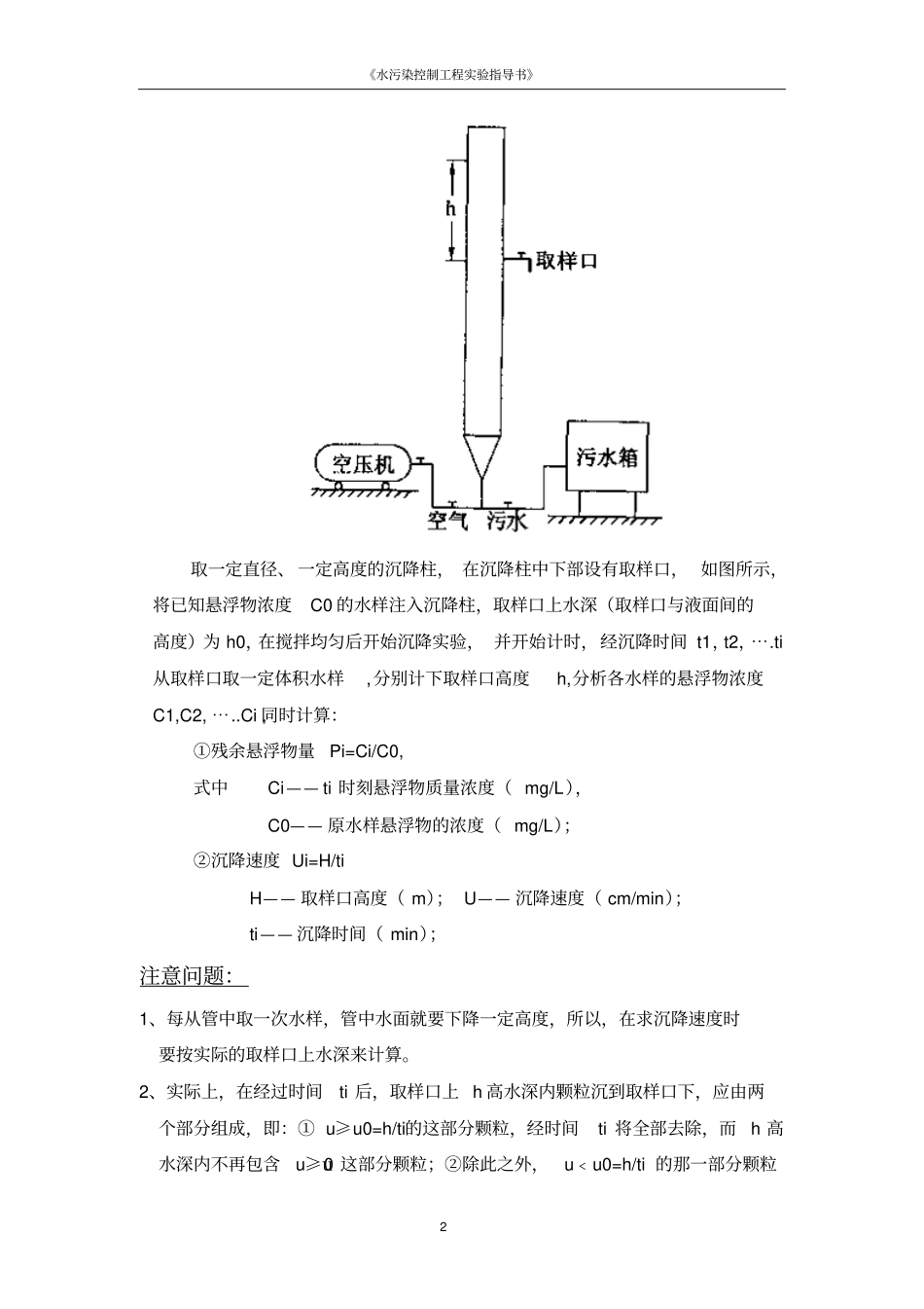
《水污染控制工程实验指导书》1 实验三自由沉降实验一、实验目的1、通过实验加深对自由沉降的概念、特点、规律的理解。2、掌握颗粒自由沉淀实验方法,根据实验结果绘制沉降速度分布曲线。二、实验原理沉淀是指从液体中借重力作用去除固体颗粒的一种过程。根据液体中固体物质的浓度和性质,可将沉淀过程分为自由沉淀、絮凝沉淀、成层沉淀和压缩沉淀等 4 类。颗粒在自由沉淀过程中呈离散状态,互不结合,其形状、尺寸、密度等物理性质均不改变,下沉速度恒定,在水流中的沉降轨迹是直线。自由沉降多发生在悬浮物浓度不高情况下,如沉砂池及初沉池中的初期沉降。为便于分析,假定:①沉降颗粒为球形,其大小、形状及质量在沉降过程中均不发生变化;②水处于静止状态,且为稀悬浮液。自由沉降过程可以由斯托克公式进行描述,即2118sgugd式中u—— 颗粒的沉速;ρ g——颗粒的密度;ρ ——液体的密度;μ—— 液体的粘滞系数;g—— 重力加速度;d—— 颗粒的直径;废水中悬浮物组成十分复杂, 颗粒形式多样, 粒径不均匀, 密度也有差异,采用斯托克公式计算颗粒的沉速十分困难,因而对沉降效率、特性的研究,通常要通过沉降实验来实现。实验可以在沉降柱中进行,方法如下:《水污染控制工程实验指导书》2 取一定直径、 一定高度的沉降柱, 在沉降柱中下部设有取样口, 如图所示,将已知悬浮物浓度C0 的水样注入沉降柱,取样口上水深(取样口与液面间的高度)为 h0,在搅拌均匀后开始沉降实验, 并开始计时,经沉降时间 t1,t2,⋯.ti 从取样口取一定体积水样,分别计下取样口高度h,分析各水样的悬浮物浓度C1,C2, ⋯..Ci ,同时计算:①残余悬浮物量Pi=Ci/C0, 式中Ci—— ti 时刻悬浮物质量浓度( mg/L),C0—— 原水样悬浮物的浓度( mg/L);②沉降速度 Ui=H/ti H—— 取样口高度( m); U—— 沉降速度( cm/min);ti—— 沉降时间( min);注意问题:1、每从管中取一次水样,管中水面就要下降一定高度,所以,在求沉降速度时要按实际的取样口上水深来计算。2、实际上,在经过时间ti 后,取样口上 h 高水深内颗粒沉到取样口下,应由两个部分组成,即:① u≥u0=h/ti的这部分颗粒,经时间ti 将全部去除,而h 高水深内不再包含u≥u0 这部分颗粒;②除此之外,u﹤u0=h/ti 的那一部分颗粒《水污染控制工程实验指导书》3 也会有一部分颗粒经时间ti 后沉降到取样口以下, 这是因为 u﹤u0 的这一部...

1、当您付费下载文档后,您只拥有了使用权限,并不意味着购买了版权,文档只能用于自身使用,不得用于其他商业用途(如 [转卖]进行直接盈利或[编辑后售卖]进行间接盈利)。
2、本站所有内容均由合作方或网友上传,本站不对文档的完整性、权威性及其观点立场正确性做任何保证或承诺!文档内容仅供研究参考,付费前请自行鉴别。
3、如文档内容存在违规,或者侵犯商业秘密、侵犯著作权等,请点击“违规举报”。

碎片内容

试验自由沉降试验

您可能关注的文档

文库当当响+ 关注
实名认证
内容提供者

该用户很懒,什么也没介绍

确认删除?
VIP
微信客服
  • 扫码咨询
会员Q群
  • 会员专属群点击这里加入QQ群
客服邮箱
回到顶部