电脑桌面
添加小米粒文库到电脑桌面
安装后可以在桌面快捷访问

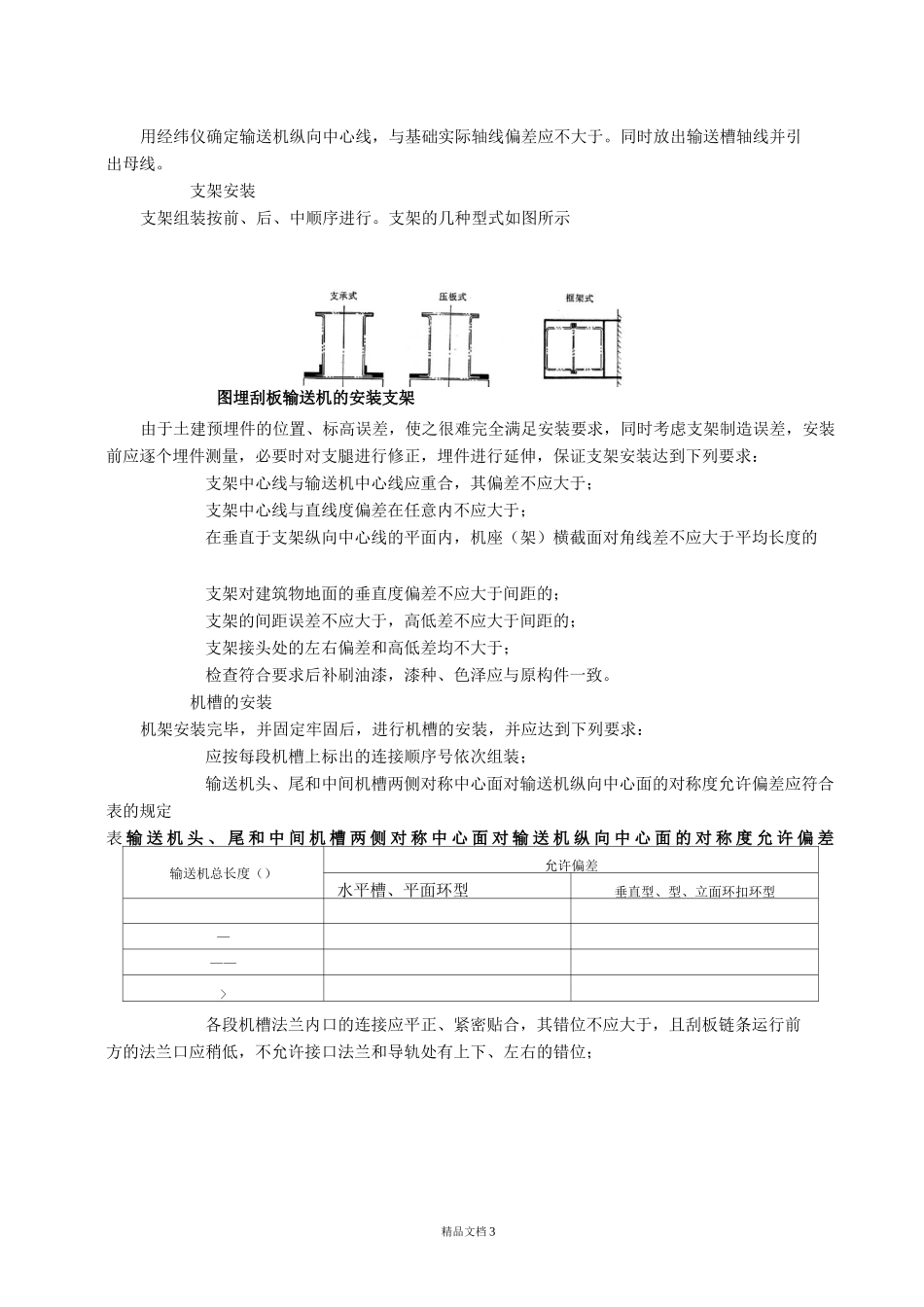
埋刮板输送机安装施工标准

埋刮板输送机安装施工标准_第1页
1/10
埋刮板输送机安装施工标准_第2页
2/10
埋刮板输送机安装施工标准_第3页
3/10
精品文档 1埋刮板输送机安装施工工艺标准适用范围本工艺标准适用于可连续输送散状物料的埋刮板输送机安装。施工准备技术准备施工技术资料取得完整的设计文件和设备技术文件;进行图纸会审并形成记录;对其到货的埋刮板输送机进行现场察看,阅读其安装说明及试运转要求。编制施工方案并获得监理单位(或其它相应权力部门)的批准对施工班组进行技术交底。相关标准规范《连续输送设备安装工程施工及验收规范》《机械设备安装工程施工及验收通用规范》《现场设备、工业管道焊接工程施工及验收规范》《工业设备、管道防腐蚀工程施工及验收规范》《化工建设安装工程起重施工规范》《化学工业工程建设交工技术规定》作业人员表埋刮板输送机安装主要工种一览表序号工种持证上岗要求备注钳工电工持证上岗焊工持证上岗起重工持证上岗油漆工开工前对进场施工人员进行安全教育、健康及环境保护教育方面的岗前教育;就有关技术标准、规范和施工方案进行技术交底,并形成记录。设备、材料的验收及保管设备的验收、保管开箱检查对业主供应的设备要有业主、供货厂家、监理、安装单位四方共同参加。开箱检查按下列程序进行:(1)检查包装物是否损坏,如有损坏做出记录。⑵ 查验产品合格证、安装使用说明书等技术资料是否齐全,是否符合材料清单中的要求。⑶ 点验实物:按装箱清单对实物进行清点,检查数量是否齐全。①钢结构的检查:预组装的钢结构,分解运输的各独立构件应涂以底漆并进行编号,其附件精品文档 2及联接零件等单独进行标记;用直升机吊装的构件,尚应标明构件的质量、重心位置和定位标记。② 对钢丝绳进行外观检查时,如发现绳盘损伤、包装损坏、钢丝锈蚀或其他缺陷,应会同有关方面详细检查并采取有效措施,否则不得交付安装。③ 所有的机械设备,应检查是否按设计配备了地脚螺栓、垫圈、螺母和防松装置。④ 电气装置的检查应按现行的《电气装置安装工程施工及验收规范》的规定执行。⑷ 开箱各方代表在开箱记录上签字设备入库保管()除零件和某些附件外,钢结构可堆存在露天场地上,但堆存时不得接触地面;各构件应稳固地堆存在垫块上,堆层的高度不得超过;桁架应直立堆存,各构件上不应积水。支点布置应防止局部应力过大和结构变形等。()钢丝绳应保管在材料库内;施工过程沿线存放时,绳盘应稳固地支承在垫块上,距离地面不得小于,绳盘上应复盖防护物。()电气装置的保管应按现行的《电气装置安装工程施工及验收规范》的规定执行。安装...

1、当您付费下载文档后,您只拥有了使用权限,并不意味着购买了版权,文档只能用于自身使用,不得用于其他商业用途(如 [转卖]进行直接盈利或[编辑后售卖]进行间接盈利)。
2、本站所有内容均由合作方或网友上传,本站不对文档的完整性、权威性及其观点立场正确性做任何保证或承诺!文档内容仅供研究参考,付费前请自行鉴别。
3、如文档内容存在违规,或者侵犯商业秘密、侵犯著作权等,请点击“违规举报”。

碎片内容

埋刮板输送机安装施工标准

确认删除?
VIP
微信客服
  • 扫码咨询
会员Q群
  • 会员专属群点击这里加入QQ群
客服邮箱
回到顶部