电脑桌面
添加小米粒文库到电脑桌面
安装后可以在桌面快捷访问

路基桥梁各工序表格

路基桥梁各工序表格_第1页
1/27
路基桥梁各工序表格_第2页
2/27
路基桥梁各工序表格_第3页
3/27
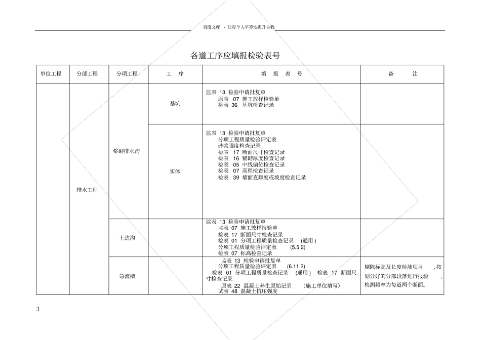
百度文库- 让每个人平等地提升自我1各道工序应填报检验表号单位工程分部工程分项工程工序填报表号备注路基工程路基土石方路基土石方工程(必须提前确定分部工程划分)地表清理监表 13 检验申请批复单检表 08 清理与掘除检查记录(如有)原表 03 填前地表处理原始记录(如有)检表 03 宽度检查记录(附示意图)填前碾压检验申请批复单原表 09 路基翻浆处理原始记录(如有)检表 07 标高检查记录检表 03 宽度检查记录压实度检测记录检表 05 中(轴)线偏位检查记录软基处理 (换填 ) 监表 13 检验申请批复单检表 07 标高检查记录检表 03 宽度检查记录检表 06 厚度检查记录压实度检查记录(检表89 沉降量检查记录)原表 06 砂砾垫层土工布施工原始记录(施工单位填写)检表 12 防裂工程土木合成材料搭接宽度检查记录(施工单位填写)原表 04 填土路基施工原始记录(施工单位填写)冲击压实监表 13 检验申请批复单检表 07 标高检查记录压实度检查记录检表 03 宽度检查记录原表 15 冲击压实施工原始记录(施工单位填写)水泥搅拌桩监表 13 检验申请批复单检表 01 分项工程质量检查记录(通用 ) 百度文库- 让每个人平等地提升自我2原表 16 水泥搅拌桩施工原始记录(施工单位填写)各道工序应填报检验表号单位工程分部工程分项工程工序填报表号备注路基工程路基土石方路基土石方工程(必须提前确定分部工程划分)施工阶段监表 13 检验申请批复单原表 04 填土路基施工原始记录(施工单位填写)原表 09 路基翻浆处理原始记录(如有)检表 07 标高检查记录 (每三层填写 ) 检表 05 中(轴)线偏位检查记录(每三层填写 ) 检表 11 路基边坡坡度检查记录(每三层填写)压实度检查记录(每层填写 ) 检表 06 厚度检查记录 (每层填写 ) 检表 03 宽度检查记录 (三层时填写 ) 标高检测位置:每断面共测5 点,其中中心线 1 点;两侧 1/3 及 2/3 半幅宽处各 1 点(根据路基宽度调整)路床 (0— 80cm) 监表 13 检验申请批复单原表 09 路基翻浆处理原始记录(如有)检表 02 标高横坡检查记录(每层时填写 ) 检表 05 中(轴)线偏位检查记录(每层时填写 ) 检表 11 路基边坡坡度检查记录((每三层填写)压实度检查记录(每层填写 ) 检表 06 厚度检查记录 (每层填写 ) 检表 03 宽度检查记录 (三层时填写 ) 原表 04 填土路基施工原始记录(施工单位填写)标...

1、当您付费下载文档后,您只拥有了使用权限,并不意味着购买了版权,文档只能用于自身使用,不得用于其他商业用途(如 [转卖]进行直接盈利或[编辑后售卖]进行间接盈利)。
2、本站所有内容均由合作方或网友上传,本站不对文档的完整性、权威性及其观点立场正确性做任何保证或承诺!文档内容仅供研究参考,付费前请自行鉴别。
3、如文档内容存在违规,或者侵犯商业秘密、侵犯著作权等,请点击“违规举报”。

碎片内容

路基桥梁各工序表格

爱的疯狂+ 关注
实名认证
内容提供者

该用户很懒,什么也没介绍

相关文档

确认删除?
VIP
微信客服
  • 扫码咨询
会员Q群
  • 会员专属群点击这里加入QQ群
客服邮箱
回到顶部