电脑桌面
添加小米粒文库到电脑桌面
安装后可以在桌面快捷访问

路灯施工承包合同书

路灯施工承包合同书_第1页
1/3
路灯施工承包合同书_第2页
2/3
路灯施工承包合同书_第3页
3/3
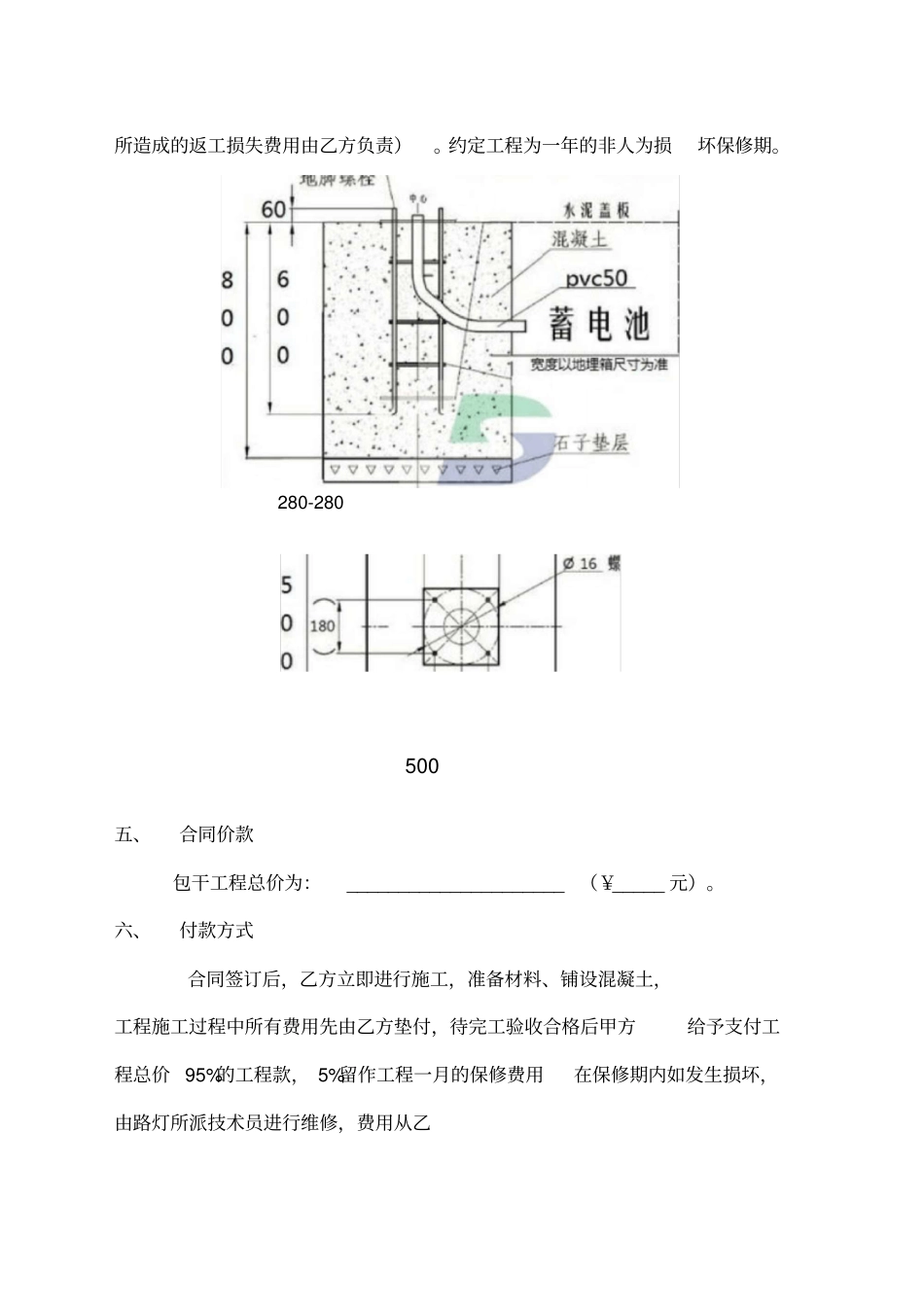
路灯施工工程合同书发包人(全称): _________________________ (以下简称甲方)承包人(全称): ________________________ (以下简称乙方)依照《中华人民共和国合同法》、《中华人民共和国建筑法》及其他有关法律、行政法规,遵循平等、自愿、公平和诚实信用的原则,双方就本工程施工事项协商一致,订立本合同。一、工程概况工程名称: 7 米单挑太阳路灯工程地点: *** 县*** 乡街道工程内容:旧路灯及路灯基础拆除、新路灯安装调试。二、工程承包范围承包范围:以包工包料方式将旧路灯及路灯基础拆除、新安装 7 米单挑太阳路灯、新浇注路灯基础、开挖和回填、时清理现场减少对人行及车辆的通行阻碍、路灯施工安装并亮灯运行等。发包方提供的预埋件、新灯杆、太阳板、控制器、电池及电池盒。三、合同工期开工日期: ________ 年—月—日竣工日期: ________ 年—月—日四、工程质量管理及标准。1. 试工严格按照试工图纸由乡市政负责全程监督。2. 工程质量标准必须全部合格(如因工程质量未达到标准,所造成的返工损失费用由乙方负责)。约定工程为一年的非人为损坏保修期。280-280 500 五、合同价款包干工程总价为:_____________________ (¥_____ 元)。六、付款方式合同签订后,乙方立即进行施工,准备材料、铺设混凝土,工程施工过程中所有费用先由乙方垫付,待完工验收合格后甲方给予支付工程总价95%的工程款, 5%留作工程一月的保修费用在保修期内如发生损坏,由路灯所派技术员进行维修,费用从乙承包方(章):身份证号码: 联系电话: 日期: 年月 日方工程质保金中扣除,工程余款一月后付清。七、安全责任乙方在路灯施工过程中,应注意安全监管,杜绝安全事故发 生。一旦发生安全事故,所有责任概由乙方承担全部责任。八、本协议一式两份,双方各执一份。九、 合同生效与失效合同经双方阅读确认签字后生效,具有同等法律效力,工程验收合格付清款项后失效。发包方(章):法定代表人或委托法定法定代表人:日期:年 月 日

1、当您付费下载文档后,您只拥有了使用权限,并不意味着购买了版权,文档只能用于自身使用,不得用于其他商业用途(如 [转卖]进行直接盈利或[编辑后售卖]进行间接盈利)。
2、本站所有内容均由合作方或网友上传,本站不对文档的完整性、权威性及其观点立场正确性做任何保证或承诺!文档内容仅供研究参考,付费前请自行鉴别。
3、如文档内容存在违规,或者侵犯商业秘密、侵犯著作权等,请点击“违规举报”。

碎片内容

路灯施工承包合同书

您可能关注的文档

确认删除?
VIP
微信客服
  • 扫码咨询
会员Q群
  • 会员专属群点击这里加入QQ群
客服邮箱
回到顶部