电脑桌面
添加小米粒文库到电脑桌面
安装后可以在桌面快捷访问

软件开发项目组现场监理检查记录表

软件开发项目组现场监理检查记录表_第1页
1/2
软件开发项目组现场监理检查记录表_第2页
2/2
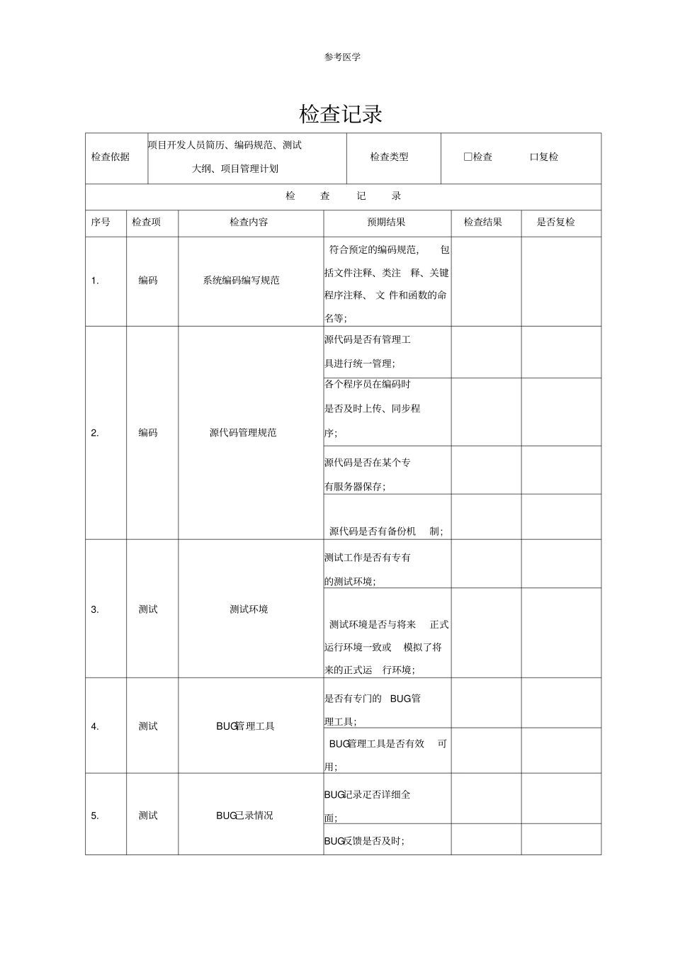
参考医学检查记录检查依据项目开发人员简历、编码规范、测试大纲、项目管理计划检查类型□检查口复检检查记录序号检查项检查内容预期结果检查结果是否复检1. 编码系统编码编写规范符合预定的编码规范,包括文件注释、类注释、关键程序注释、 文 件和函数的命名等;2. 编码源代码管理规范源代码是否有管理工具进行统一管理;各个程序员在编码时是否及时上传、同步程序;源代码是否在某个专有服务器保存;源代码是否有备份机制; 3. 测试测试环境测试工作是否有专有的测试环境;测试环境是否与将来正式运行环境一致或模拟了将来的正式运行环境;4. 测试BUG管理工具是否有专门的 BUG管理工具;BUG管理工具是否有效可用;5. 测试BUG己录情况BUG记录疋否详细全面;BUG反馈是否及时;参考医学6. 测试BUG修改记录BUG修改是否及时;Bug 修改记录是否详细全面;对于已经修改的Bug 是否进行了回测;Bug状态转换是否合理等;7. 进度工程实际进度与监理公司收到的贵公司提交的最新版项目计划、每周周报、会议纪要决定的工作内容对比,贵方的实际开 发工作是否与预定的 计划安排相符合;8. 9. (注:表格素材和资料部分来自网络,供参考。只是收取少量整理收集费用,请预览后才下载,期待你的好评与关注)

1、当您付费下载文档后,您只拥有了使用权限,并不意味着购买了版权,文档只能用于自身使用,不得用于其他商业用途(如 [转卖]进行直接盈利或[编辑后售卖]进行间接盈利)。
2、本站所有内容均由合作方或网友上传,本站不对文档的完整性、权威性及其观点立场正确性做任何保证或承诺!文档内容仅供研究参考,付费前请自行鉴别。
3、如文档内容存在违规,或者侵犯商业秘密、侵犯著作权等,请点击“违规举报”。

碎片内容

软件开发项目组现场监理检查记录表

爱的疯狂+ 关注
实名认证
内容提供者

该用户很懒,什么也没介绍

确认删除?
VIP
微信客服
  • 扫码咨询
会员Q群
  • 会员专属群点击这里加入QQ群
客服邮箱
回到顶部