电脑桌面
添加小米粒文库到电脑桌面
安装后可以在桌面快捷访问

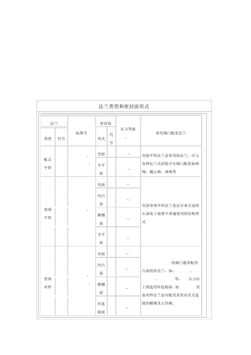
法兰密封面类型表

法兰密封面类型表_第1页
1/6
法兰密封面类型表_第2页
2/6
法兰密封面类型表_第3页
3/6
法 兰 密 封 面 类 型 表 名 称 特 点 说 明 示 意 图 突 面 ( RF) 表 面 是 一 个 光 滑 的 平 面 , 也 可 车 制 密 纹 水 线 。 密 封 面 结 构简 单 , 加 工 方 便 , 且 便 于 进 行 防 腐 衬 里 。 但 是 , 这 种 密 封面 垫 片 接 触 面 积 较 大 , 预 紧 时 垫 片 容 易 往 两 边 挤 , 不 易 压紧 。 ( 附 图(a)) 凹 凸 面( MFM) 密 封 面 是 由 一 个 凸 面 和 一 个 凹 面 相 配 合 组 成 , 在 凹 面 上 放置 垫 片 , 能 够 防 止 垫 片 被 挤 出 , 故 可 适 用 于 压 力 较 高 的 场合 。 ( 附 图(b)) 榫 槽 面 (TG) 密 封 面 是 由 榫 和 槽 所 组 成 的 ,垫 片 置 于 槽 中 ,不 会 被 挤 动 。垫 片 可 以 较 窄 , 因 而 压 紧 垫 片 所 需 的 螺 栓 力 也 就 相 应 较小 。 即 使 用 于 压 力 较 高 之 处 , 螺 栓 尺 寸 也 不 致 过 大 。 因 而 ,它 比 以 上 两 种 密 封 面 均 易 获 得 良 好的 密 封 效果。密 封 面 的缺点 是 结 构 与制 造比 较 复杂,更换挤 在 槽 中 的 垫 片 比 较 困难。 此外, 榫 面 部分容 易 损坏, 在 拆装或运输过 程中 应 加以 注意 。 榫 槽 密 封 面 适 于 易 燃、易 爆、有毒的 介质以 及较高 压 力 的 场 合 。 当压 力 不 大 时 , 即 使 直径较 大 , 也 能 很好地密 封 。 ( 附 图(c)) 全平 面 ( FF)与环连接 面( RJ) 全平 面 密 封 适 合 于 压 力 较 小 的 场 合 ( PN≤1.6MPa) ; 环连接 面 主要用 在 带颈对焊法 兰 与整体法 兰 上 , 适 用 压 力范围为( 6.3MPa≤PN≤25.0MPa) 。 ( 附 图(d)和(e)) 其它 类 型密 封 面 对于 高 压 容 器和 高 压 管道的 密 封 ,密 封 面 可 采用 锥形密 封面 或梯形槽 密 封 面 ,它 们分别与球面 金属垫 片( 透镜垫 片 )和 椭圆形或八角形截面 的 金属垫 片 配 合 。密 封 面 可 适 用 于压 力 较 高 的 场 合 , 但 需 要的 尺 寸 精度和 表 面 光 洁度高 ,...

1、当您付费下载文档后,您只拥有了使用权限,并不意味着购买了版权,文档只能用于自身使用,不得用于其他商业用途(如 [转卖]进行直接盈利或[编辑后售卖]进行间接盈利)。
2、本站所有内容均由合作方或网友上传,本站不对文档的完整性、权威性及其观点立场正确性做任何保证或承诺!文档内容仅供研究参考,付费前请自行鉴别。
3、如文档内容存在违规,或者侵犯商业秘密、侵犯著作权等,请点击“违规举报”。

碎片内容

法兰密封面类型表

确认删除?
VIP
微信客服
  • 扫码咨询
会员Q群
  • 会员专属群点击这里加入QQ群
客服邮箱
回到顶部