电脑桌面
添加小米粒文库到电脑桌面
安装后可以在桌面快捷访问

泛光照明整套开工报告及竣工竣工资料表格范本

泛光照明整套开工报告及竣工竣工资料表格范本_第1页
1/12
泛光照明整套开工报告及竣工竣工资料表格范本_第2页
2/12
泛光照明整套开工报告及竣工竣工资料表格范本_第3页
3/12
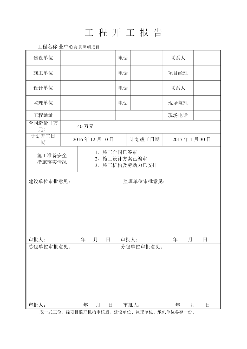
浙建监A1-1 工程开工报审表 工程名称:商业中心夜景照明项目 编 号:A1-TXGJ-02 致: (监理单位) 我方承担的商业中心夜景照明项工程,已完成了以下各项工作,具备了开工条件,特此申请施工,请核查签发开工指令。 1、施工组织设计已获总监理工程师批准; □ 2、现场管理人员已到位,专职管理人员和特种作业人员已取得资格证、上岗证; □ 3、进场道路及水、电、通讯等已满足开工要求; □ 4、现场管理及施工人员名单; □ 5、开工报告。 □ 承包单位(章): 总包单位(章): 项目经理: 项目经理: 日 期: 日 期: 审批意见: 项目监理机构(章): 总监理工程师: 日 期: 本表一式三份,经项目监理机构审核后,建设单位、监理单位、承包单位各存一份。 工 程 开 工 报 告 工程名称:业中心夜景照明项目 建设单位 电话 联系人 施工单位 电话 项目经理 设计单位 电话 联系人 监理单位 电话 现场监理 工程地址 现场电话 合同造价(万元) 40 万元 计划开工日期 2016 年12 月10 日 计划竣工日期 2017 年1 月30 日 施工准备安全 措施落实情况 1、施工合同已签审 2、施工设计方案已编审 3、施工机构及劳动力已安排 建设单位审批意见: 监理单位审批意见: 审批人: 年 月 日 审批人: 年 月 日 总包单位审批意见: 分包单位审批意见: 审批人: 年 月 日 审批人: 年 月 日 表一式三份,经项目监理机构审核后,建设单位、监理单位、承包单位各存一份。 浙建监A 5 承包单位人员资质报审表 工程名称:商业中心夜景照明项目 编号: 致: (监理单位) 我单位完成商业中心夜景照明工程项目部班子的组建和施工人员配备工作,有关资质资格自审合格。现上报请予以审查和验收。 附件:1.企业营业执照 2. 企业资质证书 3. 企业安全生产许可证 4. 项目管理班子成员 承包单位(章): 总包单位(章): 项目经理: 项目经理: 日 期: 日 期: 审查意见: 项目监理机构: 总/专业监理工程师: 日 期: 表一式三份,经项目监理机构审核后,建设单位、监理单位、承包单位各存一份。 浙建监A 2 施工组织设计(方案)报审表 工程名称:商业中心夜景照明项目 编号: .致: (监理单位) 我方已根据施工合同的有关规定完成了商业中心夜景照明工程施工组织设计(专项施工方案)编制,并经我单位上级技术负责人审查批准,请予以审查。 附件:...

1、当您付费下载文档后,您只拥有了使用权限,并不意味着购买了版权,文档只能用于自身使用,不得用于其他商业用途(如 [转卖]进行直接盈利或[编辑后售卖]进行间接盈利)。
2、本站所有内容均由合作方或网友上传,本站不对文档的完整性、权威性及其观点立场正确性做任何保证或承诺!文档内容仅供研究参考,付费前请自行鉴别。
3、如文档内容存在违规,或者侵犯商业秘密、侵犯著作权等,请点击“违规举报”。

碎片内容

泛光照明整套开工报告及竣工竣工资料表格范本

您可能关注的文档

确认删除?
VIP
微信客服
  • 扫码咨询
会员Q群
  • 会员专属群点击这里加入QQ群
客服邮箱
回到顶部