电脑桌面
添加小米粒文库到电脑桌面
安装后可以在桌面快捷访问

泵安装分项工程质量验收记录

泵安装分项工程质量验收记录_第1页
1/23
泵安装分项工程质量验收记录_第2页
2/23
泵安装分项工程质量验收记录_第3页
3/23
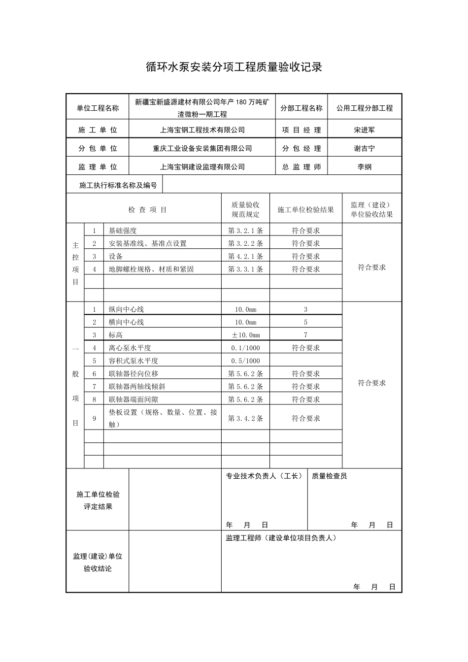
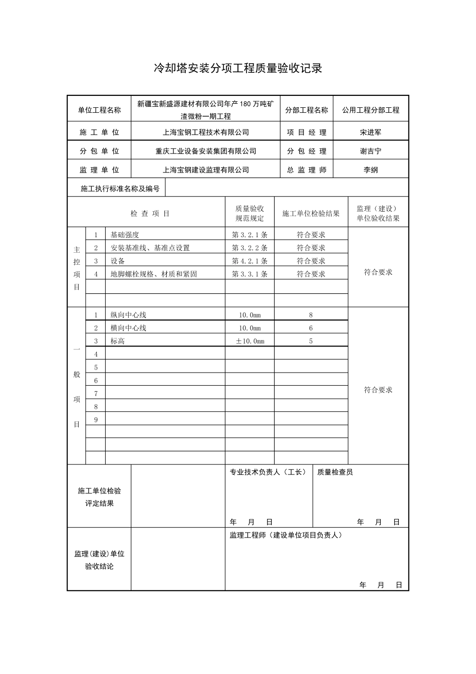
循环水泵安装分项工程质量验收记录 单位工程名称 新疆宝新盛源建材有限公司年产180 万吨矿渣微粉一期工程 分部工程名称 公用工程分部工程 施 工 单 位 上海宝钢工程技术有限公司 项 目 经 理 宋进军 分 包 单 位 重庆工业设备安装集团有限公司 分 包 经 理 谢吉宁 监 理 单 位 上海宝钢建设监理有限公司 总 监 理 师 李纲 施工执行标准名称及编号 检 查 项 目 质量验收 规范规定 施工单位检验结果 监理(建设) 单位验收结果 主 控 项 目 1 基础强度 第3.2.1 条 符合要求 符合要求 2 安装基准线、基准点设置 第3.2.2 条 符合要求 3 设备 第4.2.1 条 符合要求 4 地脚螺栓规格、材质和紧固 第3.3.1 条 符合要求 一 般 项 目 1 纵向中心线 10.0mm 3 符合要求 2 横向中心线 10.0mm 5 3 标高 ±10.0mm 7 4 离心泵水平度 0.1/1000 符合要求 5 容积式泵水平度 0.5/1000 6 联轴器径向位移 第5.6.2 条 符合要求 7 联轴器两轴线倾斜 第5.6.2 条 符合要求 8 联轴器端面间隙 第5.6.2 条 符合要求 9 垫板设置(规格、数量、位置、接触) 第3.4.2 条 符合要求 施工单位检验 评定结果 专业技术负责人(工长) 年 月 日 质量检查员 年 月 日 监理(建设)单位 验收结论 监理工程师(建设单位项目负责人) 年 月 日 冷却塔安装分项工程质量验收记录 单位工程名称 新疆宝新盛源建材有限公司年产180 万吨矿渣微粉一期工程 分部工程名称 公用工程分部工程 施 工 单 位 上海宝钢工程技术有限公司 项 目 经 理 宋进军 分 包 单 位 重庆工业设备安装集团有限公司 分 包 经 理 谢吉宁 监 理 单 位 上海宝钢建设监理有限公司 总 监 理 师 李纲 施工执行标准名称及编号 检 查 项 目 质量验收 规范规定 施工单位检验结果 监理(建设) 单位验收结果 主 控 项 目 1 基础强度 第3.2.1 条 符合要求 符合要求 2 安装基准线、基准点设置 第3.2.2 条 符合要求 3 设备 第4.2.1 条 符合要求 4 地脚螺栓规格、材质和紧固 第3.3.1 条 符合要求 一 般 项 目 1 纵向中心线 10.0mm 8 符合要求 2 横向中心线 10.0mm 6 3 标高 ±10.0mm 5 4 5 6 7 8 9 施工单位检验 评定结果 专业技术负责人(工长) 年 月 日 质量检查员 年 月 日 监理(建设)...

1、当您付费下载文档后,您只拥有了使用权限,并不意味着购买了版权,文档只能用于自身使用,不得用于其他商业用途(如 [转卖]进行直接盈利或[编辑后售卖]进行间接盈利)。
2、本站所有内容均由合作方或网友上传,本站不对文档的完整性、权威性及其观点立场正确性做任何保证或承诺!文档内容仅供研究参考,付费前请自行鉴别。
3、如文档内容存在违规,或者侵犯商业秘密、侵犯著作权等,请点击“违规举报”。

碎片内容

泵安装分项工程质量验收记录

您可能关注的文档

确认删除?
VIP
微信客服
  • 扫码咨询
会员Q群
  • 会员专属群点击这里加入QQ群
客服邮箱
回到顶部