电脑桌面
添加小米粒文库到电脑桌面
安装后可以在桌面快捷访问

泵管加固施工方案VIP专享

泵管加固施工方案_第1页
1/8
泵管加固施工方案_第2页
2/8
泵管加固施工方案_第3页
3/8
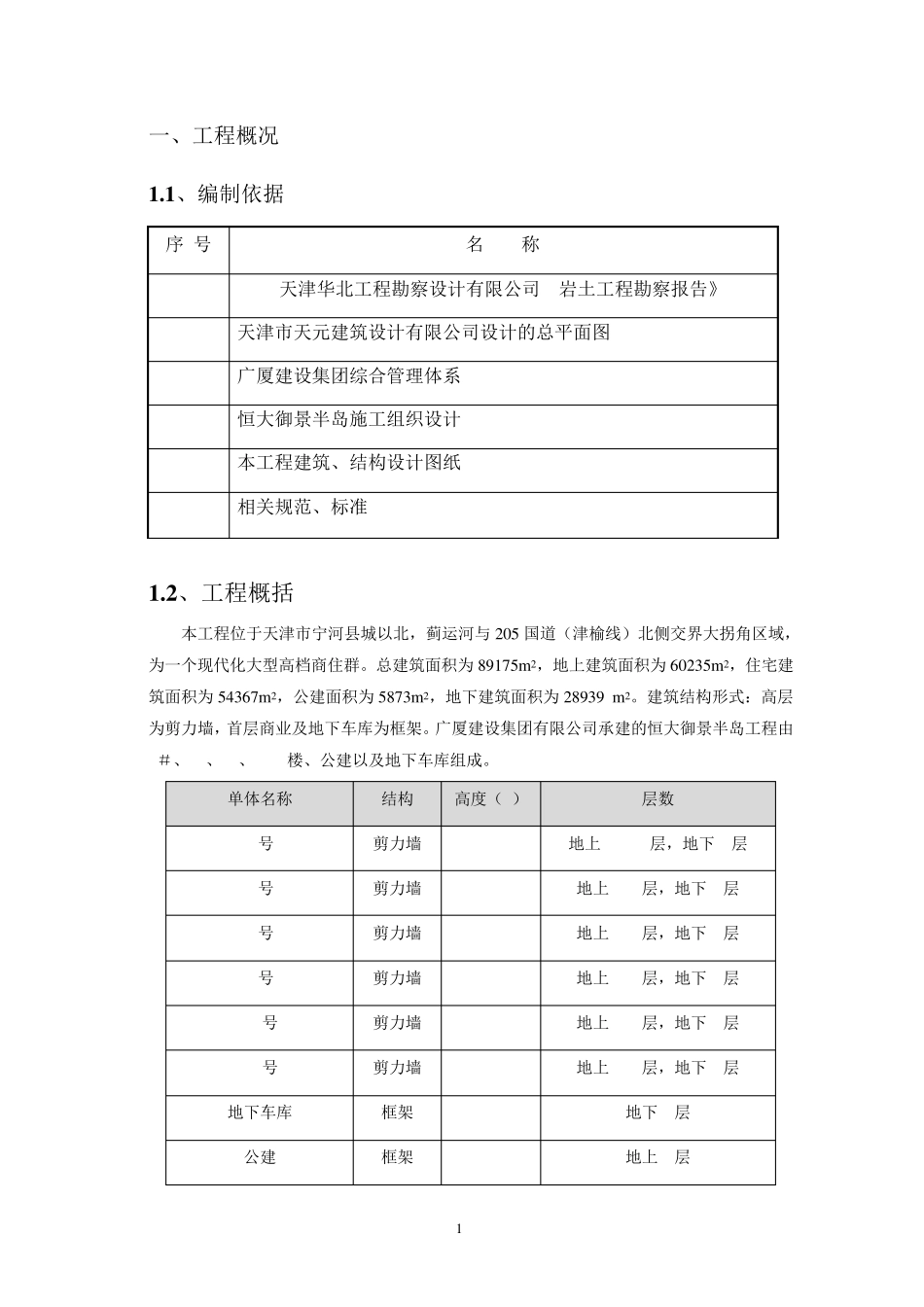
1 目 录 一、编制依据 ........................................................ 1 二.工程概况 ........................................................ 1 2.1、屋面结构概况 .............................. 错误!未定义书签。 三、工程目标 ....................................... 错误!未定义书签。 四、施工组织管理体系 ............................... 错误!未定义书签。 五.施工部署 ....................................... 错误!未定义书签。 5.1、材料准备 .................................. 错误!未定义书签。 5.2、机具准备 .................................. 错误!未定义书签。 5.3、技术准备 .................................. 错误!未定义书签。 5.4、施工进度和人员安排 ........................ 错误!未定义书签。 5.5.作业条件 .................................. 错误!未定义书签。 六、主要施工方法 ................................... 错误!未定义书签。 6.1、施工工艺流程 .............................. 错误!未定义书签。 6.2、操作工艺 .................................. 错误!未定义书签。 七、屋面工程重点及相关控制措施 ..................... 错误!未定义书签。 7.1、屋面阴阳角部位: ........................... 错误!未定义书签。 7.2、女儿墙部位做法如图: ....................... 错误!未定义书签。 7.3、通风井根部做法如图: ....................... 错误!未定义书签。 7.4、排风通气孔根部做法 ........................ 错误!未定义书签。 7.5、排气管做法 ................................ 错误!未定义书签。 7.6、落水口做法 ................................ 错误!未定义书签。 1 一、工程概况 1 .1 、编制依据 序 号 名 称 1 天津华北工程勘察设计有限公司<<岩土工程勘察报告》 2 天津市天元建筑设计有限公司设计的总平面图 3 广厦建设集团综合管理体系 4 恒大御景半岛施工组织设计 5 本工程建筑、结构设计图纸 6 相关规范、标准 1 .2 、工程概括 本工程位于天津市宁河县城以北,蓟运河与 205 国道(津榆线)北侧交界大拐角区域,为一个现代化大型高档商住群。总建筑面积为 89175m 2,地上建筑面积为 60235m 2,住宅建筑面积为 54367m 2,公建面...

1、当您付费下载文档后,您只拥有了使用权限,并不意味着购买了版权,文档只能用于自身使用,不得用于其他商业用途(如 [转卖]进行直接盈利或[编辑后售卖]进行间接盈利)。
2、本站所有内容均由合作方或网友上传,本站不对文档的完整性、权威性及其观点立场正确性做任何保证或承诺!文档内容仅供研究参考,付费前请自行鉴别。
3、如文档内容存在违规,或者侵犯商业秘密、侵犯著作权等,请点击“违规举报”。

碎片内容

泵管加固施工方案

确认删除?
VIP
微信客服
  • 扫码咨询
会员Q群
  • 会员专属群点击这里加入QQ群
客服邮箱
回到顶部