电脑桌面
添加小米粒文库到电脑桌面
安装后可以在桌面快捷访问

泵车调试相关资料

泵车调试相关资料_第1页
1/11
泵车调试相关资料_第2页
2/11
泵车调试相关资料_第3页
3/11
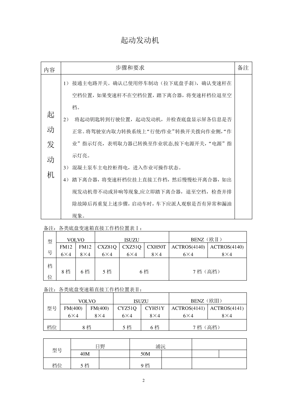
1 泵车调试 开机调试 内容 步骤和要求 备注 开机调试准备工作 1) 混凝土泵车就位后,调试工作人员必须戴好安全帽,作好适当的防护措施,方能进入工位开始下一步的工作。 2) 详细检查混凝土泵车底盘部分;同时检查取力器控制气压(8bar)及底盘部分气压(10bar左右)是否正常;并认真填写《混凝土泵车装配完备性检验表(底盘)》(见附录1)中。 3) 检查焊缝质量,并记入《混凝土泵车装配完备性检验表(臂架、泵送)》(见附录2)中。 4) 检查上车部分是否正常;检查泵送部分是否正常;随机所配物品是否齐全(水枪、水枪配件,水枪胶管,润滑脂加油枪,活塞总成及活塞配件);并记入《混凝土泵车装配完备性检验表(臂架、泵送)》中。 5) 检查各螺纹紧固件的紧固度,并认真填写完《混凝土泵车装配完备性检验表(臂架、泵送)》 中的所有内容。 6) 检查液压油、柴油油位和清洗水箱水位是否正常和有无加注;检查各润滑油、润滑脂是否符合加注要求并加注,认真填写进《混凝土泵车调试前准备工作记录表》。(见附录3) 7) 在起动发动机(调试)前,按《混凝土泵车调试前准备工作记录表》认真检查和填写表中所列内容。以上两表中的内容,在达到调试得以安全进行的基本要求后,方可进行以下步骤的起动发动机调试工作。 2 起动发动机 内容 步骤和要求 备注 起动发动机 1) 接通主电路开关。确认已使用停车制动(拉下底盘手刹),确认变速杆在空档位置,如果变速杆不在空档位置,踏下离合器,将变速杆档位退至空档。 2) 将起动钥匙转到行驶位置,起动发动机,并检查底盘显示屏各信息是否正常。将驾驶室内取力转换系统上“行使/作业”转换开关拨向作业侧,“作业”指示灯亮,表明取力器已转换至作业状态,按下电源开关,“电源”指示灯亮。 3) 混凝土泵车主电控柜得电,进入作业可操作状态。 4) 踏下离合器,将变速杆档位挂上直接工作档,然后慢慢松开离合器,如出现发动机带不动或异响等现象,应立即踏下离合器,退至空档,检查并排除故障后再重复上述步骤,启动车时,车下应派人观察是否有异常和漏油现象。 备注:各类底盘变速箱直接工作档位置表Ⅰ: 型号 VOLVO ISUZU BENZ(欧Ⅱ) FM12 6×4 FM12 8×4 CXZ81Q 6×4 CXZ51Q 6×4 CXH50T 8×4 ACTROS(4140) 6×4 ACTROS(4140) 8×4 档位 8 档 6 档 5 档 6 档 7 档(高档) 备注:各类底盘变速箱直接工作档位置表Ⅱ: 型号 VOLV...

1、当您付费下载文档后,您只拥有了使用权限,并不意味着购买了版权,文档只能用于自身使用,不得用于其他商业用途(如 [转卖]进行直接盈利或[编辑后售卖]进行间接盈利)。
2、本站所有内容均由合作方或网友上传,本站不对文档的完整性、权威性及其观点立场正确性做任何保证或承诺!文档内容仅供研究参考,付费前请自行鉴别。
3、如文档内容存在违规,或者侵犯商业秘密、侵犯著作权等,请点击“违规举报”。

碎片内容

泵车调试相关资料

您可能关注的文档

确认删除?
VIP
微信客服
  • 扫码咨询
会员Q群
  • 会员专属群点击这里加入QQ群
客服邮箱
回到顶部