电脑桌面
添加小米粒文库到电脑桌面
安装后可以在桌面快捷访问

量产车主观评价标准

量产车主观评价标准_第1页
1/17
量产车主观评价标准_第2页
2/17
量产车主观评价标准_第3页
3/17
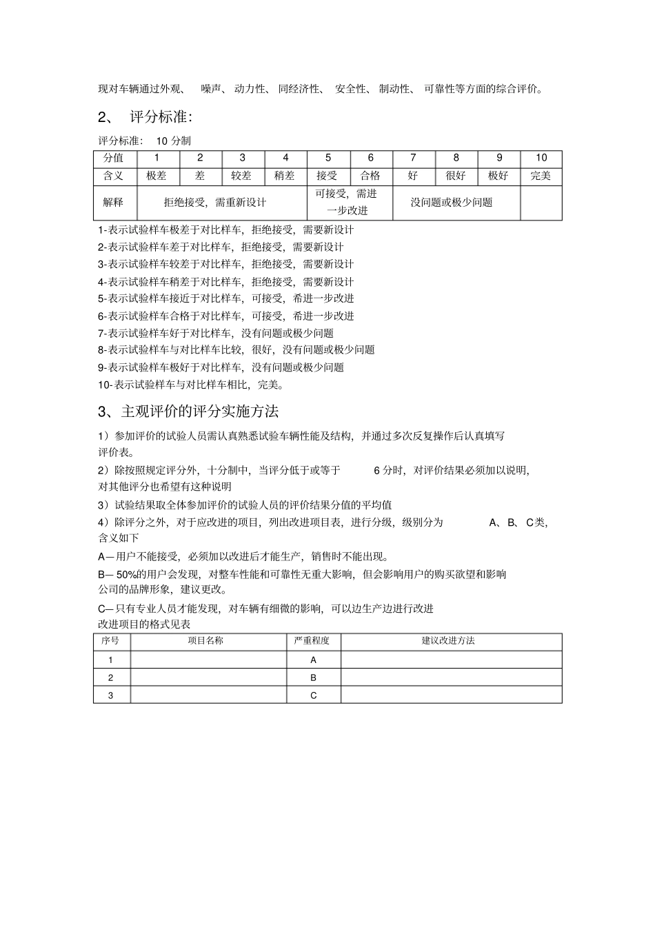
量产车主观评价标准文件编号:版本:初版日期:修订日期编制:日期校对:日期:审核:日期:批准:日期:1、目的:对被评价车通过测试数据的收集、分析, 同类汽车产品的测试数据的系统分析比较,实现对车辆通过外观、噪声、 动力性、 同经济性、 安全性、 制动性、 可靠性等方面的综合评价。2、 评分标准:评分标准: 10 分制分值1 2 3 4 5 6 7 8 9 10 含义极差差较差稍差接受合格好很好极好完美解释拒绝接受,需重新设计可接受,需进一步改进没问题或极少问题1-表示试验样车极差于对比样车,拒绝接受,需要新设计2-表示试验样车差于对比样车,拒绝接受,需要新设计3-表示试验样车较差于对比样车,拒绝接受,需要新设计4-表示试验样车稍差于对比样车,拒绝接受,需要新设计5-表示试验样车接近于对比样车,可接受,希进一步改进6-表示试验样车合格于对比样车,可接受,希进一步改进7-表示试验样车好于对比样车,没有问题或极少问题8-表示试验样车与对比样车比较,很好,没有问题或极少问题9-表示试验样车极好于对比样车,没有问题或极少问题10-表示试验样车与对比样车相比,完美。3、主观评价的评分实施方法1)参加评价的试验人员需认真熟悉试验车辆性能及结构,并通过多次反复操作后认真填写评价表。2)除按照规定评分外,十分制中,当评分低于或等于6 分时,对评价结果必须加以说明,对其他评分也希望有这种说明3)试验结果取全体参加评价的试验人员的评价结果分值的平均值4)除评分之外,对于应改进的项目,列出改进项目表,进行分级,级别分为A、B、 C类,含义如下A—用户不能接受,必须加以改进后才能生产,销售时不能出现。B— 50%的用户会发现,对整车性能和可靠性无重大影响,但会影响用户的购买欲望和影响公司的品牌形象,建议更改。C—只有专业人员才能发现,对车辆有细微的影响,可以边生产边进行改进改进项目的格式见表序号项目名称严重程度建议改进方法1 A 2 B 3 C 整车评价表项目初期评分初期得分中期评分中期得分未评得分未期得分评价说明评价方向举例1.静态评价项目1.1 外饰外饰件造型从不同的角度观察,评价对车辆的外部造型满意度颜色搭配各外饰件的颜色与车身颜色搭配是否和谐★外饰工艺油漆光泽度 /喷涂均匀性 / 鼓包及凹陷室内密封性★门窗雨天或洗车时关闭车辆所有门窗,观察门窗部位是否有渗水的现象★前 /后内挡雨天或洗车时,观察前/后风挡密封部位是否有渗水的现象★后背门雨天或洗车...

1、当您付费下载文档后,您只拥有了使用权限,并不意味着购买了版权,文档只能用于自身使用,不得用于其他商业用途(如 [转卖]进行直接盈利或[编辑后售卖]进行间接盈利)。
2、本站所有内容均由合作方或网友上传,本站不对文档的完整性、权威性及其观点立场正确性做任何保证或承诺!文档内容仅供研究参考,付费前请自行鉴别。
3、如文档内容存在违规,或者侵犯商业秘密、侵犯著作权等,请点击“违规举报”。

碎片内容

量产车主观评价标准

您可能关注的文档

确认删除?
VIP
微信客服
  • 扫码咨询
会员Q群
  • 会员专属群点击这里加入QQ群
客服邮箱
回到顶部