电脑桌面
添加小米粒文库到电脑桌面
安装后可以在桌面快捷访问

铁路建设隧道安全质量检查

铁路建设隧道安全质量检查_第1页
1/6
铁路建设隧道安全质量检查_第2页
2/6
铁路建设隧道安全质量检查_第3页
3/6
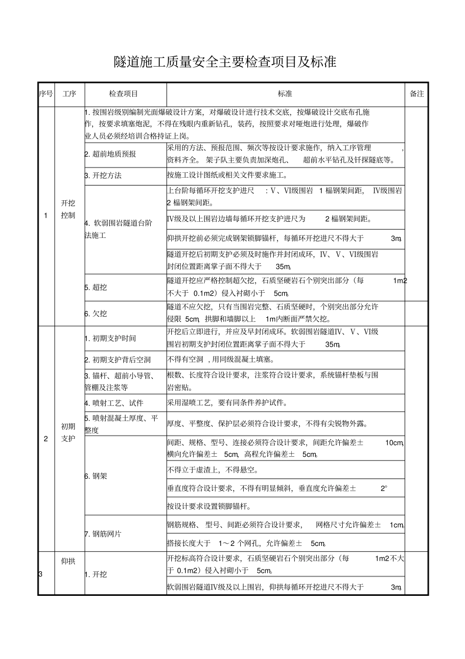
隧道施工质量安全主要检查项目及标准序号工序检查项目标准备注1 开挖控制1. 按围岩级别编制光面爆破设计方案,对爆破设计进行技术交底,按爆破设计交底布孔施作,按要求填塞炮泥,不得在残眼内重新钻孔,装药,按照要求对哑炮进行处理,爆破作业人员必须经培训合格持证上岗。2. 超前地质预报采用的方法、预报范围、频次等按设计要求施作,纳入工序管理,资料齐全。 架子队主要负责加深炮孔、超前水平钻孔及钎探隧底等。3. 开挖方法按施工设计图纸或相关文件要求施工。4. 软弱围岩隧道台阶法施工上台阶每循环开挖支护进尺: Ⅴ、Ⅵ级围岩 1 榀钢架间距, Ⅳ级围岩2 榀钢架间距。Ⅳ级及以上围岩边墙每循环开挖支护进尺为2 榀钢架间距。仰拱开挖前必须完成钢架锁脚锚杆,每循环开挖进尺不得大于3m。隧道开挖后初期支护必须及时施作并封闭成环,Ⅳ、Ⅴ、Ⅵ级围岩封闭位置距离掌子面不得大于35m。5. 超挖隧道开挖应严格控制超欠挖,石质坚硬岩石个别突出部分(每1m2不大于 0.1m2)侵入衬砌小于5cm。6. 欠挖隧道不应欠挖,只有当围岩完整、石质坚硬时,个别突出部分允许侵限 5cm,拱脚和墙脚以上1m内断面严禁欠挖。2 初期支护1. 初期支护时间开挖后立即进行,并应及早封闭成环。软弱围岩隧道Ⅳ、Ⅴ、Ⅵ级围岩初期支护封闭位置距离掌子面不得大于35m。2. 初期支护背后空洞不得有空洞 , 用同级混凝土填塞。3. 锚杆、超前小导管、管棚及注浆等根数、长度符合设计要求,注浆符合设计要求,系统锚杆垫板与围岩密贴。4. 喷射工艺、试件采用湿喷工艺,要有同条件养护试件。5. 喷射混凝土厚度、平整度厚度、平整度、保护层必须符合设计要求,不得有尖锐物外露。6. 钢架间距、规格、型号、连接必须符合设计要求,间距允许偏差±10cm,横向允许偏差±5cm,高程允许偏差±5cm。不得立于虚渣上,不得悬空。垂直度符合设计要求,不得有明显倾斜,垂直度允许偏差±2°按设计要求设置锁脚锚杆。7. 钢筋网片钢筋规格、 型号、间距必须符合设计要求,网格尺寸允许偏差±1cm。搭接长度大于1~2 个网孔,允许偏差±5cm。3 仰拱1. 开挖开挖标高符合设计要求,石质坚硬岩石个别突出部分(每1m2不大于 0.1m2)侵入衬砌小于5cm。软弱围岩隧道Ⅳ级及以上围岩,仰拱每循环开挖进尺不得大于3m。序号工序检查项目标准备注仰拱2. 基底清理无虚渣、杂物、淤泥和积水,超挖部分用同级混凝土回填。3. 仰拱的安全距离及时施作,与掌子面的距离:Ⅲ级围岩不...

1、当您付费下载文档后,您只拥有了使用权限,并不意味着购买了版权,文档只能用于自身使用,不得用于其他商业用途(如 [转卖]进行直接盈利或[编辑后售卖]进行间接盈利)。
2、本站所有内容均由合作方或网友上传,本站不对文档的完整性、权威性及其观点立场正确性做任何保证或承诺!文档内容仅供研究参考,付费前请自行鉴别。
3、如文档内容存在违规,或者侵犯商业秘密、侵犯著作权等,请点击“违规举报”。

碎片内容

铁路建设隧道安全质量检查

爱的疯狂+ 关注
实名认证
内容提供者

该用户很懒,什么也没介绍

确认删除?
VIP
微信客服
  • 扫码咨询
会员Q群
  • 会员专属群点击这里加入QQ群
客服邮箱
回到顶部