电脑桌面
添加小米粒文库到电脑桌面
安装后可以在桌面快捷访问

铝业建设项目环境评价报告表

铝业建设项目环境评价报告表_第1页
1/22
铝业建设项目环境评价报告表_第2页
2/22
铝业建设项目环境评价报告表_第3页
3/22
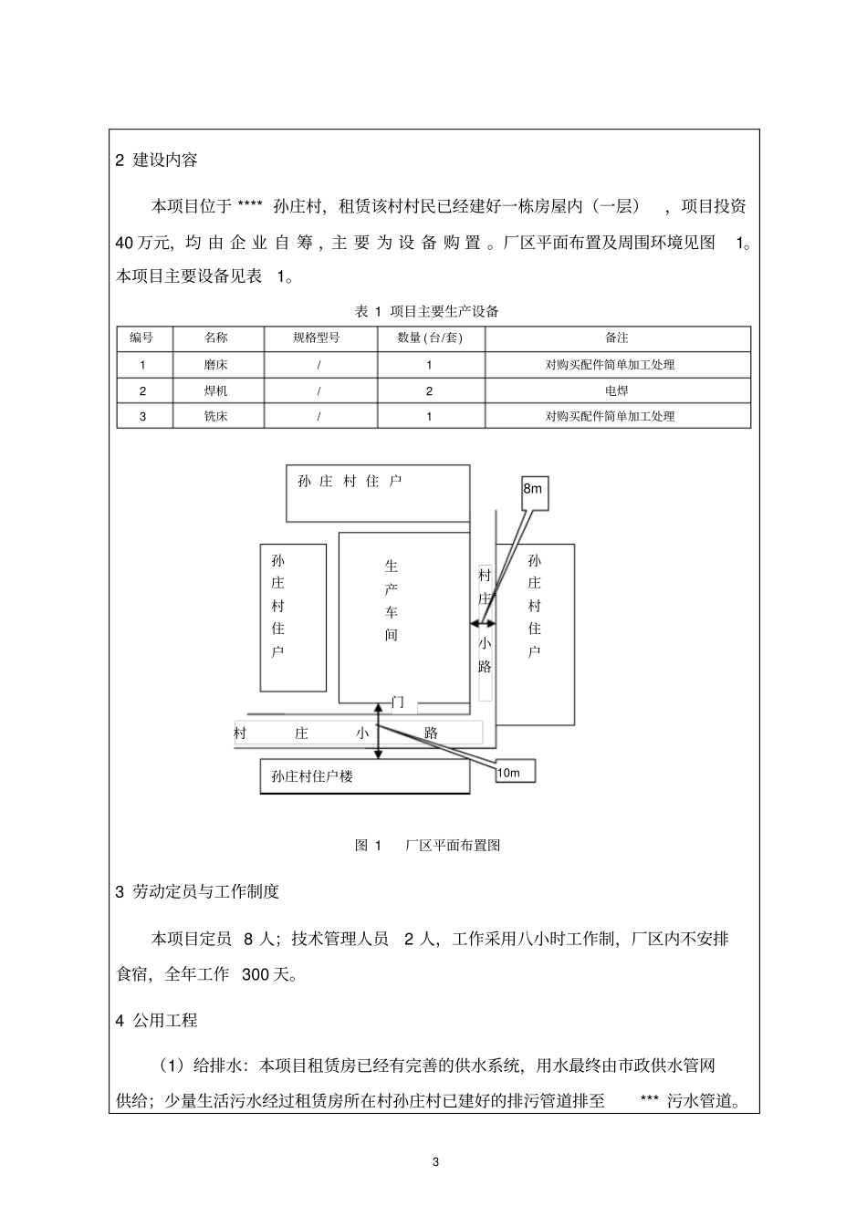
《建设项目环境影响报告表》编制说明《建设项目环境影响报告表》由具有从事环境影响评价工作资质的单位编制。1、项目名称——指项目立项批复时的名称,应不超过30 个字(两个英文字段作一个汉字)。2、建设地点——指项目所在地详细地址,公路、铁路应填写起止地点。3、行业类别——按国标填写。4、总投资——指项目投资总额。5、主要环境保护目标——指项目区周围一定范围内集中居民住宅区、学校、医院、保护文物、风景名胜区、水源地和生态敏感点等,应尽可能给出保护目标、性质、规模和距厂界距离等。6、结论与建议——给出本项目清洁生产、达标排放和总量控制的分析结论,确定污染防治措施的有效性,说明本项目对环境造成的影响,给出建设项目环境可行性的明确结论。同时提出减少环境影响的其他建议。7、预审意见——由行业主管部门填写答复意见,无主管部门项目,可不填。8、审批意见——由负责审批该项目的环境保护行政主管部门批复。2 建设项目基本情况项目名称某某铝业项目建设单位某某铝业有限公司法人代表联系人通讯地址某某铝业有限公司联系电话138 传真/ 邮政编码建设地点立项审批部门批准文号建设性质新建■改扩建□技改□行业类别及代码C34 金属制品业占地面积(平方米) 120 绿化面积(平方米) / 总投资(万元)40 其中:环保投资(万元) 2.5 环保投占总投资比例6.3% 评价经费(万元 ) 预期投产日期项目内容及规模1 项目由来随着经济的发展和需求,电解铝厂用阳极提升机构和陶瓷耐磨阀门得到广泛的推广和发展。 为适应市场需求, 某某铝业有限公司租赁 *** 村民现有房屋一栋 (一层)用做生产厂房(租赁合同见附件) ,土地性质为集体建设用地(土地证明见附件),投资 40 万元建设年组装加工电解铝厂用阳极提升机构和陶瓷耐磨阀门各150 台(套)某某铝业项目。依据《中华人民共和国环境影响评价法》 、国务院《建设项目环境保护管理条例》和《建设项目环境影响评价分类管理名录》(环境保护部令第 2号)等有关规定和环保行政主管部门的意见,本项目应编制环境影响报告表。受建设单位委托,*** 承担了本项目的的环境影响评价工作。接受委托后,评价单位组织技术人员进行实地踏勘,调查及收集资料,并征求环保管理部门的意见,按照环境影响评价的相关技术规范要求,编制完成了该项目的环境影响评价报告表。3 2 建设内容本项目位于 **** 孙庄村,租赁该村村民已经建好一栋房屋内(一层),项目投资40 万...

1、当您付费下载文档后,您只拥有了使用权限,并不意味着购买了版权,文档只能用于自身使用,不得用于其他商业用途(如 [转卖]进行直接盈利或[编辑后售卖]进行间接盈利)。
2、本站所有内容均由合作方或网友上传,本站不对文档的完整性、权威性及其观点立场正确性做任何保证或承诺!文档内容仅供研究参考,付费前请自行鉴别。
3、如文档内容存在违规,或者侵犯商业秘密、侵犯著作权等,请点击“违规举报”。

碎片内容

铝业建设项目环境评价报告表

确认删除?
VIP
微信客服
  • 扫码咨询
会员Q群
  • 会员专属群点击这里加入QQ群
客服邮箱
回到顶部