电脑桌面
添加小米粒文库到电脑桌面
安装后可以在桌面快捷访问

铸件公差与加工余量讲解

铸件公差与加工余量讲解_第1页
1/10
铸件公差与加工余量讲解_第2页
2/10
铸件公差与加工余量讲解_第3页
3/10
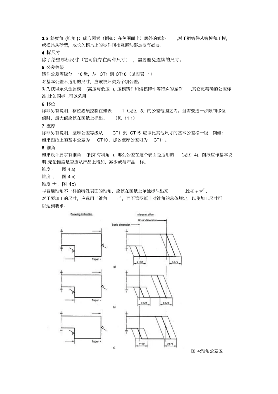
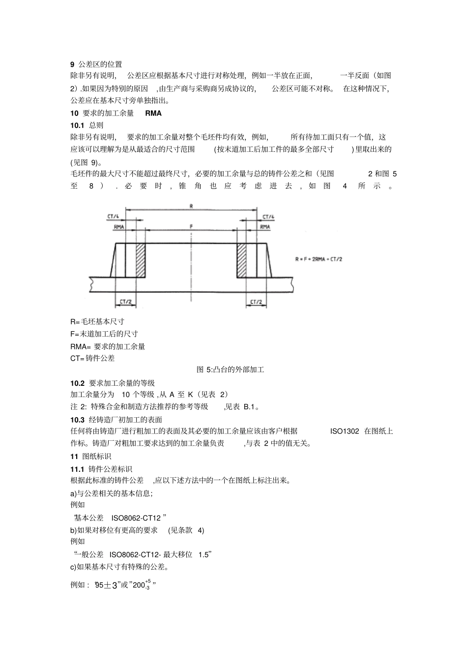
国际标准二版ISO8026 第铸件------ 尺差公差和加工留余量1.范围此国际标准系统地规定了铸件尺寸公差等级和加工余量要求。它适用于不同铸造工艺的金属及合金件尺寸 [同时请参见介绍g]和第 5 款] 此国际标准适用于图纸上提到的基本公差及/或要求的加工余量,同时也适用于特定尺寸的旁标注的个别公差及/或要求的加工余量(见第 11 款 )。当铸造厂提供模具或冲模工具,或接受证明责任时,该系统实施。2.参考标准通过本标准的引用,下述标准构成其条款。在出版期间,提到的版本有效。标准都是有可能要进行修订的, 建议接受本标准的各方使用下列标准的最新版本。IEC 和 ISO 的成员拥有当前有效的国际标准。ISO286-1:1998,ISO 体系极限与适用---第一部分 :公差与适用基础ISO1302:1992,技术图纸 ---表面结构标注方法. 3.定义就本标准,采用下述定义: 3.1 基本尺寸 :加工前毛坯件的尺寸(见图一),包括必要加工余量(见图二)图 1:图纸标识 (见第四款 ) 图 2:公差极限3.2 尺寸公差 [见 ISO 286-1] 3.3 要求的加工余量,RMA :对于未加工铸件,产品余量允许铸件表面后续加工影响的去除,达到希望的表面构成和必要尺寸精确度。对柱形或双面加工,RMA 要考虑两次(见图5 和 6)3.4 移位 :由于多个型板要素的失误,会造成铸件表面的相对移位。(见图 3)图 3:最大的移位3.5 斜度角 (锥角 ):成形因素(例如:在包围面上)额外的倾斜,对于把铸件从铸模和压模,或模具从砂型,或永久模具上的零件间相互挪动都是很有必要。4 标尺寸除了给壁厚标尺寸(它可能存在两种尺寸) ,需要避免连续的尺寸。5 公差等级铸件公差等级分16 级,从 CT1 到 CT16(见图表 1)对基本公差不适用的尺寸,应该被归类为个别公差。对为获得永久金属模(高压与低压 ),压模铸件和熔模铸件等特殊的操作,其它更精确的公差标准,比如国标 ,可以采用 . 6 移位除非另有说明,移位必须控制在如表1(见图 3)的公差范围之内。当需要进一步限制移位值时,最大值应该在图纸上标出。(见 11.1)7 壁厚除非另有说明,壁厚公差等级从CT1 到 CT15 应该比其他尺寸的基本公差松一级,例如:如果图纸上的基本公差为CT10 ,那么壁厚公差可为CT11 。8 锥角如果设计要求有锥角(例如有斜角 ),那么公差在这个表面是适用的(见图 4). 图纸应作基本说明,无论锥度是否应从产品上增加、减少或与产品一样。锥度 +, 图 4 a) 锥度 -, 图 4 ...

1、当您付费下载文档后,您只拥有了使用权限,并不意味着购买了版权,文档只能用于自身使用,不得用于其他商业用途(如 [转卖]进行直接盈利或[编辑后售卖]进行间接盈利)。
2、本站所有内容均由合作方或网友上传,本站不对文档的完整性、权威性及其观点立场正确性做任何保证或承诺!文档内容仅供研究参考,付费前请自行鉴别。
3、如文档内容存在违规,或者侵犯商业秘密、侵犯著作权等,请点击“违规举报”。

碎片内容

铸件公差与加工余量讲解

您可能关注的文档

确认删除?
VIP
微信客服
  • 扫码咨询
会员Q群
  • 会员专属群点击这里加入QQ群
客服邮箱
回到顶部