电脑桌面
添加小米粒文库到电脑桌面
安装后可以在桌面快捷访问

门窗三性试验检测报告模

门窗三性试验检测报告模_第1页
1/9
门窗三性试验检测报告模_第2页
2/9
门窗三性试验检测报告模_第3页
3/9
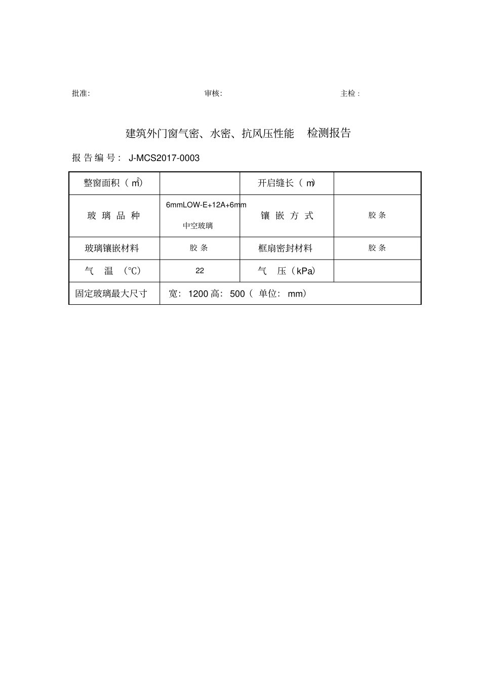
建筑外门窗气密、水密、抗风压性能检测报告报 告 编 号 : J-MCS2017-0003 样品名称: 90 系列推拉铝合金窗委托单位: XXXXXXXXXXXXXXXXXXXX 工程名称: XXXXXXXXXXXXXXXXX 检测类别:工程检测送检XXXXXXXXXXXX单位地址:投诉电话:建筑外门窗气密、水密、抗风压性能检测报告报 告 编 号 : J-MCS2017-0003见证人单位见 证 人委 托 单 位委 托 日 期工 程 名 称检 测 日 期制 作 单 位检 测 依 据GB/T 7106-2008 样 品 名 称90 系列平开铝合金窗试 件 尺 寸( mm)1200*1500*900检 测 项 目抗风压性能、气密性能、水密性能检 测 数 量3 樘仪 器 设 备(1) MW-W-B型门窗物理性能检测设备 (2) 钢卷尺 (3) 空盒气压表 (4) 温度计工程设计值( 级)气密性能6水 密 性 能3抗风压性能5检测值( 级)气密性能缝长:正 6 负 6.水 密 性 能3抗风压性能5面积:正 7 负 7.检测结论所检试件满足工程设计要求。说明本试验结果仅与所收到的样品有关;未经本公司批准,不得复制报告(完整复制除外)批准:审核:主检 :建筑外门窗气密、水密、抗风压性能检测报告报 告 编 号 : J-MCS2017-0003整窗面积( m2)开启缝长( m)玻 璃 品 种6mmLOW-E+12A+6mm中空玻璃镶 嵌 方 式胶 条玻璃镶嵌材料胶 条框扇密封材料胶 条气温 (℃)22气压( kPa)固定玻璃最大尺寸宽: 1200 高: 500( 单位: mm )检测结果气 密 性 能: 1. 样品 J-171128-JN01-1 :10Pa下,单位缝长,每小时渗透量为 m3/ (h· m)单位面积,每小时渗透量为 m3/ (h· m2)-10Pa下, 单位缝长,每小时渗透量为 m3/ (h· m)单位面积,每小时渗透量为 m3/ (h· m2)2. 样品 J-171128-JN01-2 :10Pa下,单位缝长,每小时渗透量为 m3/ (h· m)单位面积,每小时渗透量为 m3/ (h· m2)-10Pa下, 单位缝长,每小时渗透量为 m3/ (h· m)单位面积,每小时渗透量为 m3/ (h· m2)3. 样品 J-171128-JN01-3 :10Pa下,单位缝长,每小时渗透量为 m3/ (h· m)单位面积,每小时渗透量为 m3/ (h· m2)-10Pa下, 单位缝长,每小时渗透量为 m3/ (h· m)单位面积,每小时渗透量为 m3/ (h· m2)该组窗试件的气密性能为:正压国标6 级,负压国标 6 级。水 密 性 能:波动加压保持未发生严重渗漏的最高压力为:1. 样品 J-171128-JN...

1、当您付费下载文档后,您只拥有了使用权限,并不意味着购买了版权,文档只能用于自身使用,不得用于其他商业用途(如 [转卖]进行直接盈利或[编辑后售卖]进行间接盈利)。
2、本站所有内容均由合作方或网友上传,本站不对文档的完整性、权威性及其观点立场正确性做任何保证或承诺!文档内容仅供研究参考,付费前请自行鉴别。
3、如文档内容存在违规,或者侵犯商业秘密、侵犯著作权等,请点击“违规举报”。

碎片内容

门窗三性试验检测报告模

您可能关注的文档

爱的疯狂+ 关注
实名认证
内容提供者

该用户很懒,什么也没介绍

确认删除?
VIP
微信客服
  • 扫码咨询
会员Q群
  • 会员专属群点击这里加入QQ群
客服邮箱
回到顶部