电脑桌面
添加小米粒文库到电脑桌面
安装后可以在桌面快捷访问

合格证细则表VIP免费

合格证细则表_第1页
1/5
合格证细则表_第2页
2/5
合格证细则表_第3页
3/5
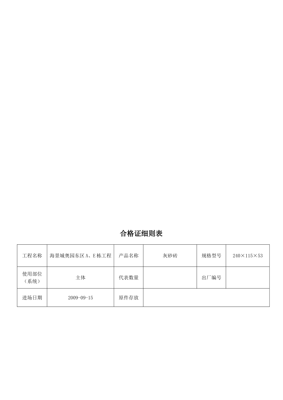
合格证细则表工程名称海珠区滨江东路航海俱乐部东南侧住宅楼产品名称结构胶规格型号JGN型植筋胶使用部位(系统)结构植筋工程代表数量出厂编号进场日期2009.4.25原件存放合格证细则表工程名称海珠区滨江东路航海俱乐部东南侧住宅楼产品名称滚扎直螺纹钢筋接头规格型号GФ18使用部位(系统)主体结构工程代表数量500个出厂编号进场日期2009.8.4原件存放合格证细则表工程名称海珠区滨江东路航海俱乐部东南侧住宅楼产品名称镀锌线槽规格型号50×100×1.2mm使用部位(系统)电气工程代表数量257米出厂编号进场日期2009.12.7原件存放合格证细则表工程名称海景城奥园东区A、E栋工程产品名称灰砂砖规格型号240×115×53使用部位(系统)主体代表数量出厂编号进场日期2009-09-15原件存放合格证细则表工程名称海景城奥园东区A、E栋工程产品名称灰砂砖规格型号240×115×53使用部位(系统)主体代表数量出厂编号进场日期2009-10-09原件存放合格证细则表工程名称海景城奥园东区A、E栋工程产品名称彩盛陶瓷通体砖规格型号45mm×45mm使用部位(系统)装饰装修代表数量出厂编号进场日期2010-04-20原件存放

1、当您付费下载文档后,您只拥有了使用权限,并不意味着购买了版权,文档只能用于自身使用,不得用于其他商业用途(如 [转卖]进行直接盈利或[编辑后售卖]进行间接盈利)。
2、本站所有内容均由合作方或网友上传,本站不对文档的完整性、权威性及其观点立场正确性做任何保证或承诺!文档内容仅供研究参考,付费前请自行鉴别。
3、如文档内容存在违规,或者侵犯商业秘密、侵犯著作权等,请点击“违规举报”。

碎片内容

合格证细则表

您可能关注的文档

确认删除?
VIP
微信客服
  • 扫码咨询
会员Q群
  • 会员专属群点击这里加入QQ群
客服邮箱
回到顶部