电脑桌面
添加小米粒文库到电脑桌面
安装后可以在桌面快捷访问

质量检测台账

质量检测台账_第1页
1/12
质量检测台账_第2页
2/12
质量检测台账_第3页
3/12
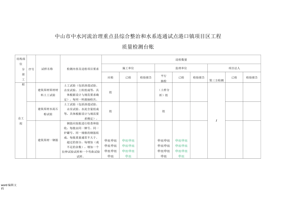
word 编辑文档中山市中水河流治理重点县综合整治和水系连通试点港口镇项目区工程质量检测台账结构部位分部工序号试样名称检测内容及送检项目要求送检数量施工单位监理单位项目法人应检已检检验报告平行抽检已检检验报告第三方检测已检检验报告程总工程建筑原材原材材料土工试验土工试验(包括渗透试验、击实试验、土粒组成等,具体根据设计与规范要求确定),每同一料源抽检次。组(土样分析)组/建筑原材水泥石粉试验土工试验(包括渗透试验、击实试验、水泥含量组成等,具体根据设计与规范要求确定)。组组建筑原材一钢筋钢筋应按批进行检查和验收,每批由同一牌号、同一炉罐号、同一规格的钢筋组成。每批重量通常不大于。超过的部分,每增加(或不足的余数),增加一个拉伸试验试样和一个弯曲试验试样。申组申组申组申组申组申组申组申组申组申组申组申组申组申组申组申组申组申组申组申组申组申组申组申组申组申组申组申组word 编辑文档结构部位分部工程序号试样名称检测内容及送检项目要求送检数量施工单位监理单位项目法人应检已检检验报告平行抽检已检检验报告第三方检测已检检验报告建筑原材一石笼格宾按同一个生产厂家、同一品种、同一批号,检测项目按设计与规范要求,每批抽样不少于一次。组组跟踪全部组建筑原材一石料按批次检测,检测项目按设计与规范要求。组组跟踪全部/建筑原材一砂按批次检测,检测项目按规范要求。组跟踪全部建筑原材一水泥按批次检测,检测项目按规范要求。组跟踪全部建筑原材一钢筋焊接接头《钢筋焊接及验收规程》的要求:在现浇混凝土结构中,应以个同牌号钢筋、同型式接头做为一批,每批随机抽取个接头,做拉伸试验。申组申组申组个跟踪全部建筑原材一砼配合比由生产商提供出厂合格证,检测项目按设计与规范要求。组:组:组组组:组:组组组跟踪全部word 编辑文档结构部位分部工序号试样名称检测内容及送检项目要求送检数量施工单位监理单位项目法人应检已检检验报告平行抽检已检检验报告第三方检测已检检验报告程总工程建筑原材一砂浆配合比检测项目按设计与规范要求。组组组跟踪全部/土工布质量、厚度、拉伸试验、渗透试验、撕裂强度、顶破强度、刺破强度组组跟踪全部混凝土路面抽芯强度、厚度组组跟踪全部组抛石护脚、堤身断面测量压实度组跟踪全部组栏杆水平推力点点跟踪全部点水泥石粉(厚)压实度点点跟踪全部点机耕桥工程钻孔灌注桩 0 单桩竖向抗压检测高应变试块抗压强度(每根桩一组)跟踪根word...

1、当您付费下载文档后,您只拥有了使用权限,并不意味着购买了版权,文档只能用于自身使用,不得用于其他商业用途(如 [转卖]进行直接盈利或[编辑后售卖]进行间接盈利)。
2、本站所有内容均由合作方或网友上传,本站不对文档的完整性、权威性及其观点立场正确性做任何保证或承诺!文档内容仅供研究参考,付费前请自行鉴别。
3、如文档内容存在违规,或者侵犯商业秘密、侵犯著作权等,请点击“违规举报”。

碎片内容

质量检测台账

您可能关注的文档

确认删除?
VIP
微信客服
  • 扫码咨询
会员Q群
  • 会员专属群点击这里加入QQ群
客服邮箱
回到顶部