电脑桌面
添加小米粒文库到电脑桌面
安装后可以在桌面快捷访问

降低蒸汽用量__qc分析

降低蒸汽用量__qc分析_第1页
1/6
降低蒸汽用量__qc分析_第2页
2/6
降低蒸汽用量__qc分析_第3页
3/6
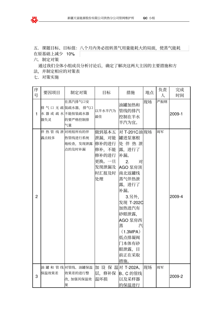
新疆天富能源股份有限公司供热分公司管网维护所QC 小组降低南大线蒸汽管损用量一.小组概况小组名称:降耗 QC 小组成立时间: 2016 年 2 月课题名称:减少南大线蒸汽管损用量注册日期: 2016 年 2 月小组成员表序号姓名性别平均年龄文化程度职务及职称组内职务1 祁新建男35 高中所长组织协调2 李同兴男大专书记组织协调3 王垂平男大专副所长项目实施4 刘宁男本科技术员数据收集5 景灵杰男本科技术员调查分析6 邵振鸿男本科技术员数据收集7 朱海涛男中专服务站站长项目实施表— 1 二.选题理由在日常南大线供汽中发现由于蒸汽管线老化、操作方法不当、 工艺落后等因素造成蒸气用量一直没有明显下降的现状,造成能源的极大浪费, 我们必须采取措施,尽快扭转这种局势。所以成立了QC 活动小组。课题为《降低南大线蒸气管损用量》。三.现状调查南大线蒸汽主要用途为企业用热、管线伴热、油品吹扫、蒸罐、用于消防和单元班组采暖使用。通过对使用的蒸气量现状分析, 我们找到问题的主因,确定设备原因和人为因素两个主因, 我们发现和总结出设备原因三条, 人为因素七条。蒸汽消耗原因设备因素蒸罐直接使用蒸汽,未使用加热器许多排气口无疏水器或疏水器失灵伴热管线泄露点较多油罐和管线保温效果差人为因素主观上意识不强,油罐加热或管线排热排气阀开的太大采暖用蒸汽,下班不及时关闭发现的泄露点不及时补漏蒸罐或蒸管线时不注意蒸汽用量有些罐区长期不用的蒸汽,末端排气仍常开没有严格控制工艺指标,油罐温度较高还在加热,存在浪费现象末端有低点排凝且延途有用蒸汽的管线,中途还设有多处排凝表— 2 四.要因确认要因确认一: 罐区油罐定期清罐做内外防护, 清除油罐残存油气最常用的方法就是蒸罐。通常直接接蒸汽通入罐中。加热效果慢,蒸罐时间长,消耗大。新疆天富能源股份有限公司供热分公司管网维护所QC 小组结论:要因要因确认二: 许多排气口无疏水器或疏水器失灵结论:要因要因确认三: 伴热管线由于腐蚀造成多处沙眼性泄漏,长时间未修补, 进一步加大泄漏。结论:要因要因确认四:油罐和管线保温效果差,其中特别是油罐加热是蒸汽消耗的重头, 由于保温效果差,使温度无法提升到工艺要求。热量容易散发,不能有效减缓油罐温度的回落时间。结论:要因要因确认五:操作人员主观意识不强,油罐加热或管线排热排气阀开的太大。对于快到控制温度上限的油罐没有及时关闭加热蒸汽。造成不必要的浪费。结...

1、当您付费下载文档后,您只拥有了使用权限,并不意味着购买了版权,文档只能用于自身使用,不得用于其他商业用途(如 [转卖]进行直接盈利或[编辑后售卖]进行间接盈利)。
2、本站所有内容均由合作方或网友上传,本站不对文档的完整性、权威性及其观点立场正确性做任何保证或承诺!文档内容仅供研究参考,付费前请自行鉴别。
3、如文档内容存在违规,或者侵犯商业秘密、侵犯著作权等,请点击“违规举报”。

碎片内容

降低蒸汽用量__qc分析

您可能关注的文档

确认删除?
VIP
微信客服
  • 扫码咨询
会员Q群
  • 会员专属群点击这里加入QQ群
客服邮箱
回到顶部