电脑桌面
添加小米粒文库到电脑桌面
安装后可以在桌面快捷访问

隐蔽工程验收记录表~~真正范本

隐蔽工程验收记录表~~真正范本_第1页
1/13
隐蔽工程验收记录表~~真正范本_第2页
2/13
隐蔽工程验收记录表~~真正范本_第3页
3/13
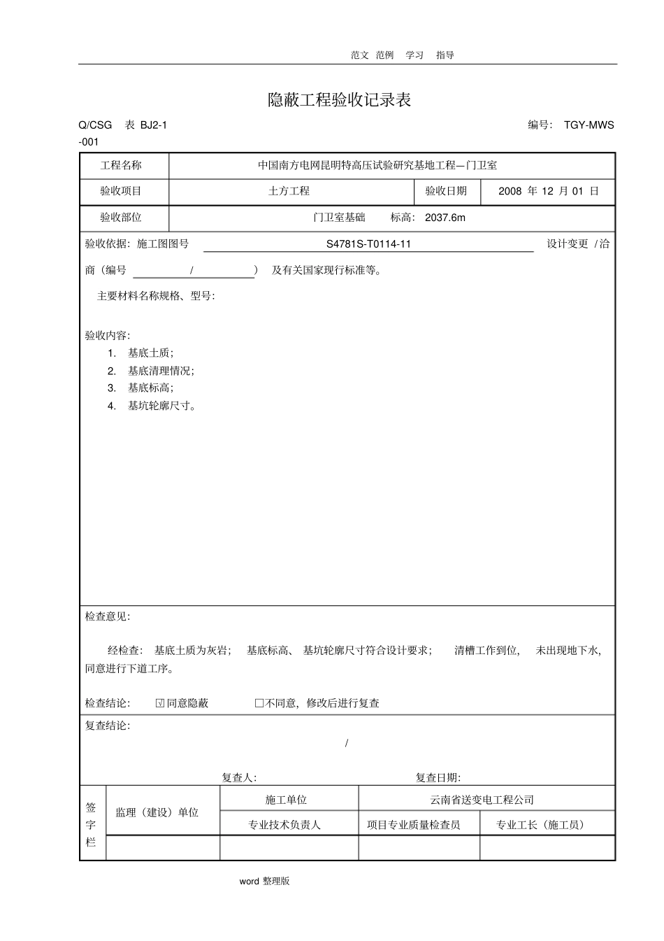
范文 范例学习指导word 整理版隐蔽工程验收记录表Q/CSG表 BJ2-1 编号: TGY-MWS -001 工程名称中国南方电网昆明特高压试验研究基地工程—门卫室验收项目土方工程验收日期2008 年 12 月 01 日验收部位门卫室基础标高: 2037.6m 验收依据:施工图图号S4781S-T0114-11 设计变更 / 洽商(编号/ ) 及有关国家现行标准等。主要材料名称规格、型号:验收内容:1.基底土质;2.基底清理情况;3.基底标高;4.基坑轮廓尺寸。检查意见:经检查: 基底土质为灰岩;基底标高、 基坑轮廓尺寸符合设计要求;清槽工作到位, 未出现地下水,同意进行下道工序。检查结论:□√ 同意隐蔽□不同意,修改后进行复查复查结论:/ 复查人:复查日期:签字栏监理(建设)单位施工单位云南省送变电工程公司专业技术负责人项目专业质量检查员专业工长(施工员)范文 范例学习指导word 整理版隐蔽工程验收记录工程名称铜陵恒瑞电气公司2# 厂房工程验收项目钢筋工程验收日期验收部位一 层,1-6/A-E 轴线+8.07m 标高梁板柱验收依据:施工图图号结施 -5、结施 -10 、结施 -13 设计变更 /洽商(编号/ ) 及有关国家现行标准等。主要材料名称规格、型号:钢筋HRB400 级Φ 6、Φ 8、Φ 10 、Φ 12、Φ 14、Φ 16 、Φ 18、Φ 20、Φ 22 、Φ 25 隐检内容:1.原材料产品质量;2.钢筋的品种、级别、规格;3.钢筋的配筋数量、位置、间距;4.钢筋机械连接接头复试合格;5.钢筋绑扎、安装情况;6.保护层厚度。检查意见:经检查:钢筋有质量证明书,复试合格,外观均无锈蚀、无污染,已清理干净;钢筋的品种、级别、规格、配筋数量、位置、间距、接头符合设计要求;钢筋绑扎安装质量牢固,无漏扣现象;保护层厚度符合要求。检查结论:□√ 同意隐蔽□不同意,修改后进行复查复查结论:复查人:复查日期:签字监理单位施工单位中厦建筑安装有限责任公司专业技术负责人项目专业质量检查员专业工长(施工员)范文 范例学习指导word 整理版栏隐蔽工程验收记录表Q/CSG表 BJ2-1 编号:TGY-MWS-003 工程名称中国南方电网昆明特高压试验研究基地工程—门卫室验收项目混凝土工程验收日期2008 年 12 月 12 日验收部位梁、板、柱验收依据: 施工图图号S4781S-T0114-11 设计变更 / 洽商(编号/ ) 及有关国家现行标准等。主要材料名称规格、型号:水泥P.S32.5 ;碎石、砂验收内容:1.混凝土原材料;2.混凝土配合比;3.混凝土原...

1、当您付费下载文档后,您只拥有了使用权限,并不意味着购买了版权,文档只能用于自身使用,不得用于其他商业用途(如 [转卖]进行直接盈利或[编辑后售卖]进行间接盈利)。
2、本站所有内容均由合作方或网友上传,本站不对文档的完整性、权威性及其观点立场正确性做任何保证或承诺!文档内容仅供研究参考,付费前请自行鉴别。
3、如文档内容存在违规,或者侵犯商业秘密、侵犯著作权等,请点击“违规举报”。

碎片内容

隐蔽工程验收记录表~~真正范本

您可能关注的文档

文库响当当+ 关注
实名认证
内容提供者

该用户很懒,什么也没介绍

确认删除?
VIP
微信客服
  • 扫码咨询
会员Q群
  • 会员专属群点击这里加入QQ群
客服邮箱
回到顶部