电脑桌面
添加小米粒文库到电脑桌面
安装后可以在桌面快捷访问

集装箱代码表

集装箱代码表_第1页
1/6
集装箱代码表_第2页
2/6
集装箱代码表_第3页
3/6
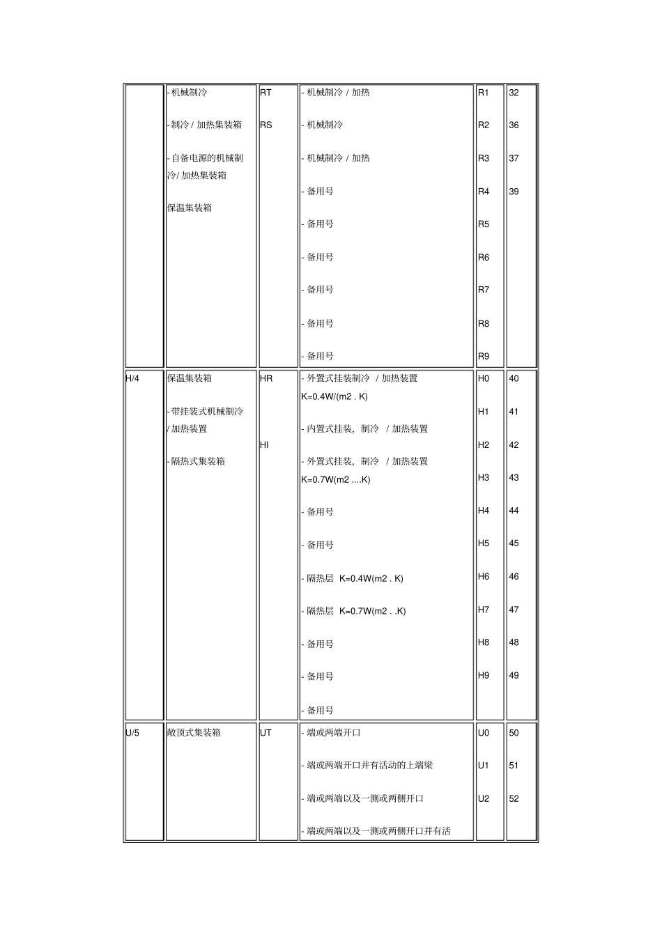
集装箱代码表(1)集装箱类型代码表本组代码等同采用IS0 6364.2附录 E 中的表 E1;详见表 1。 表 1 代码 / 原代号箱 型箱型群组代码主 要 特 征箱型代码原代号G/0 通用集装箱 ( 无通风装置 ) GP - 端或两端有箱门- 货物的上方有透气罩- 端或两端设有箱门, 并且在一侧或两侧亦设 " 全开式 " 箱门- 端或两端设有箱门并且在一侧或两侧亦设 " 局部 " 箱门- 备用号- 备用号- 备用号- 备用号- 备用号- 备用号G0 G1 G2 G3 G4 G5 G6 G7 G8 G9 00 10/11 01 02 05 06 07 08 09 V/1 通风式通用集装箱VH - 无机械排风装置, 但在上、 下两侧没有自然通风窗- 备用号- 箱内设有机械式通风装置- 备用号- 外置式机械通风装置- 备用号- 备用号V0 V1 V2 V3 V4 V5 V6 V7 13 14 15 16 17 18 19 - 备用号- 备用号- 备用号V8 V9 B/2 干散货集装箱-无压干散货集装箱-承压干散货集装箱BU BK - 封闭式- 气密式- 备用号- 水平方向卸货,试验压力150Pa - 水平方向卸货,试验压力265Pa - 倾斜卸货,试验压力150Pa - 倾斜卸货,试验压力150Pa - 备用号- 备用号- 备用号B0 B1 B2 B3 B4 B5 B6 B7 B8 B9 20 23 24 S/2 以货物种类命名的集装箱SN - 牲畜集装箱- 汽车集装箱- 活鱼集装箱- 备用号- 备用号- 备用号- 备用号- 备用号- 备用号S0 S1 S2 S3 S4 S5 S6 S7 S8 25 26 27 28 29 R/3 保温集装箱RE - 机械制冷R0 31 -机械制冷-制冷 / 加热集装箱-自备电源的机械制冷/ 加热集装箱保温集装箱RT RS - 机械制冷 / 加热- 机械制冷- 机械制冷 / 加热- 备用号- 备用号- 备用号- 备用号- 备用号- 备用号R1 R2 R3 R4 R5 R6 R7 R8 R9 32 36 37 39 H/4 保温集装箱-带挂装式机械制冷/ 加热装置-隔热式集装箱HR HI - 外置式挂装制冷 / 加热装置K=0.4W/(m2 . K) - 内置式挂装,制冷/ 加热装置- 外置式挂装,制冷/ 加热装置K=0.7W(m2 ....K) - 备用号- 备用号- 隔热层 K=0.4W(m2 . K) - 隔热层 K=0.7W(m2 . .K) - 备用号- 备用号- 备用号H0 H1 H2 H3 H4 H5 H6 H7 H8 H9 40 41 42 43 44 45 46 47 48 49 U/5 敞顶式集装箱UT - 端或两端开口- 端或两端开口并有活动的上端梁- 端或两端以及一测或两侧开口- 端或两端以及一测或两侧开口并有活U0 U1...

1、当您付费下载文档后,您只拥有了使用权限,并不意味着购买了版权,文档只能用于自身使用,不得用于其他商业用途(如 [转卖]进行直接盈利或[编辑后售卖]进行间接盈利)。
2、本站所有内容均由合作方或网友上传,本站不对文档的完整性、权威性及其观点立场正确性做任何保证或承诺!文档内容仅供研究参考,付费前请自行鉴别。
3、如文档内容存在违规,或者侵犯商业秘密、侵犯著作权等,请点击“违规举报”。

碎片内容

集装箱代码表

您可能关注的文档

确认删除?
VIP
微信客服
  • 扫码咨询
会员Q群
  • 会员专属群点击这里加入QQ群
客服邮箱
回到顶部